Wiring diagram with munit - REVIEW
- Wookie58
-
- Offline
- Moderator
-

Registered
- Posts: 6099
- Thanks: 3840
Re: Wiring diagram with munit - REVIEW
09 Mar 2025 12:36
you could use rings of shrink wrap maybe 10mm wide every 300mm to keep things in place and use shrink wrap to close the ends of the fabric sleeve
1982 KZ1000 Ltd
www.kzrider.com/forum/11-projects/617631...-82-begins?start=192
kzrider.com/filebase-alias?view=download...d-fault-diagnosis&ca
www.kzrider.com/forum/11-projects/617631...-82-begins?start=192
kzrider.com/filebase-alias?view=download...d-fault-diagnosis&ca
The following user(s) said Thank You: gordone
Please Log in or Create an account to join the conversation.
- gordone
-
Topic Author
- Offline
- Sustaining Member
-

Registered
- Posts: 1533
- Thanks: 93
Re: Wiring diagram with munit - REVIEW
11 Mar 2025 04:42
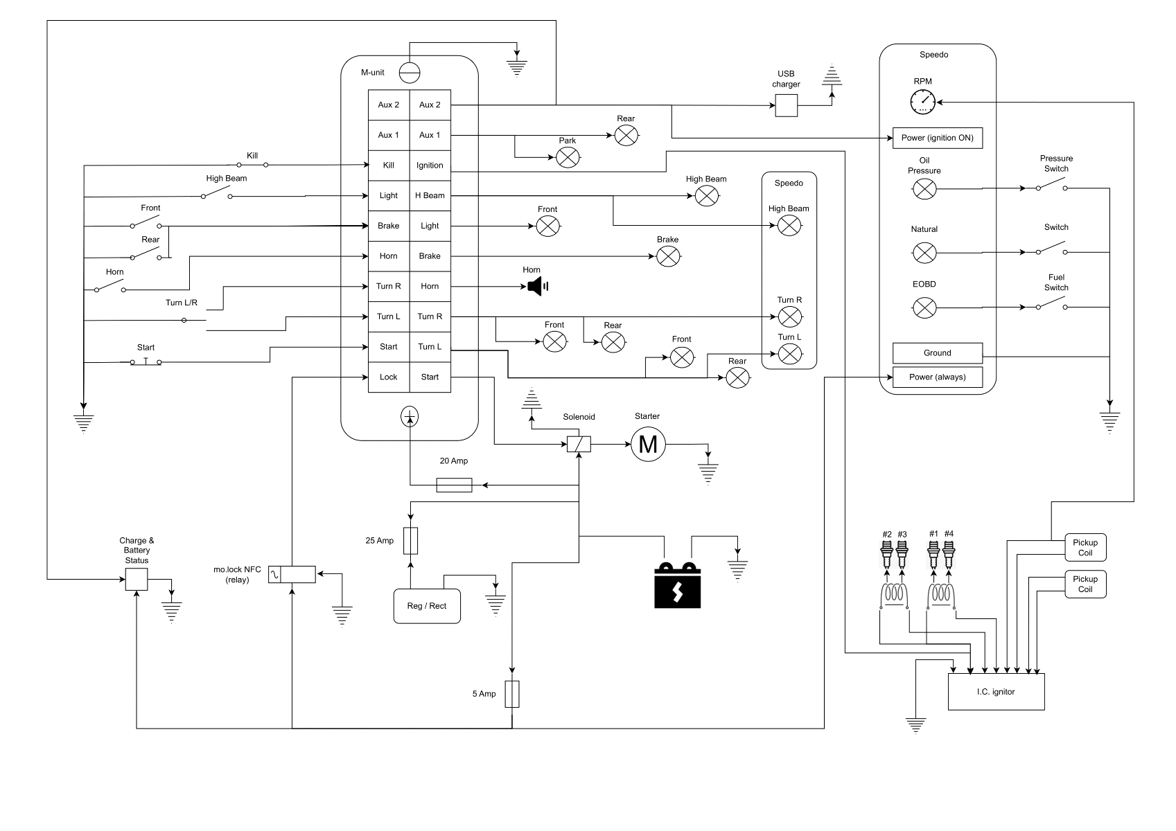
@Wookie58 we talked earlier about connecting the gas tank level to the EOBD light, and that is still my plan. Today, I was thinking about the brake light indicator that I had with the original speedometer but is missing on my new speedometer. Do I really need it? It provides feedback that the front and rear brake switches are working, right?Maybe I could connect both the brake and fuel level indicators to the EOBD light?By the way, I have updated the diagram. Please take a look below. I have added a charge and battery status unit to the diagram since last time, as well as some missing grounds that you previously pointed out.
1981 KZ650-D4, with 1981 z750L engine (Wiensco 810 big bore).
Project:
www.kzrider.com/forum/11-projects/607213...sr-1981-z750l-engine
Project:
www.kzrider.com/forum/11-projects/607213...sr-1981-z750l-engine
Please Log in or Create an account to join the conversation.
- Wookie58
-
- Offline
- Moderator
-

Registered
- Posts: 6099
- Thanks: 3840
Re: Wiring diagram with munit - REVIEW
11 Mar 2025 05:12@Wookie58 we talked earlier about connecting the gas tank level to the EOBD light, and that is still my plan. Today, I was thinking about the brake light indicator that I had with the original speedometer but is missing on my new speedometer. Do I really need it? Not in my opinion It provides feedback that the front and rear brake switches are working, right? Correct but it doesn't tell you the brake light is working Maybe I could connect both the brake and fuel level indicators to the EOBD light? You could but I don't see the point, for safety you should check lights before riding, and the chances of both brake light switches failing the same day are negligible By the way, I have updated the diagram. Please take a look below. I have added a charge and battery status unit to the diagram since last time, as well as some missing grounds that you previously pointed out. All looks correct
1982 KZ1000 Ltd
www.kzrider.com/forum/11-projects/617631...-82-begins?start=192
kzrider.com/filebase-alias?view=download...d-fault-diagnosis&ca
www.kzrider.com/forum/11-projects/617631...-82-begins?start=192
kzrider.com/filebase-alias?view=download...d-fault-diagnosis&ca
The following user(s) said Thank You: gordone
Please Log in or Create an account to join the conversation.
- gordone
-
Topic Author
- Offline
- Sustaining Member
-

Registered
- Posts: 1533
- Thanks: 93
Re: Wiring diagram with munit - REVIEW
12 May 2025 23:28
I’ve powered it up now and found out that the kill switch is inverted — the M-unit expects the circuit to be normally open from my understanding.
I guess I need to install a small relay. Does anyone know of a small relay I can use?
I guess I need to install a small relay. Does anyone know of a small relay I can use?
1981 KZ650-D4, with 1981 z750L engine (Wiensco 810 big bore).
Project:
www.kzrider.com/forum/11-projects/607213...sr-1981-z750l-engine
Project:
www.kzrider.com/forum/11-projects/607213...sr-1981-z750l-engine
Please Log in or Create an account to join the conversation.
- Wookie58
-
- Offline
- Moderator
-

Registered
- Posts: 6099
- Thanks: 3840
Re: Wiring diagram with munit - REVIEW
13 May 2025 01:36
You shouldn't need a relay, have you rewired the switch so that it is switching a "ground" to the "M-unit" as per the below. If so I would suggest re-visiting the "set-up" process in the "Motogadget" instructions
1982 KZ1000 Ltd
www.kzrider.com/forum/11-projects/617631...-82-begins?start=192
kzrider.com/filebase-alias?view=download...d-fault-diagnosis&ca
www.kzrider.com/forum/11-projects/617631...-82-begins?start=192
kzrider.com/filebase-alias?view=download...d-fault-diagnosis&ca
Please Log in or Create an account to join the conversation.
- gordone
-
Topic Author
- Offline
- Sustaining Member
-

Registered
- Posts: 1533
- Thanks: 93
Re: Wiring diagram with munit - REVIEW
13 May 2025 04:53 - 13 May 2025 04:55
Hey, the picture you sent isn’t of the M-Unit Blue, but just the regular M-Unit basic, I guess it’s the same though.The wiring from the kill switch goes to ground, and the other wire to the M-Unit's kill input.The switch is working, but when I set it to RUN, the M-Unit says the kill switch is activated, so it won’t let me start. When I turn the kill switch to STOP, the M-Unit lets me start.
So the kill switch works, but it’s inverted
So the kill switch works, but it’s inverted
1981 KZ650-D4, with 1981 z750L engine (Wiensco 810 big bore).
Project:
www.kzrider.com/forum/11-projects/607213...sr-1981-z750l-engine
Project:
www.kzrider.com/forum/11-projects/607213...sr-1981-z750l-engine
Last edit: 13 May 2025 04:55 by gordone.
Please Log in or Create an account to join the conversation.
- Wookie58
-
- Offline
- Moderator
-

Registered
- Posts: 6099
- Thanks: 3840
Re: Wiring diagram with munit - REVIEW
13 May 2025 05:06 - 13 May 2025 05:07
Is it configured for a "toggle switch" or a momentary "push button" (seems strange)
PS: good work that the rest is working as intended, custom electrics aren't easy
PS: good work that the rest is working as intended, custom electrics aren't easy
1982 KZ1000 Ltd
www.kzrider.com/forum/11-projects/617631...-82-begins?start=192
kzrider.com/filebase-alias?view=download...d-fault-diagnosis&ca
www.kzrider.com/forum/11-projects/617631...-82-begins?start=192
kzrider.com/filebase-alias?view=download...d-fault-diagnosis&ca
Last edit: 13 May 2025 05:07 by Wookie58.
Please Log in or Create an account to join the conversation.
- gordone
-
Topic Author
- Offline
- Sustaining Member
-

Registered
- Posts: 1533
- Thanks: 93
Re: Wiring diagram with munit - REVIEW
13 May 2025 06:07Hehe, something's not working—I'm taking it one step at a timeIs it configured for a "toggle switch" or a momentary "push button" (seems strange)
PS: good work that the rest is working as intended, custom electrics aren't easy![]()
1981 KZ650-D4, with 1981 z750L engine (Wiensco 810 big bore).
Project:
www.kzrider.com/forum/11-projects/607213...sr-1981-z750l-engine
Project:
www.kzrider.com/forum/11-projects/607213...sr-1981-z750l-engine
Please Log in or Create an account to join the conversation.
- Wookie58
-
- Offline
- Moderator
-

Registered
- Posts: 6099
- Thanks: 3840
Re: Wiring diagram with munit - REVIEW
13 May 2025 06:12
I'm not that familiar with the Motogadget product but it seems strange that it won't work as per the diagram (the set-up looks like a bit of a minefield from what I can see)
1982 KZ1000 Ltd
www.kzrider.com/forum/11-projects/617631...-82-begins?start=192
kzrider.com/filebase-alias?view=download...d-fault-diagnosis&ca
www.kzrider.com/forum/11-projects/617631...-82-begins?start=192
kzrider.com/filebase-alias?view=download...d-fault-diagnosis&ca
Please Log in or Create an account to join the conversation.
- gordone
-
Topic Author
- Offline
- Sustaining Member
-

Registered
- Posts: 1533
- Thanks: 93
Re: Wiring diagram with munit - REVIEW
13 May 2025 06:17Agree, I`m working with control system, and failsafe is a good think on safety things... so you are able to detect loop/switch failure before you actual need the switch...I'm not that familiar with the Motogadget product but it seems strange that it won't work as per the diagram (the set-up looks like a bit of a minefield from what I can see)
1981 KZ650-D4, with 1981 z750L engine (Wiensco 810 big bore).
Project:
www.kzrider.com/forum/11-projects/607213...sr-1981-z750l-engine
Project:
www.kzrider.com/forum/11-projects/607213...sr-1981-z750l-engine
The following user(s) said Thank You: Wookie58
Please Log in or Create an account to join the conversation.
- F64
-
- Offline
- User
-

Registered
- 81-KZ440D2
- Posts: 1149
- Thanks: 417
Re: Wiring diagram with munit - REVIEW
13 May 2025 12:54 - 13 May 2025 19:21
Yep, the kill switch works backwards on the m-uint blue.. I never changed it.
With the m-unit blue the bike is killed when you ground that circuit. When the circuit is open the bike will run.
You just have to be careful that you don't overshoot the new center "kill" position or the bike will keep running.
It does make an interesting security device but a dodgy kill switch.
Maybe one day I'll wire the switch properly.
You can also double press the starter button to kill it.
With the m-unit blue the bike is killed when you ground that circuit. When the circuit is open the bike will run.
You just have to be careful that you don't overshoot the new center "kill" position or the bike will keep running.
It does make an interesting security device but a dodgy kill switch.
Maybe one day I'll wire the switch properly.
You can also double press the starter button to kill it.
81-KZ440-D2.
Louis Dudzik's GM HEI ignitor conversion installed 2015 s3.amazonaws.com/gpzweb/Ignition/GPZgmHEImod.html
Motogadget m-unit blue installed 2017.
LIC, NY
Louis Dudzik's GM HEI ignitor conversion installed 2015 s3.amazonaws.com/gpzweb/Ignition/GPZgmHEImod.html
Motogadget m-unit blue installed 2017.
LIC, NY
Last edit: 13 May 2025 19:21 by F64. Reason: i keep forgetting stuff
The following user(s) said Thank You: Wookie58
Please Log in or Create an account to join the conversation.
- gordone
-
Topic Author
- Offline
- Sustaining Member
-

Registered
- Posts: 1533
- Thanks: 93
Re: Wiring diagram with munit - REVIEW
13 May 2025 22:20I have been in contact with the support in Germany:Yep, the kill switch works backwards on the m-uint blue.. I never changed it.
With the m-unit blue the bike is killed when you ground that circuit. When the circuit is open the bike will run.
You just have to be careful that you don't overshoot the new center "kill" position or the bike will keep running.
It does make an interesting security device but a dodgy kill switch.
Maybe one day I'll wire the switch properly.
You can also double press the starter button to kill it.
"Hello Erik,
inverting the input KILL is possible in the setup.
Either with the mo.ride app or manually.
Configuration can be made under the point KILL/STAND.
Best regards
Jon
motogadget Support Team
"
Haven’t tested it yet, but hopefully you and I will see an improvement. 🙂
1981 KZ650-D4, with 1981 z750L engine (Wiensco 810 big bore).
Project:
www.kzrider.com/forum/11-projects/607213...sr-1981-z750l-engine
Project:
www.kzrider.com/forum/11-projects/607213...sr-1981-z750l-engine
The following user(s) said Thank You: F64, Wookie58
Please Log in or Create an account to join the conversation.
Moderators: Street Fighter LTD
