1990 Concours, Just Purchased Now
- KZ_Rage
-
- Offline
- User
-

Registered
- Kentucky Bourbon Barrel Ale
- Posts: 891
- Thanks: 19
Re: 1990 Concours, Just Purchased Now
14 Oct 2011 20:39
Yep, need to put some foam slip-overs on the grips, helps the buzz too. Most of the guys on the COG forum use a Caterpillar O-Ring for a cruise control and swear by it. You can get more info there. These bikes demand decent tires if you're going to push it like it was a Ninja... I plead the fifth!
1979 KZ1000E1 SOLD!
1984 KZ550F2 SOLD!
2006 ZG1000A6F (Totaled)
2001 ZRX1200R (Sold)
2001 Sprint 955i ST (daily rider)
1984 KZ550F2 SOLD!
2006 ZG1000A6F (Totaled)
2001 ZRX1200R (Sold)
2001 Sprint 955i ST (daily rider)
Please Log in or Create an account to join the conversation.
- Motor Head
-
Topic Author
- Offline
- User
-

Registered
- FIX UP YOUR BIKE RIGHT AND CHEAP
- Posts: 5137
- Thanks: 393
Re: 1990 Concours, Just Purchased Now
14 Oct 2011 23:30 - 15 Oct 2011 00:10
I really didn't notice any Buzz, but hey I'm used to a KZ. I'll be getting some grips on right away, as the weather forecast is for a couple more warm sunny days for riding. Once it cools off, then more wrenching will be done. But the grips are a must. Also my coolant overflow tank showed up today so I'll mount that in the morning. That AGM is a Weak SOB, with it sitting 1 night off the charger and the little factory digital clock running, it has no cranking reserve. It will start, but its weak and if you don't choke it, then it will soon not crank any more.
I've got an email into Z1, trying to see if they want to sell me my Kawasaki parts for the Connie. I'd rather give them the business is they want it.
KZ_RAGE, Did you have a chance to look at what stuff you have for Connies?
I've got an email into Z1, trying to see if they want to sell me my Kawasaki parts for the Connie. I'd rather give them the business is they want it.
KZ_RAGE, Did you have a chance to look at what stuff you have for Connies?
1982 KZ1000LTD K2 Vance & Hines 4-1 ACCEL COILS Added Vetter fairing & Bags. FOX Racing rear Shocks, Braced Swing-arm, Fork Brace, Progressive Fork Springs RT Gold Emulators, APE Valve Springs, 1166 Big Bore kit, RS34's, GPZ cams.
1980 KZ550LTD C1 Stock SOLD Miss it
1979 MAZDA RX7 in the works, 13B...
1980 KZ550LTD C1 Stock SOLD Miss it
1979 MAZDA RX7 in the works, 13B...
Last edit: 15 Oct 2011 00:10 by Motor Head.
Please Log in or Create an account to join the conversation.
- Motor Head
-
Topic Author
- Offline
- User
-

Registered
- FIX UP YOUR BIKE RIGHT AND CHEAP
- Posts: 5137
- Thanks: 393
Re: 1990 Concours, Just Purchased Now
17 Oct 2011 21:32
Z1 is going to supply the Kawasaki OEM parts for the Connie. There price was quite good, and I can get some KZ stuff at the same time. Just request and they will more than likely help, thats the way to do business. 
They will send a new Lead Acid battery, replacing the AGM that won't hold a charge. Some trim pieces, and brake pads. Got to go with the EBC Double Sintered pads, as I know they stop well. Fork oil, oil filters, etc.
Just trying to plastic weld the Right Saddle Bag where it had previously been patched with Sheet Metal, and fiber glass. Got some on the Feebay Watch list too.
They will send a new Lead Acid battery, replacing the AGM that won't hold a charge. Some trim pieces, and brake pads. Got to go with the EBC Double Sintered pads, as I know they stop well. Fork oil, oil filters, etc.
Just trying to plastic weld the Right Saddle Bag where it had previously been patched with Sheet Metal, and fiber glass. Got some on the Feebay Watch list too.
1982 KZ1000LTD K2 Vance & Hines 4-1 ACCEL COILS Added Vetter fairing & Bags. FOX Racing rear Shocks, Braced Swing-arm, Fork Brace, Progressive Fork Springs RT Gold Emulators, APE Valve Springs, 1166 Big Bore kit, RS34's, GPZ cams.
1980 KZ550LTD C1 Stock SOLD Miss it
1979 MAZDA RX7 in the works, 13B...
1980 KZ550LTD C1 Stock SOLD Miss it
1979 MAZDA RX7 in the works, 13B...
Please Log in or Create an account to join the conversation.
- Motor Head
-
Topic Author
- Offline
- User
-

Registered
- FIX UP YOUR BIKE RIGHT AND CHEAP
- Posts: 5137
- Thanks: 393
Re: 1990 Concours, Just Purchased Now
20 Oct 2011 18:57 - 13 Nov 2011 11:34
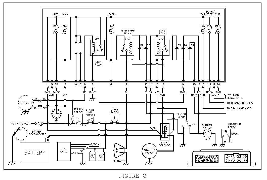
Ok I have done the Ignition Switch cleaning, and am using the KZ battery. Still just every once in a while I still get no power to my running lights and dash. Bang on the Junction Box/ fuse panel and it all lights up. Just like I had read in the Connie forums. So just to double check my Power coming in on the Brown wire from the Ignition switch, which I fixed. That's good. So rip out and disassemble the J-Block, and look at replacing the Micro relays. There is a write up on the Connie forum as to which part #'s are used for the repair. Call and find I can get 12AMP relays instead of the factory 5AMP's. $3.50 a piece, NTE R46-5D12-12. So off to the store, then back for a bit of bench Solder work. Easy as pie, all three replaced and now everything is correct with the electrical.
This is the circuits with the inside of the J-Box:
And here is some Graphic inside Porn:
This is the circuits with the inside of the J-Box:
And here is some Graphic inside Porn:
1982 KZ1000LTD K2 Vance & Hines 4-1 ACCEL COILS Added Vetter fairing & Bags. FOX Racing rear Shocks, Braced Swing-arm, Fork Brace, Progressive Fork Springs RT Gold Emulators, APE Valve Springs, 1166 Big Bore kit, RS34's, GPZ cams.
1980 KZ550LTD C1 Stock SOLD Miss it
1979 MAZDA RX7 in the works, 13B...
1980 KZ550LTD C1 Stock SOLD Miss it
1979 MAZDA RX7 in the works, 13B...
Attachments:
Last edit: 13 Nov 2011 11:34 by Motor Head.
Please Log in or Create an account to join the conversation.
- Motor Head
-
Topic Author
- Offline
- User
-

Registered
- FIX UP YOUR BIKE RIGHT AND CHEAP
- Posts: 5137
- Thanks: 393
Re: 1990 Concours, Just Purchased Now
20 Oct 2011 21:05 - 20 Oct 2011 21:13
Just scored a set of GSXR 4 pot front calipers to upgrade the front bakes. Not a bolt on until brackets are made. There was a couple of guy's making them for the pre 94. Not that I can find at the moment. So I'll have to Fab them. But the later 94-up there are a couple of suppliers. Bolt right on, same as the V-Strom DL. 
1982 KZ1000LTD K2 Vance & Hines 4-1 ACCEL COILS Added Vetter fairing & Bags. FOX Racing rear Shocks, Braced Swing-arm, Fork Brace, Progressive Fork Springs RT Gold Emulators, APE Valve Springs, 1166 Big Bore kit, RS34's, GPZ cams.
1980 KZ550LTD C1 Stock SOLD Miss it
1979 MAZDA RX7 in the works, 13B...
1980 KZ550LTD C1 Stock SOLD Miss it
1979 MAZDA RX7 in the works, 13B...
Attachments:
Last edit: 20 Oct 2011 21:13 by Motor Head.
Please Log in or Create an account to join the conversation.
- Motor Head
-
Topic Author
- Offline
- User
-

Registered
- FIX UP YOUR BIKE RIGHT AND CHEAP
- Posts: 5137
- Thanks: 393
Re: 1990 Concours, Just Purchased Now
22 Oct 2011 00:48
Just stumbled on another forum for paint matching. I found that a guy there has posted several paints for bikes but in PPG solvent paint.
He has the Kawasaki 603 Candy Persimmon Red down as a PPG 926469. www.bikeland.org/board/viewthread.php?TID=60342&FID=1
Any body Know anything about this info?? It would be nice to get a Local supplier to set up a paint close match for the repair of this bike. The Color-Rite stuff is really expensive.
He has the Kawasaki 603 Candy Persimmon Red down as a PPG 926469. www.bikeland.org/board/viewthread.php?TID=60342&FID=1
Any body Know anything about this info?? It would be nice to get a Local supplier to set up a paint close match for the repair of this bike. The Color-Rite stuff is really expensive.
1982 KZ1000LTD K2 Vance & Hines 4-1 ACCEL COILS Added Vetter fairing & Bags. FOX Racing rear Shocks, Braced Swing-arm, Fork Brace, Progressive Fork Springs RT Gold Emulators, APE Valve Springs, 1166 Big Bore kit, RS34's, GPZ cams.
1980 KZ550LTD C1 Stock SOLD Miss it
1979 MAZDA RX7 in the works, 13B...
1980 KZ550LTD C1 Stock SOLD Miss it
1979 MAZDA RX7 in the works, 13B...
Please Log in or Create an account to join the conversation.
- KZ_Rage
-
- Offline
- User
-

Registered
- Kentucky Bourbon Barrel Ale
- Posts: 891
- Thanks: 19
Re: 1990 Concours, Just Purchased Now
22 Oct 2011 12:37
IMHO, unless you paint every surface inside and out the bike will always show "re-painted" even if spraying exact same color as factory, so I wouldn't sweat it too much, a shade up or down should be your preference as well as cost savings if going with another brand paint. Ease of applying and adhesion means more to me.
I just re-joined the COG forum as they dumped a lot of their members and have made many changes unfortunately none of which I like, the search is archaic and the classifieds are split into 2 separate areas. Good luck finding anything over there. A lot of the folks I used to know over there just 2 years ago are gone, they were a lot of the custom parts/expert guys too. You might try searching for another Connie forum as they may have left that forum due to the new mgt and format.
Will be interested in how the brakes work out, I never had an issue except the one time... unfortunately it was the last time too! :pinch:
I just re-joined the COG forum as they dumped a lot of their members and have made many changes unfortunately none of which I like, the search is archaic and the classifieds are split into 2 separate areas. Good luck finding anything over there. A lot of the folks I used to know over there just 2 years ago are gone, they were a lot of the custom parts/expert guys too. You might try searching for another Connie forum as they may have left that forum due to the new mgt and format.
Will be interested in how the brakes work out, I never had an issue except the one time... unfortunately it was the last time too! :pinch:
1979 KZ1000E1 SOLD!
1984 KZ550F2 SOLD!
2006 ZG1000A6F (Totaled)
2001 ZRX1200R (Sold)
2001 Sprint 955i ST (daily rider)
1984 KZ550F2 SOLD!
2006 ZG1000A6F (Totaled)
2001 ZRX1200R (Sold)
2001 Sprint 955i ST (daily rider)
Please Log in or Create an account to join the conversation.
- Motor Head
-
Topic Author
- Offline
- User
-

Registered
- FIX UP YOUR BIKE RIGHT AND CHEAP
- Posts: 5137
- Thanks: 393
Re: 1990 Concours, Just Purchased Now
22 Oct 2011 14:06 - 22 Oct 2011 14:09
I think the Forum Blew Up, and had to be rebuilt.
forum.cog-online.org/index.php
Or maybe that was this other Forum, can't remember.
www.zggtr.org/index.php
Anyway, I won't do the paint work this year, will have to wait.
But I did manage to repair my Right Saddle Bag, the inner Clamshell was really broken where it mounts to the Antler. Also they were both Faded from being out in the Sun, really gross grey. So after repairs I used the Krylon Fusion plastic paint in Black Satin. While not perfect, they look 100% better.
Or maybe that was this other Forum, can't remember.
www.zggtr.org/index.php
Anyway, I won't do the paint work this year, will have to wait.
But I did manage to repair my Right Saddle Bag, the inner Clamshell was really broken where it mounts to the Antler. Also they were both Faded from being out in the Sun, really gross grey. So after repairs I used the Krylon Fusion plastic paint in Black Satin. While not perfect, they look 100% better.
1982 KZ1000LTD K2 Vance & Hines 4-1 ACCEL COILS Added Vetter fairing & Bags. FOX Racing rear Shocks, Braced Swing-arm, Fork Brace, Progressive Fork Springs RT Gold Emulators, APE Valve Springs, 1166 Big Bore kit, RS34's, GPZ cams.
1980 KZ550LTD C1 Stock SOLD Miss it
1979 MAZDA RX7 in the works, 13B...
1980 KZ550LTD C1 Stock SOLD Miss it
1979 MAZDA RX7 in the works, 13B...
Attachments:
Last edit: 22 Oct 2011 14:09 by Motor Head.
Please Log in or Create an account to join the conversation.
- Motor Head
-
Topic Author
- Offline
- User
-

Registered
- FIX UP YOUR BIKE RIGHT AND CHEAP
- Posts: 5137
- Thanks: 393
Re: 1990 Concours, Just Purchased Now
23 Oct 2011 19:05
Took the Concours out for a Sunny 200mi ride, from 6300' up to 10K' and back down. Ran great, smooth power, used just over 1/2 tank, on the gauge anyway. Will have to check the fuel mileage on the next fill up, but looks like mid 40's. Not the most twisty roads where I went, just trying to get a feel for the bike, and see what its strong and weak points are. Like how well does it Pass in each gear out on the road, and Altitude. At 10K I was going up a hill at 85 with hardley 1/4 throttle in 6th gear, with a head/ side wind. I had to duck my head behind the windshield to listen to the motor. Is this thing even on?? :laugh: My confidence was growing a lot by the end of the ride, but it will be higher after some more work is done. Waiting on parts still, and when they show I'll work on the front end, and install the 4 spot calipers, replace the fork seals and change fluid. I also will do a spring mod from the Concours forum. Cut 4" of spring from the tight wound top section, and replace with 4" of solid spacer, then 15wt oil. Also will change out the rear shock oil, with 15wt.
1982 KZ1000LTD K2 Vance & Hines 4-1 ACCEL COILS Added Vetter fairing & Bags. FOX Racing rear Shocks, Braced Swing-arm, Fork Brace, Progressive Fork Springs RT Gold Emulators, APE Valve Springs, 1166 Big Bore kit, RS34's, GPZ cams.
1980 KZ550LTD C1 Stock SOLD Miss it
1979 MAZDA RX7 in the works, 13B...
1980 KZ550LTD C1 Stock SOLD Miss it
1979 MAZDA RX7 in the works, 13B...
Please Log in or Create an account to join the conversation.
- Motor Head
-
Topic Author
- Offline
- User
-

Registered
- FIX UP YOUR BIKE RIGHT AND CHEAP
- Posts: 5137
- Thanks: 393
Re: 1990 Concours, Just Purchased Now
28 Oct 2011 21:08 - 29 Oct 2011 13:32
Well between waiting on parts, then the Snow, now on the east coast, I've gotten some more done.
Put the Fork Seals in, and of course changed the fork oil. Bought a used swing arm with final drive off of a 99 for $15, that's right, and replaced my swing arm. Mine had some surface rust and when I saw a Deal just 1/2 hour from here, well jumped on it. So put that Arm in, and changed the rear shock oil. Replaced the grease Zerts on the linkage for the rear suspension, as they were rusted shut.
Received a box of Goodies from KZ_RAGE, Installed the Bar risers right away. Looking at the foot Peg Lowing brackets and determining if I like that position. I already have an issue with hitting the lower fairing when I shift, My toe hits it. So I may trim the plastic fairing, then put on the Peg lowering brackets. Then my Feebay Tokico front Calipers showed up. First I cut out a template, then the Steel Plate, for the mounting brackets. Got the bolt spacing and correct Pad contact area worked out, then did the drilling and Tapping to mount them. Looks good, just need the warmer weather to get them painted. Supposed to be warmer Tomorrow. Also didn't want to order Pads for them till I got them Mounted. So now I have to do that. Then Z1 has shipped a few trim pieces I needed and could not find at the wreckers. Along with some Bits for the KZ K2. Purchased a 18-LA Wet battery from them also. This should work fine, already mounted up a good 12v power point into the fairing, So Battery Maintainer/ float charger can be quickly plugged in. Same as on the KZ K2 with the Vetter.
Sorry NO pictures at the moment, the weather and the Dark garage, doesn't make for photo's.
Just won the bidding on two sets of front pads, EBC HH for $39 shipped!!! :woohoo:
That will give me those material pads on all calipers, front and rear.
Put the Fork Seals in, and of course changed the fork oil. Bought a used swing arm with final drive off of a 99 for $15, that's right, and replaced my swing arm. Mine had some surface rust and when I saw a Deal just 1/2 hour from here, well jumped on it. So put that Arm in, and changed the rear shock oil. Replaced the grease Zerts on the linkage for the rear suspension, as they were rusted shut.
Received a box of Goodies from KZ_RAGE, Installed the Bar risers right away. Looking at the foot Peg Lowing brackets and determining if I like that position. I already have an issue with hitting the lower fairing when I shift, My toe hits it. So I may trim the plastic fairing, then put on the Peg lowering brackets. Then my Feebay Tokico front Calipers showed up. First I cut out a template, then the Steel Plate, for the mounting brackets. Got the bolt spacing and correct Pad contact area worked out, then did the drilling and Tapping to mount them. Looks good, just need the warmer weather to get them painted. Supposed to be warmer Tomorrow. Also didn't want to order Pads for them till I got them Mounted. So now I have to do that. Then Z1 has shipped a few trim pieces I needed and could not find at the wreckers. Along with some Bits for the KZ K2. Purchased a 18-LA Wet battery from them also. This should work fine, already mounted up a good 12v power point into the fairing, So Battery Maintainer/ float charger can be quickly plugged in. Same as on the KZ K2 with the Vetter.
Sorry NO pictures at the moment, the weather and the Dark garage, doesn't make for photo's.
Just won the bidding on two sets of front pads, EBC HH for $39 shipped!!! :woohoo:
That will give me those material pads on all calipers, front and rear.
1982 KZ1000LTD K2 Vance & Hines 4-1 ACCEL COILS Added Vetter fairing & Bags. FOX Racing rear Shocks, Braced Swing-arm, Fork Brace, Progressive Fork Springs RT Gold Emulators, APE Valve Springs, 1166 Big Bore kit, RS34's, GPZ cams.
1980 KZ550LTD C1 Stock SOLD Miss it
1979 MAZDA RX7 in the works, 13B...
1980 KZ550LTD C1 Stock SOLD Miss it
1979 MAZDA RX7 in the works, 13B...
Last edit: 29 Oct 2011 13:32 by Motor Head.
Please Log in or Create an account to join the conversation.
- Motor Head
-
Topic Author
- Offline
- User
-

Registered
- FIX UP YOUR BIKE RIGHT AND CHEAP
- Posts: 5137
- Thanks: 393
Re: 1990 Concours, Just Purchased Now
30 Oct 2011 15:20 - 30 Oct 2011 18:23
Well waiting on the new EBC HH front pads for the calipers. But here is some of the mounting.
The plate it self is tapped for the bolts to the fork legs, and then the other bolts thread in to the caliper body, and long enough for a nut on the other end for insurance.
One of the main parts of this up grade is the brake pads will have about 25% more contact area, and of course 4 pistons. Then the pads are serviceable quick change out the back of the caliper, no need to remove caliper body. Also no Slides to lube, just the pistons for self adjustment.
So this upgrade is costing about $80, but I got hoses that came with the calipers from the GSX-R that I will put back on Feebay, might get a couple bucks back.
If I had a Plasma cutter I would probably ditch some of the material from the center of the brackets. But would take a while to clean up the slag with a die grinder after the cutting torch, so I said F it.
The plate it self is tapped for the bolts to the fork legs, and then the other bolts thread in to the caliper body, and long enough for a nut on the other end for insurance.
One of the main parts of this up grade is the brake pads will have about 25% more contact area, and of course 4 pistons. Then the pads are serviceable quick change out the back of the caliper, no need to remove caliper body. Also no Slides to lube, just the pistons for self adjustment.
So this upgrade is costing about $80, but I got hoses that came with the calipers from the GSX-R that I will put back on Feebay, might get a couple bucks back.
If I had a Plasma cutter I would probably ditch some of the material from the center of the brackets. But would take a while to clean up the slag with a die grinder after the cutting torch, so I said F it.
1982 KZ1000LTD K2 Vance & Hines 4-1 ACCEL COILS Added Vetter fairing & Bags. FOX Racing rear Shocks, Braced Swing-arm, Fork Brace, Progressive Fork Springs RT Gold Emulators, APE Valve Springs, 1166 Big Bore kit, RS34's, GPZ cams.
1980 KZ550LTD C1 Stock SOLD Miss it
1979 MAZDA RX7 in the works, 13B...
1980 KZ550LTD C1 Stock SOLD Miss it
1979 MAZDA RX7 in the works, 13B...
Last edit: 30 Oct 2011 18:23 by Motor Head.
Please Log in or Create an account to join the conversation.
- Motor Head
-
Topic Author
- Offline
- User
-

Registered
- FIX UP YOUR BIKE RIGHT AND CHEAP
- Posts: 5137
- Thanks: 393
Re: 1990 Concours, Just Purchased Now
30 Oct 2011 15:38 - 30 Oct 2011 15:40
1982 KZ1000LTD K2 Vance & Hines 4-1 ACCEL COILS Added Vetter fairing & Bags. FOX Racing rear Shocks, Braced Swing-arm, Fork Brace, Progressive Fork Springs RT Gold Emulators, APE Valve Springs, 1166 Big Bore kit, RS34's, GPZ cams.
1980 KZ550LTD C1 Stock SOLD Miss it
1979 MAZDA RX7 in the works, 13B...
1980 KZ550LTD C1 Stock SOLD Miss it
1979 MAZDA RX7 in the works, 13B...
Last edit: 30 Oct 2011 15:40 by Motor Head.
Please Log in or Create an account to join the conversation.
Moderators: Street Fighter LTD
