KZ650
- WICKEDKZ
-
Topic Author
- Offline
- User
-

Registered
- Posts: 54
- Thanks: 0
KZ650
08 Apr 2025 11:11
I am looking for the part number for the jets that screw in above the pilot jets, also if someone might have a inner left carb body
Please Log in or Create an account to join the conversation.
- gd4now
-
- Offline
- User
-

Registered
- Denco where did you go?
- Posts: 1660
- Thanks: 659
Re: KZ650
08 Apr 2025 12:53
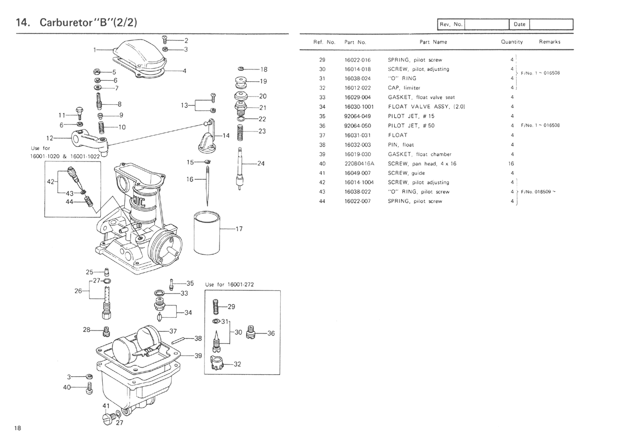
To the best of my knowledge there were 3 types or carbs that came stock on the 650s. (Mikuni vm22ss, Mikuni vm24ss, Mikuni BS32) Knowing which set you are seeking a left inner for may help others to offer one to you. Further there are some differences between the vm carbs that have only an air screw, or only a pilot (fuel) screw, or some sets have both screws. Then some sets have an
accelerator pump and others do not.
I am somewhat uncertain what jet part number you are seeking "part number for the jets that screw in above the pilot jets". The jet I am aware of that is added to vm carb sets with only a pilot (fuel) screw is the #50 jet that screws into the pilot jet port on the bottom of the carb. As far as I know its Kawasaki part# is 92064-050.
Is that what you are seeking or am I all wrong on this.
accelerator pump and others do not.
I am somewhat uncertain what jet part number you are seeking "part number for the jets that screw in above the pilot jets". The jet I am aware of that is added to vm carb sets with only a pilot (fuel) screw is the #50 jet that screws into the pilot jet port on the bottom of the carb. As far as I know its Kawasaki part# is 92064-050.
Is that what you are seeking or am I all wrong on this.
1977 KZ650 B1
Pods and Denco header
OLD KAW OWNERS SMILE ALOT
Pods and Denco header
OLD KAW OWNERS SMILE ALOT
The following user(s) said Thank You: WICKEDKZ, kimchella
Please Log in or Create an account to join the conversation.
- Scirocco
-
- Offline
- Premium Member
-

Registered
- Never change a running system
- Posts: 4397
- Thanks: 2260
Re: KZ650
08 Apr 2025 14:38 - 08 Apr 2025 14:39
Some carb parts pics as always should help to verify the parts you need....
My 1975 Z 1 B 900 Project
www.kzrider.com/forum/11-projects/605133...ears-deep-sleep-mode
www.kzrider.com/forum/11-projects/605133...ears-deep-sleep-mode
Last edit: 08 Apr 2025 14:39 by Scirocco.
Please Log in or Create an account to join the conversation.
- Nessism
-
- Offline
- Sustaining Member
-

Registered
- Posts: 8088
- Thanks: 3471
Re: KZ650
08 Apr 2025 14:50
Some months back, on this board, someone posted about the extra pilot jet on a set of 650 carbs. I'm not all knowing, but this was the first time I've seen such carbs. Can't say I know any more, sorry. They do exist though.
Ed
Carb O-ring Kits : www.kzrider.com/forum/14-vendor-forum/62...rburetor-o-ring-kits
www.kzrider.com/forum/faq-wiki/618026-new-owner-things-to-know
1981 KZ750E2
www.kzrider.com/forum/11-projects/604901...z750e-project-thread
Carb O-ring Kits : www.kzrider.com/forum/14-vendor-forum/62...rburetor-o-ring-kits
www.kzrider.com/forum/faq-wiki/618026-new-owner-things-to-know
1981 KZ750E2
www.kzrider.com/forum/11-projects/604901...z750e-project-thread
Please Log in or Create an account to join the conversation.
- WICKEDKZ
-
Topic Author
- Offline
- User
-

Registered
- Posts: 54
- Thanks: 0
Re: KZ650
08 Apr 2025 16:39
Thank you, that is exactly what i was looking for 92064-050.I wonder what the purpose of an extra jet on top of the jet here vs the models that only have the pilot jet..
Please Log in or Create an account to join the conversation.
- kimchella
-
- Offline
- Sustaining Member
-

Registered
- Posts: 271
- Thanks: 269
Re: KZ650
08 Apr 2025 19:47
Hi, I have these installed on my California registered 1976 kz650b1, which were fitted to the early kz650b1, and apparently only fitted to certain markets. There are several thoughts about the use of them, and many people have removed them without any noticeable difference in use.,Also see below
Rich.
copied below:-
Warren gave a good answer on this question:-
“I don't know how true it is but the apparent reason they were ever fitted was to create a small reservoir of fuel
between the 50 jet and the pilot jet.
This was an interim solution to US emissions regs. It was required due to the air fuel mix being set very very lean to pass the regs which caused a virtual engine cut out on throttle close gear changes.
Subsequently the issue was resolved by the introduction of pumper carbs which achieved the same effect in a more controlled way.
(all allegedly !!!!) I've yet to hear of a more plausible explanation. “
Rich.
copied below:-
Warren gave a good answer on this question:-
“I don't know how true it is but the apparent reason they were ever fitted was to create a small reservoir of fuel
between the 50 jet and the pilot jet.
This was an interim solution to US emissions regs. It was required due to the air fuel mix being set very very lean to pass the regs which caused a virtual engine cut out on throttle close gear changes.
Subsequently the issue was resolved by the introduction of pumper carbs which achieved the same effect in a more controlled way.
(all allegedly !!!!) I've yet to hear of a more plausible explanation. “
KZ650B1 frame number 225
The following user(s) said Thank You: WICKEDKZ, sf4t7, Warren3200gt
Please Log in or Create an account to join the conversation.
- Warren3200gt
-
- Offline
- User
-

Registered
- Posts: 1734
- Thanks: 918
Re: KZ650
08 Apr 2025 19:54 - 08 Apr 2025 19:56
The vm carbs that had the additional 'size 50' jet above the pilot jet was an interim attempt to satisfy emmision regulations in some US states. To pass this regulation the mixture was set very very lean. As a result on engine over run there was so little fuel entering the engine that it virtually cut out. By adding the 50 jet a small reservoir off fuel was created between it and the normal 15 pilot jet for the engine to draw on when in over run.
This didn't wholey solve the issue and these carbs were superceded by "pumper" carbs which when on over run squirt a little fuel directly into the carb throat to maintain a running state.
If you set the air / fuel mixture to the correct ratio instead of super lean you can discard the "50" jet.
Kimchella got to it before me 🤣
This didn't wholey solve the issue and these carbs were superceded by "pumper" carbs which when on over run squirt a little fuel directly into the carb throat to maintain a running state.
If you set the air / fuel mixture to the correct ratio instead of super lean you can discard the "50" jet.
Kimchella got to it before me 🤣
Last edit: 08 Apr 2025 19:56 by Warren3200gt.
The following user(s) said Thank You: WICKEDKZ, sf4t7, kimchella
Please Log in or Create an account to join the conversation.
- gd4now
-
- Offline
- User
-

Registered
- Denco where did you go?
- Posts: 1660
- Thanks: 659
Re: KZ650
09 Apr 2025 08:21
I have seen some info that to me indicates the old part# 92064-050. has been revised to 92064-1019. Further the only place I have seen this extra jet used is on vm22 and vm24 carbs that came stock on the 650s that have only a pilot screw (fuel) but not on air screw only or the carbs that have both air and pilot (fuel) screws.
1977 KZ650 B1
Pods and Denco header
OLD KAW OWNERS SMILE ALOT
Pods and Denco header
OLD KAW OWNERS SMILE ALOT
The following user(s) said Thank You: WICKEDKZ
Please Log in or Create an account to join the conversation.
Moderators: Street Fighter LTD
