Mikuni 26mm not fitting on KZ650 head
- sflesch94
-
Topic Author
- Offline
- User
-

Registered
- Posts: 43
- Thanks: 4
Mikuni 26mm not fitting on KZ650 head
21 Feb 2023 19:25
Hi there,
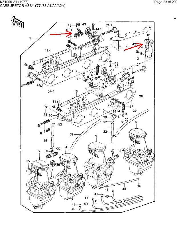
I am trying to mount up my freshly rebuilt 26mm carbs off a KZ900 on my KZ650. The throttle cable guide is hitting the valve cover causing the carb boots to not fully seat. Has anyone else seen this or have any suggestions? See picture where the boot is fully seated on the carb but the top won’t come in flush to the head.
thanks!
I am trying to mount up my freshly rebuilt 26mm carbs off a KZ900 on my KZ650. The throttle cable guide is hitting the valve cover causing the carb boots to not fully seat. Has anyone else seen this or have any suggestions? See picture where the boot is fully seated on the carb but the top won’t come in flush to the head.
thanks!
Please Log in or Create an account to join the conversation.
- Scirocco
-
- Offline
- Premium Member
-

Registered
- Never change a running system
- Posts: 4398
- Thanks: 2260
Re: Mikuni 26mm not fitting on KZ650 head
21 Feb 2023 22:34 - 21 Feb 2023 22:38
I could be wrong but in my opinion you have to swap the Mikuni 26 carb bodys to the KZ650 mounting plate, so you can use the throttle cable bracket and idle screw adjuster.This to gives you more offset and space to the valve cover. Check the carb bore diameter in the 650 mounting plate first.
My 1975 Z 1 B 900 Project
www.kzrider.com/forum/11-projects/605133...ears-deep-sleep-mode
www.kzrider.com/forum/11-projects/605133...ears-deep-sleep-mode
Last edit: 21 Feb 2023 22:38 by Scirocco.
Please Log in or Create an account to join the conversation.
- kevski
-
- Offline
- User
-

Registered
- Posts: 450
- Thanks: 171
Re: Mikuni 26mm not fitting on KZ650 head
21 Feb 2023 23:00
You need the carb to head boots for the 900/1000 bikes and you have to elongate the bolt holes in them.
Please Log in or Create an account to join the conversation.
- Warren3200gt
-
- Offline
- User
-

Registered
- Posts: 1702
- Thanks: 890
Re: Mikuni 26mm not fitting on KZ650 head
21 Feb 2023 23:00 - 21 Feb 2023 23:03
Unless you have increased the size with a big bore kit there is absolutely no point in increasing the carb size on a 650. Of all the z's the 650 has the biggest carbs to engine capacity ratio.
If you have tweeked the cams/compression/ports etc then jetting changes is the way to go as vm24's have more than enough capacity to supply enough air.
Z650
Vm24 dia = 452mm sq x 4 = 1808mm sq div by 652cc = 2.77mm sq per cc.
Z900
Vm26 dia = 531mm sq x 4 = 2124mm sq div by 902cc = 2.35mm sq per cc.
Z1000
Vm26 dia = 531mm sq x 4 = 2124mm sq div by 1015 = 2.09mm sq per cc.
If you have tweeked the cams/compression/ports etc then jetting changes is the way to go as vm24's have more than enough capacity to supply enough air.
Z650
Vm24 dia = 452mm sq x 4 = 1808mm sq div by 652cc = 2.77mm sq per cc.
Z900
Vm26 dia = 531mm sq x 4 = 2124mm sq div by 902cc = 2.35mm sq per cc.
Z1000
Vm26 dia = 531mm sq x 4 = 2124mm sq div by 1015 = 2.09mm sq per cc.
Last edit: 21 Feb 2023 23:03 by Warren3200gt.
Please Log in or Create an account to join the conversation.
- sflesch94
-
Topic Author
- Offline
- User
-

Registered
- Posts: 43
- Thanks: 4
Re: Mikuni 26mm not fitting on KZ650 head
22 Feb 2023 04:27
I have the 900 boots and have modified them to fit the 650 head mounting holes. The bike has a big bore kit that’s why I am going to 26mm. I did not think about using the 24mm mount, I will have to look into that. From what I read from others, many have put these carbs on a 650 before, but no mention of interchanging parts.
Please Log in or Create an account to join the conversation.
- Mikaw
-
- Offline
- Sustaining Member
-

Registered
- Posts: 4826
- Thanks: 1851
Re: Mikuni 26mm not fitting on KZ650 head
22 Feb 2023 06:56
The 900/1000 cam cover doesn’t have the bolt at the front and back of the cam chain tunnel as yours does. That’s where your loosing clearance. As mentioned compare the 650 rack mount to the 900. Some 28 mm from 79/80 1000 have the adjuster on the bottom, same carb flange bolt pattern, that setup my help you clear that tunnel bolt.
1976 KZ 900 A4
kzrider.com/forum/11-projects/613548-1976-kz-900-a4
1976 KZ 900 B1 LTD
1978 KZ 1000 B2 LTD
1980 KZ 750 E1
Kowledge Speaks, But Wisdom Listens.
Jimi Hendrix.
1976 KZ 900 B1 LTD
1978 KZ 1000 B2 LTD
1980 KZ 750 E1
Kowledge Speaks, But Wisdom Listens.
Jimi Hendrix.
Please Log in or Create an account to join the conversation.
- zed1015
-
- Offline
- User
-

Registered
- Posts: 3208
- Thanks: 1879
Re: Mikuni 26mm not fitting on KZ650 head
22 Feb 2023 07:52 - 22 Feb 2023 07:53
If you don't want to mess about either modifying the cable bracket or rebuilding them onto a 650 backplate (if they fit and there's no other knock on effects of that) then simply space the inlet rubbers away from the head with some 10mm plate.
You can then either arrange the through holes the correct width to fit the head and the threaded holes in the plate the correct width for the rubbers or just make them fit the head and bolt straight through with the slotted 900 rubbers.
These in the pic are what i made to both move the cable bracket away from fouling the camcover bolt as you need and also to respace the rubbers to accept the wider spaced Mikuni VM32's from a 1000 Katana.
You can then either arrange the through holes the correct width to fit the head and the threaded holes in the plate the correct width for the rubbers or just make them fit the head and bolt straight through with the slotted 900 rubbers.
These in the pic are what i made to both move the cable bracket away from fouling the camcover bolt as you need and also to respace the rubbers to accept the wider spaced Mikuni VM32's from a 1000 Katana.
AIR CORRECTOR JETS FOR VM CARBS AND ETHANOL RESISTANT VITON CHOKE PLUNGER SEAL REPLACMENT FOR ALL CLASSIC AND MODERN MOTORCYCLE CARBURETTORS
www.kzrider.com/23-for-sale/611992-air-c...lide-mikunis?start=0
www.kzrider.com/23-for-sale/611992-air-c...lide-mikunis?start=0
Last edit: 22 Feb 2023 07:53 by zed1015.
Please Log in or Create an account to join the conversation.
- Mikaw
-
- Offline
- Sustaining Member
-

Registered
- Posts: 4826
- Thanks: 1851
Re: Mikuni 26mm not fitting on KZ650 head
22 Feb 2023 08:20Zed you are one talented mother f’er.If you don't want to mess about either modifying the cable bracket or rebuilding them onto a 650 backplate (if they fit and there's no other knock on effects of that) then simply space the inlet rubbers away from the head with some 10mm plate.
You can then either arrange the through holes the correct width to fit the head and the threaded holes in the plate the correct width for the rubbers or just make them fit the head and bolt straight through with the slotted 900 rubbers.
These in the pic are what i made to both move the cable bracket away from fouling the camcover bolt as you need and also to respace the rubbers to accept the wider spaced Mikuni VM32's from a 1000 Katana.
1976 KZ 900 A4
kzrider.com/forum/11-projects/613548-1976-kz-900-a4
1976 KZ 900 B1 LTD
1978 KZ 1000 B2 LTD
1980 KZ 750 E1
Kowledge Speaks, But Wisdom Listens.
Jimi Hendrix.
1976 KZ 900 B1 LTD
1978 KZ 1000 B2 LTD
1980 KZ 750 E1
Kowledge Speaks, But Wisdom Listens.
Jimi Hendrix.
Please Log in or Create an account to join the conversation.
- sflesch94
-
Topic Author
- Offline
- User
-

Registered
- Posts: 43
- Thanks: 4
Re: Mikuni 26mm not fitting on KZ650 head
22 Feb 2023 08:58
Wow this is very cool, great idea. Did you makeup some gaskets to go between your 10mm plate and the head to seal it off? I’ll have to find a local machine shop for this.
Please Log in or Create an account to join the conversation.
- zed1015
-
- Offline
- User
-

Registered
- Posts: 3208
- Thanks: 1879
Re: Mikuni 26mm not fitting on KZ650 head
22 Feb 2023 09:07 - 22 Feb 2023 09:17Yes! I make them from Flexoid gasket material.Wow this is very cool, great idea. Did you makeup some gaskets to go between your 10mm plate and the head to seal it off? I’ll have to find a local machine shop for this.
Genuine Flexoid® Gasket Paper Material - 500mm Wide Rolls - Various Thicknesses | eBay
AIR CORRECTOR JETS FOR VM CARBS AND ETHANOL RESISTANT VITON CHOKE PLUNGER SEAL REPLACMENT FOR ALL CLASSIC AND MODERN MOTORCYCLE CARBURETTORS
www.kzrider.com/23-for-sale/611992-air-c...lide-mikunis?start=0
www.kzrider.com/23-for-sale/611992-air-c...lide-mikunis?start=0
Last edit: 22 Feb 2023 09:17 by zed1015.
Please Log in or Create an account to join the conversation.
- Injected
-
- Offline
- User
-

Registered
- Posts: 1501
- Thanks: 1049
Re: Mikuni 26mm not fitting on KZ650 head
22 Feb 2023 12:50 - 22 Feb 2023 12:51
It does not look like your too much off. You could hand file some stock off the cam cover and bracket where its hitting.
I did not have to do anything to mine to get them to fit.
I did not have to do anything to mine to get them to fit.
1978 KZ650B2 w 1197cc Z1 engine
1977 KZ650B1 w 750cc Spectre engine
1979 KZ650C3 w 831cc Hot Rod engine
1978 KZ650C2 w 762cc DFI project
1977 KZ650C1 stock restoration project
1978 KZ650B2 modified project
1978 KZ650B2 Injected Drag 831cc
1980 Z1 Custom Frame Drag 1327cc
1981 Z50R Honda tow bike
1977 KZ650B1 w 750cc Spectre engine
1979 KZ650C3 w 831cc Hot Rod engine
1978 KZ650C2 w 762cc DFI project
1977 KZ650C1 stock restoration project
1978 KZ650B2 modified project
1978 KZ650B2 Injected Drag 831cc
1980 Z1 Custom Frame Drag 1327cc
1981 Z50R Honda tow bike
Last edit: 22 Feb 2023 12:51 by Injected.
Please Log in or Create an account to join the conversation.
- sflesch94
-
Topic Author
- Offline
- User
-

Registered
- Posts: 43
- Thanks: 4
Re: Mikuni 26mm not fitting on KZ650 head
22 Feb 2023 16:52
Do you have a picture showing your throttle cable mount assembly? Weird yours doesn’t hit, and I need around 1/4” of clearance.
Please Log in or Create an account to join the conversation.
Moderators: Street Fighter LTD
