Non starting Zeph11
- moizeau
-
Topic Author
- Offline
- User
-

Registered
- Posts: 46
- Thanks: 34
Non starting Zeph11
09 Feb 2026 07:48
After sitting for a few months after I did the valve clearances, balanced the carbs etc. took it on a run and parked it up. Took the battery off for the ST. I want to run the Zeph this year so put the battery on and........the loud button didn't make it loud, just turned over. Put some fuel in as it was minimal (same fuel as I use for my mower), still nowt, not even trying.
What I have done:
Checked all connections, everything electrical on the bike works a part from the starter solenoid with ticks sometimes, it has been replaced by a PO because it has 'ZZR11' written on it, so a past issue.
Checked for fuel from petrol tap in prime - OK
Checked for fuel in carbs by unscrewing the drain screws - OK
Checked for a spark with the plugs from the engine, they were damp - Not sure, could be my eyes or the daylight, seemed weak.
Checked the plugs with a sit on mower - OK
Checked +ve at coils - OK, less than 0.1V difference than batt voltage
Checked Plug leads (without caps) and secondary windings, after trimming some leads back - OK
Checked plug caps - all 5ohms - OK
Put everything back together, cough, then nothing, then cough, then a backfire, then absolutely nothing.
Checked pickup coil - OK
Checked the pinouts on the IC - nowhere near the FSM, some that should have a reading had none, some were OK. Might be my multimetre but....
Going to put new fuel in tomorrow just to take that out of the equation.
I can't understanding how an IC could just die? Do they? Nothing has been shorted at all, or unplugged with the ignition on.
After I had done the valve clearances it started on the button.
I don't want to get a new/2nd hand IC if it's not the issue. I was convinced it would be something silly. Took the headlight lense off to check the connections there, all good. Have gone through the 'what's changed since it last ran' scenario and that was a rear tyre.
Hoping new fuel sorts it but open to any ideas.
Chhers
Pete
What I have done:
Checked all connections, everything electrical on the bike works a part from the starter solenoid with ticks sometimes, it has been replaced by a PO because it has 'ZZR11' written on it, so a past issue.
Checked for fuel from petrol tap in prime - OK
Checked for fuel in carbs by unscrewing the drain screws - OK
Checked for a spark with the plugs from the engine, they were damp - Not sure, could be my eyes or the daylight, seemed weak.
Checked the plugs with a sit on mower - OK
Checked +ve at coils - OK, less than 0.1V difference than batt voltage
Checked Plug leads (without caps) and secondary windings, after trimming some leads back - OK
Checked plug caps - all 5ohms - OK
Put everything back together, cough, then nothing, then cough, then a backfire, then absolutely nothing.
Checked pickup coil - OK
Checked the pinouts on the IC - nowhere near the FSM, some that should have a reading had none, some were OK. Might be my multimetre but....
Going to put new fuel in tomorrow just to take that out of the equation.
I can't understanding how an IC could just die? Do they? Nothing has been shorted at all, or unplugged with the ignition on.
After I had done the valve clearances it started on the button.
I don't want to get a new/2nd hand IC if it's not the issue. I was convinced it would be something silly. Took the headlight lense off to check the connections there, all good. Have gone through the 'what's changed since it last ran' scenario and that was a rear tyre.
Hoping new fuel sorts it but open to any ideas.
Chhers
Pete
Please Log in or Create an account to join the conversation.
- Wookie58
-
- Offline
- Moderator
-

Registered
- Posts: 6062
- Thanks: 3801
Re: Non starting Zeph11
09 Feb 2026 08:57 - 09 Feb 2026 09:35
I would suggest you start with a wiring diagram and a piece of paper - as with any electronic module you need to check all of the "Inputs" and all of the "Outputs" make a note of the results (don't skip any of the tests) of each test then evaluate the results - if all the inputs are present (if not rectify this first) and you are missing "outputs" then the module is most likely faulty. Electronic units can fail at any time. If you post a wiring diagram and your test results I will try and advise
PS: Kawasaki's of this era use a grey wire from the ignition switch to the IC igniter as an "anti-theft" system - there is a resistor in the ignition switch that reduces the voltage on the grey wire to approx 9v - if the module see's more than this (or no signal) it assumes the bike is being "hot wired" and won't start ?
PPS: if you are cranking it to test the ignition I would shut off the fuel supply and pull the plugs - it will be easier on the battery
PS: Kawasaki's of this era use a grey wire from the ignition switch to the IC igniter as an "anti-theft" system - there is a resistor in the ignition switch that reduces the voltage on the grey wire to approx 9v - if the module see's more than this (or no signal) it assumes the bike is being "hot wired" and won't start ?
PPS: if you are cranking it to test the ignition I would shut off the fuel supply and pull the plugs - it will be easier on the battery
1982 KZ1000 Ltd
www.kzrider.com/forum/11-projects/617631...-82-begins?start=192
kzrider.com/filebase-alias?view=download...d-fault-diagnosis&ca
www.kzrider.com/forum/11-projects/617631...-82-begins?start=192
kzrider.com/filebase-alias?view=download...d-fault-diagnosis&ca
Last edit: 09 Feb 2026 09:35 by Wookie58.
Please Log in or Create an account to join the conversation.
- StreetfighterKz
-
- Offline
- User
-

Registered
- Posts: 1601
- Thanks: 199
Re: Non starting Zeph11
09 Feb 2026 09:53
Just for clarification:
The engine rotates fine but will not start?
You mentioned it was sitting? For how long and did you drain the fuel bowls before storing it?
Later, Doug
The engine rotates fine but will not start?
You mentioned it was sitting? For how long and did you drain the fuel bowls before storing it?
Later, Doug
1978 z1000 Streetfighter
1976 z900 Stripfighter
1978 Z1R (roller)
1979 z650 Resto-Mod
1983 Gpz750 Resto-Mod
2018 Z900RS
1976 z900 Stripfighter
1978 Z1R (roller)
1979 z650 Resto-Mod
1983 Gpz750 Resto-Mod
2018 Z900RS
Please Log in or Create an account to join the conversation.
- moizeau
-
Topic Author
- Offline
- User
-

Registered
- Posts: 46
- Thanks: 34
Re: Non starting Zeph11
09 Feb 2026 11:49
A few months Doug, no, floats not drained. ST was next to it, same fuel, not drained, treated fuel with Bardahl, fired stright up.
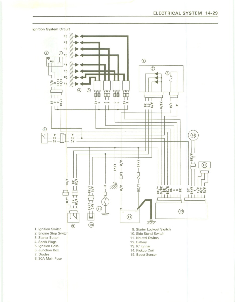
Guy, as you always preach, I'm trying to be methodical, only way with leccy. I'll post an ignition wiring diagram tomorrow.
Thanks for the replies
Guy, as you always preach, I'm trying to be methodical, only way with leccy. I'll post an ignition wiring diagram tomorrow.
Thanks for the replies
Please Log in or Create an account to join the conversation.
- moizeau
-
Topic Author
- Offline
- User
-

Registered
- Posts: 46
- Thanks: 34
Re: Non starting Zeph11
09 Feb 2026 12:39 - 09 Feb 2026 12:40
Last edit: 09 Feb 2026 12:40 by moizeau.
Please Log in or Create an account to join the conversation.
- moizeau
-
Topic Author
- Offline
- User
-

Registered
- Posts: 46
- Thanks: 34
Re: Non starting Zeph11
10 Feb 2026 09:48
Checked the grey wire, 5.8v, which I believe is good. From what I've read it's a 100ohm resistor in the ignition that should give 6v..
I'll stick new fuel in tomorrow, everythings drained right now, for a laugh, then out with the multimeter. Also although the plugs looked good on the mower they are of an unknown age / mileage.
Still trying to rack my brain on the 'what's changed' thing between it starting and not.
Just checked my photos and last time it ran was late September though it may have been more recent.
I'll stick new fuel in tomorrow, everythings drained right now, for a laugh, then out with the multimeter. Also although the plugs looked good on the mower they are of an unknown age / mileage.
Still trying to rack my brain on the 'what's changed' thing between it starting and not.
Just checked my photos and last time it ran was late September though it may have been more recent.
Please Log in or Create an account to join the conversation.
- Wookie58
-
- Offline
- Moderator
-

Registered
- Posts: 6062
- Thanks: 3801
Re: Non starting Zeph11
10 Feb 2026 09:57 - 10 Feb 2026 10:01Looks like you can move on from the ignition switch - that's one thing crossed off the listChecked the grey wire, 5.8v, which I believe is good. From what I've read it's a 100ohm resistor in the ignition that should give 6v..
I'll stick new fuel in tomorrow, everythings drained right now, for a laugh, then out with the multimeter. Also although the plugs looked good on the mower they are of an unknown age / mileage.
Still trying to rack my brain on the 'what's changed' thing between it starting and not.
Just checked my photos and last time it ran was late September though it may have been more recent.
As far as "what's changed" don't get hung up on it or you will start randomly checking things instead of being methodical - if it's an electrical/electronic issue it may have occurred the first time you switched the ignition on or the last time you switched it off !!!
PS: where did you get a current value from to calculate 6v from 100ohms or is this a test step in the manual ?
1982 KZ1000 Ltd
www.kzrider.com/forum/11-projects/617631...-82-begins?start=192
kzrider.com/filebase-alias?view=download...d-fault-diagnosis&ca
www.kzrider.com/forum/11-projects/617631...-82-begins?start=192
kzrider.com/filebase-alias?view=download...d-fault-diagnosis&ca
Last edit: 10 Feb 2026 10:01 by Wookie58.
Please Log in or Create an account to join the conversation.
- moizeau
-
Topic Author
- Offline
- User
-

Registered
- Posts: 46
- Thanks: 34
Re: Non starting Zeph11
10 Feb 2026 10:06
The 100ohm resistor thing was something I found on the net and so was the 6v. Trying to remember the triangles I learnt in physics.now. Not took the ignition apart to see what's in there but as you said seems fine.
Please Log in or Create an account to join the conversation.
- Wookie58
-
- Offline
- Moderator
-

Registered
- Posts: 6062
- Thanks: 3801
Re: Non starting Zeph11
10 Feb 2026 10:21The 100ohm resistor thing was something I found on the net and so was the 6v. Trying to remember the triangles I learnt in physics.now. Not took the ignition apart to see what's in there but as you said seems fine.
1982 KZ1000 Ltd
www.kzrider.com/forum/11-projects/617631...-82-begins?start=192
kzrider.com/filebase-alias?view=download...d-fault-diagnosis&ca
www.kzrider.com/forum/11-projects/617631...-82-begins?start=192
kzrider.com/filebase-alias?view=download...d-fault-diagnosis&ca
Please Log in or Create an account to join the conversation.
- TexasKZ
-
- Offline
- Platinum Member
-

Registered
- Posts: 8144
- Thanks: 2649
Re: Non starting Zeph11
10 Feb 2026 10:51
I vote for clogged pilot jets and circuit.
1982 KZ1000 LTD parts donor
1981 KZ1000 LTD awaiting resurrection
2000 ZRX1100 not ridden enough
www.kzrider.com/11-projects/620336-anoth...uild-thread?start=24
1981 KZ1000 LTD awaiting resurrection
2000 ZRX1100 not ridden enough
www.kzrider.com/11-projects/620336-anoth...uild-thread?start=24
Please Log in or Create an account to join the conversation.
- Wookie58
-
- Offline
- Moderator
-

Registered
- Posts: 6062
- Thanks: 3801
Re: Non starting Zeph11
10 Feb 2026 11:16
I guess a squirt of easy start in the intakes will determine fuel or ignition
1982 KZ1000 Ltd
www.kzrider.com/forum/11-projects/617631...-82-begins?start=192
kzrider.com/filebase-alias?view=download...d-fault-diagnosis&ca
www.kzrider.com/forum/11-projects/617631...-82-begins?start=192
kzrider.com/filebase-alias?view=download...d-fault-diagnosis&ca
Please Log in or Create an account to join the conversation.
- Nerdy
-
- Offline
- Sustaining Member
-

Registered
- Posts: 1131
- Thanks: 466
Re: Non starting Zeph11
10 Feb 2026 13:161967 Yamaha YCS1 Bonanza
1980 KZ440B
1981 Yamaha XT250H
1981 KZ440 LTD project bike
1981 GPz550
2013 Yamaha FZ6R
The following user(s) said Thank You: Wookie58
Please Log in or Create an account to join the conversation.
Moderators: Street Fighter LTD
