Get RPM reading working for display KOZO RX2N
- gordone
-
Topic Author
- Offline
- Sustaining Member
-

Registered
- Posts: 1533
- Thanks: 93
Get RPM reading working for display KOZO RX2N
08 Oct 2025 04:31
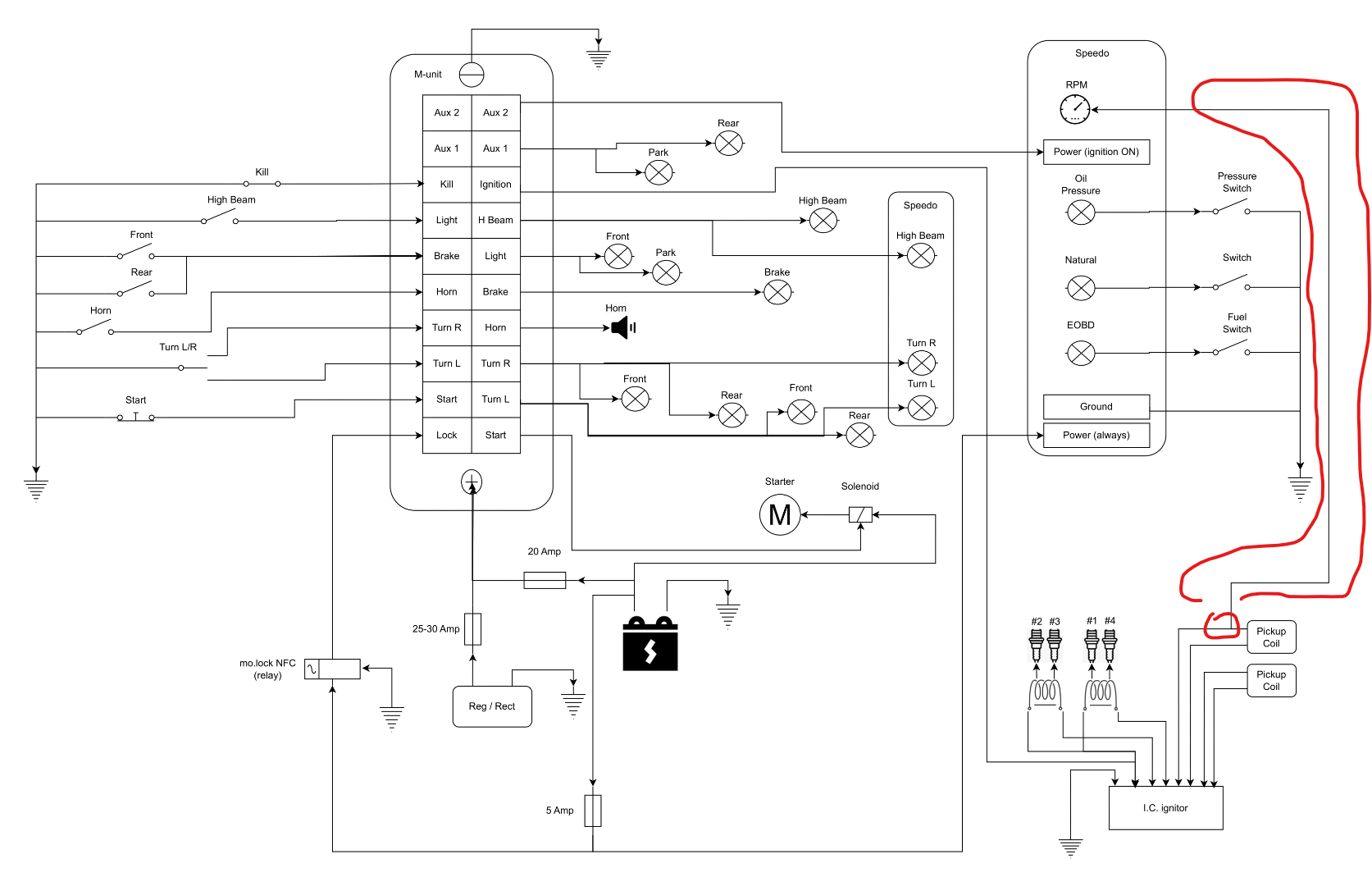
Hi,I’ve upgraded my electrical system (
Wiring diagram with munit - REVIEW - KZRider Forum - KZRider, KZ, Z1 & Z Motorcycle Enthusiast's Forum
), and the last thing left is to get the RPM working.I’ve spliced a cable from one of the pickup sensors and tried connecting it to the RPM input on the speedometer, but without any success.Scirocco recommended the following:
“The noisy speedo signal could be tricky and could end up with a jumping needle — don’t ask how I know it…
An ABS signal converter connected to one of the ignition pickups was my final cure.”
My question is: would this unit work to fix the signal?
DUAL STEP-UP STEP-DOWN SINE-TO-SQUARE DIGITAL SIGNAL CONVERTER, 0.8V Trigger | eBay
Electrical diagram from my bike:
Manual from the display:
Thank you for your input !
“The noisy speedo signal could be tricky and could end up with a jumping needle — don’t ask how I know it…
An ABS signal converter connected to one of the ignition pickups was my final cure.”
My question is: would this unit work to fix the signal?
DUAL STEP-UP STEP-DOWN SINE-TO-SQUARE DIGITAL SIGNAL CONVERTER, 0.8V Trigger | eBay
Electrical diagram from my bike:
Manual from the display:
Thank you for your input !
1981 KZ650-D4, with 1981 z750L engine (Wiensco 810 big bore).
Project:
www.kzrider.com/forum/11-projects/607213...sr-1981-z750l-engine
Project:
www.kzrider.com/forum/11-projects/607213...sr-1981-z750l-engine
Please Log in or Create an account to join the conversation.
- Wookie58
-
- Offline
- Moderator
-

Registered
- Posts: 6099
- Thanks: 3840
Re: Get RPM reading working for display KOZO RX2N
08 Oct 2025 05:02
Have you tried "all" the options in the fitting instructions (I find it hard to believe you need to fit additional components not mentioned in the fitting instructions) - What do Koso say ?
1982 KZ1000 Ltd
www.kzrider.com/forum/11-projects/617631...-82-begins?start=192
kzrider.com/filebase-alias?view=download...d-fault-diagnosis&ca
www.kzrider.com/forum/11-projects/617631...-82-begins?start=192
kzrider.com/filebase-alias?view=download...d-fault-diagnosis&ca
Please Log in or Create an account to join the conversation.
- gordone
-
Topic Author
- Offline
- Sustaining Member
-

Registered
- Posts: 1533
- Thanks: 93
Re: Get RPM reading working for display KOZO RX2N
08 Oct 2025 05:10I have tried the following:Have you tried "all" the options in the fitting instructions (I find it hard to believe you need to fit additional components not mentioned in the fitting instructions) - What do Koso say ?
- Connected the wire to the cable going to one of the coils — no RPM reading as a result.
- Wrapped the wire around one of the spark plug cables — got a noisy RPM signal.
1981 KZ650-D4, with 1981 z750L engine (Wiensco 810 big bore).
Project:
www.kzrider.com/forum/11-projects/607213...sr-1981-z750l-engine
Project:
www.kzrider.com/forum/11-projects/607213...sr-1981-z750l-engine
Please Log in or Create an account to join the conversation.
- Wookie58
-
- Offline
- Moderator
-

Registered
- Posts: 6099
- Thanks: 3840
Re: Get RPM reading working for display KOZO RX2N
08 Oct 2025 05:17
It may or may not (I would take advise from Koso if they respond) what spark plugs are you running - are they "R" type as specified by Koso
1982 KZ1000 Ltd
www.kzrider.com/forum/11-projects/617631...-82-begins?start=192
kzrider.com/filebase-alias?view=download...d-fault-diagnosis&ca
www.kzrider.com/forum/11-projects/617631...-82-begins?start=192
kzrider.com/filebase-alias?view=download...d-fault-diagnosis&ca
Please Log in or Create an account to join the conversation.
- gordone
-
Topic Author
- Offline
- Sustaining Member
-

Registered
- Posts: 1533
- Thanks: 93
Re: Get RPM reading working for display KOZO RX2N
08 Oct 2025 05:42 - 08 Oct 2025 05:43I can try to contact them again, but I didn’t get the impression they wanted to help earlier.Zero resistors in the spark plug and cap — that’s the advice from the forum to get the best possible spark.It may or may not (I would take advise from Koso if they respond) what spark plugs are you running - are they "R" type as specified by Koso
I’ll take the chance and order the device to test it. I’ll first try connecting it to the pickup sensor, and if that doesn’t work, I’ll try connecting it to the coil supply and see what happens.
1981 KZ650-D4, with 1981 z750L engine (Wiensco 810 big bore).
Project:
www.kzrider.com/forum/11-projects/607213...sr-1981-z750l-engine
Project:
www.kzrider.com/forum/11-projects/607213...sr-1981-z750l-engine
Last edit: 08 Oct 2025 05:43 by gordone.
Please Log in or Create an account to join the conversation.
- Wookie58
-
- Offline
- Moderator
-

Registered
- Posts: 6099
- Thanks: 3840
Re: Get RPM reading working for display KOZO RX2N
08 Oct 2025 06:40Un-supressed ignition will give the best spark on a carb motor with basic ignition "however" once you introduce electronics (M-unit, Koso gauge etc) un-supressed ignition can cause interference - This may not be the only issue but there is a reason why the below "troubleshooting guide" in your Koso instruction manual specifies "R" type plugs !!!!!!!I can try to contact them again, but I didn’t get the impression they wanted to help earlier. Zero resistors in the spark plug and cap — that’s the advice from the forum to get the best possible spark.It may or may not (I would take advise from Koso if they respond) what spark plugs are you running - are they "R" type as specified by Koso
I’ll take the chance and order the device to test it. I’ll first try connecting it to the pickup sensor, and if that doesn’t work, I’ll try connecting it to the coil supply and see what happens.
1982 KZ1000 Ltd
www.kzrider.com/forum/11-projects/617631...-82-begins?start=192
kzrider.com/filebase-alias?view=download...d-fault-diagnosis&ca
www.kzrider.com/forum/11-projects/617631...-82-begins?start=192
kzrider.com/filebase-alias?view=download...d-fault-diagnosis&ca
Please Log in or Create an account to join the conversation.
- Injected
-
- Offline
- User
-

Registered
- Posts: 1606
- Thanks: 1149
Re: Get RPM reading working for display KOZO RX2N
08 Oct 2025 07:40
I have only ever installed two digital tachs and they always were hooked up to a coil NEG post. I only see coil POS on those instructions, but don't believe that would work as even newer Kawi digital tachs use coil NEG to get the signal pulse.
I would take Wookie58's advice and re read the trouble shooting guide.
No harm in running one resistor off the coils (spark plug or wire) you won't be able to tell the difference performance wise.
I would take Wookie58's advice and re read the trouble shooting guide.
No harm in running one resistor off the coils (spark plug or wire) you won't be able to tell the difference performance wise.
1978 KZ650B2 w 1197cc Z1 engine
1977 KZ650B1 w 750cc Spectre engine
1979 KZ650C3 w 831cc Hot Rod engine
1978 KZ650C2 w 762cc DFI project
1977 KZ650C1 stock restoration project
1978 KZ650B2 modified project
1978 KZ650B2 Injected Drag 831cc
1980 Z1 Custom Frame Drag 1327cc
1981 Z50R Honda tow bike
1977 KZ650B1 w 750cc Spectre engine
1979 KZ650C3 w 831cc Hot Rod engine
1978 KZ650C2 w 762cc DFI project
1977 KZ650C1 stock restoration project
1978 KZ650B2 modified project
1978 KZ650B2 Injected Drag 831cc
1980 Z1 Custom Frame Drag 1327cc
1981 Z50R Honda tow bike
Please Log in or Create an account to join the conversation.
- Wookie58
-
- Offline
- Moderator
-

Registered
- Posts: 6099
- Thanks: 3840
Re: Get RPM reading working for display KOZO RX2N
08 Oct 2025 07:55It is strange that the instruction specifies the "positive" on the coil as this will only fluctuate a little "on" and "off" load - the Neg or "switched side" gives a much clearer signal (the GPZ1100 igniter I'm using on my build has the tach wire coming from the igniter unit which again would suggest "Neg" or pick-up coil)I have only ever installed two digital tachs and they always were hooked up to a coil NEG post. I only see coil POS on those instructions, but don't believe that would work as even newer Kawi digital tachs use coil NEG to get the signal pulse.
I would take Wookie58's advice and re read the trouble shooting guide.
No harm in running one resistor off the coils (spark plug or wire) you won't be able to tell the difference performance wise.
1982 KZ1000 Ltd
www.kzrider.com/forum/11-projects/617631...-82-begins?start=192
kzrider.com/filebase-alias?view=download...d-fault-diagnosis&ca
www.kzrider.com/forum/11-projects/617631...-82-begins?start=192
kzrider.com/filebase-alias?view=download...d-fault-diagnosis&ca
The following user(s) said Thank You: Injected
Please Log in or Create an account to join the conversation.
- F64
-
- Offline
- User
-

Registered
- 81-KZ440D2
- Posts: 1149
- Thanks: 417
Re: Get RPM reading working for display KOZO RX2N
11 Oct 2025 21:22 - 12 Oct 2025 00:37
This item that I just purchased may help you.
gkgoodcheapparts.com/products/bta-tach-adaptor
I need to try it out first. So don't buy one yet.
It's funny Gordone---you linked to another device on ebay by Widget Man.
He has some interesting devices.
I'm tired of my tach needle bouncing after 5000rpm.
I bought an used Autometer Pro Comp tach. Unfortunately, the tach may be only for 8 cylinder cars.. hence the tach adapter I bought.
I'm going to pull my tach signal off of my alternator and just set the adapter for 3 input pulses to 1 output. You can set different ratios between input signal and output signal.
gkgoodcheapparts.com/products/bta-tach-adaptor
I need to try it out first. So don't buy one yet.
It's funny Gordone---you linked to another device on ebay by Widget Man.
He has some interesting devices.
I'm tired of my tach needle bouncing after 5000rpm.
I bought an used Autometer Pro Comp tach. Unfortunately, the tach may be only for 8 cylinder cars.. hence the tach adapter I bought.
I'm going to pull my tach signal off of my alternator and just set the adapter for 3 input pulses to 1 output. You can set different ratios between input signal and output signal.
81-KZ440-D2.
Louis Dudzik's GM HEI ignitor conversion installed 2015 s3.amazonaws.com/gpzweb/Ignition/GPZgmHEImod.html
Motogadget m-unit blue installed 2017.
LIC, NY
Louis Dudzik's GM HEI ignitor conversion installed 2015 s3.amazonaws.com/gpzweb/Ignition/GPZgmHEImod.html
Motogadget m-unit blue installed 2017.
LIC, NY
Last edit: 12 Oct 2025 00:37 by F64.
The following user(s) said Thank You: gordone, Wookie58
Please Log in or Create an account to join the conversation.
- gordone
-
Topic Author
- Offline
- Sustaining Member
-

Registered
- Posts: 1533
- Thanks: 93
Re: Get RPM reading working for display KOZO RX2N
12 Oct 2025 04:26
Looking forward to hear how its working for you.
will give feedback on my results also
will give feedback on my results also
1981 KZ650-D4, with 1981 z750L engine (Wiensco 810 big bore).
Project:
www.kzrider.com/forum/11-projects/607213...sr-1981-z750l-engine
Project:
www.kzrider.com/forum/11-projects/607213...sr-1981-z750l-engine
Please Log in or Create an account to join the conversation.
- F64
-
- Offline
- User
-

Registered
- 81-KZ440D2
- Posts: 1149
- Thanks: 417
Re: Get RPM reading working for display KOZO RX2N
19 Oct 2025 00:55
My rpm device works great in my situation.
I would throw a resistor on your plugs or caps.
The m-unit does not like the interference.
My m-unit bluetooth function didn't work when I wasn't running any resistors.
Once the bike fired up the phone couldn't see the m-unit.
You can wire your tach to coil negative.
It says that at the bottom of the instructions.
I would get resistor caps(or get resistor spark plugs) and wire the tach to coil negative.
No need to buy the device I purchased.
I would throw a resistor on your plugs or caps.
The m-unit does not like the interference.
My m-unit bluetooth function didn't work when I wasn't running any resistors.
Once the bike fired up the phone couldn't see the m-unit.
You can wire your tach to coil negative.
It says that at the bottom of the instructions.
I would get resistor caps(or get resistor spark plugs) and wire the tach to coil negative.
No need to buy the device I purchased.
81-KZ440-D2.
Louis Dudzik's GM HEI ignitor conversion installed 2015 s3.amazonaws.com/gpzweb/Ignition/GPZgmHEImod.html
Motogadget m-unit blue installed 2017.
LIC, NY
Louis Dudzik's GM HEI ignitor conversion installed 2015 s3.amazonaws.com/gpzweb/Ignition/GPZgmHEImod.html
Motogadget m-unit blue installed 2017.
LIC, NY
The following user(s) said Thank You: Wookie58
Please Log in or Create an account to join the conversation.
- bry195
-
- Offline
- User
-

Registered
- Posts: 64
- Thanks: 26
Re: Get RPM reading working for display KOZO RX2N
19 Oct 2025 06:25
It would be helpful if you asked the MFG what the signal should look like. 3v-12v square wave? then you can figure out what it takes to achieve that. Measure the signal to the igniter and calculate the resistor that gets you what you want.
Please Log in or Create an account to join the conversation.
Moderators: Street Fighter LTD
