Intermittent dead short while starting
- 84_GPz750
-
Topic Author
- Offline
- User
-

Registered
- Posts: 57
- Thanks: 18
Re: Intermittent dead short while starting
05 Aug 2025 18:31
Alright, I received a used but stock reg/rec over the weekend. Monday morning I plugged it into the harness and pressed the start button. I had my multimeter leads attached to the battery terminals. Motorcycle turned over for a few seconds and battery voltage dropped below 5V (started around 12.6V). Same issue I had with the various lithium iron batteries but the first time with the AGM.... Charged the battery up for a few hours and tried again to see if the overcharging was still present.
Bike kicked over right away but I could still hear the starter motor engaged after it was running and I let go of the start button. Knocked on the starter solenoid a few times and it stopped (this is new as of July 12th). Looked over at the multimeter and the voltage reading on the terminals was climbing, although not as quickly, but once it crossed 15V I shut it down. Is there a way to determine if its an issue with the ground from the reg/rec or the sense voltage? Short of unwrapping all of the electrical tape on the harness going to the fuse panel from the reg/rec, my only idea is to temporarily connect a wire directly from the + terminal of the battery to the same pin as the brown wire and insulate that to avoid arcing.
Is this a sound test or do you guys have another suggestion? I feel like giving up on it at this point but with the time and money I've spent working on it I really want to see it through.
Bike kicked over right away but I could still hear the starter motor engaged after it was running and I let go of the start button. Knocked on the starter solenoid a few times and it stopped (this is new as of July 12th). Looked over at the multimeter and the voltage reading on the terminals was climbing, although not as quickly, but once it crossed 15V I shut it down. Is there a way to determine if its an issue with the ground from the reg/rec or the sense voltage? Short of unwrapping all of the electrical tape on the harness going to the fuse panel from the reg/rec, my only idea is to temporarily connect a wire directly from the + terminal of the battery to the same pin as the brown wire and insulate that to avoid arcing.
Is this a sound test or do you guys have another suggestion? I feel like giving up on it at this point but with the time and money I've spent working on it I really want to see it through.
Please Log in or Create an account to join the conversation.
- Wookie58
-
- Offline
- Moderator
-

Registered
- Posts: 5803
- Thanks: 3620
Re: Intermittent dead short while starting
06 Aug 2025 01:12Alright, I received a used but stock reg/rec over the weekend. Monday morning I plugged it into the harness and pressed the start button. I had my multimeter leads attached to the battery terminals. Motorcycle turned over for a few seconds and battery voltage dropped below 5V (started around 12.6V). Same issue I had with the various lithium iron batteries but the first time with the AGM.... Charged the battery up for a few hours and tried again to see if the overcharging was still present. did you do the resistance check I advised on the starter to check for "shorts" in the armature ?
Bike kicked over right away but I could still hear the starter motor engaged after it was running and I let go of the start button. Knocked on the starter solenoid a few times and it stopped (this is new as of July 12th) The solenoid will only stay engaged if it is getting voltage from the starter button or it has a mechanical defect. where did it come from (can you re-fit the old one, rust on the outside won't effect how it functions) Looked over at the multimeter and the voltage reading on the terminals was climbing, although not as quickly, but once it crossed 15V I shut it down. Is there a way to determine if its an issue with the ground from the reg/rec or the sense voltage? I assume this is a six wire R/R ? the sensing wire is the brown ignition live which should read within 0.5v of battery voltage with the engine running. You can check the ground by connecting your black meter lead to battery ground and red meter lead to ground wire at R/R - should be no more than 0.3v with the engine running. Short of unwrapping all of the electrical tape on the harness going to the fuse panel from the reg/rec, There is no point in untaping a loom unless you have diagnosed a fault between two accessible points my only idea is to temporarily connect a wire directly from the + terminal of the battery to the same pin as the brown wire and insulate that to avoid arcing. The advised voltage check will confirm if there is any point in doing this
Is this a sound test or do you guys have another suggestion? Have you tested the stator as per the FSM (a bad stator will damage R/R's) I feel like giving up on it at this point but with the time and money I've spent working on it I really want to see it through. Take the advice and don't give up
1982 KZ1000 Ltd
www.kzrider.com/forum/11-projects/617631...-82-begins?start=192
kzrider.com/filebase-alias?view=download...d-fault-diagnosis&ca
www.kzrider.com/forum/11-projects/617631...-82-begins?start=192
kzrider.com/filebase-alias?view=download...d-fault-diagnosis&ca
The following user(s) said Thank You: 84_GPz750
Please Log in or Create an account to join the conversation.
- 84_GPz750
-
Topic Author
- Offline
- User
-

Registered
- Posts: 57
- Thanks: 18
Re: Intermittent dead short while starting
06 Aug 2025 11:30
Thanks @Wookie58 here are the answers to your questions. Another issue I'm having is a lack of time to work on this thing. Say the starter motor armature is bad, a new one is $600 and I'd almost rather spend the money on new parts than have a week go by where I've had one hour total to work on it and another week having not been able to ride. But that's besides the point..
did you do the resistance check I advised on the starter to check for "shorts" in the armature ?
No, I had disassembled the starter and gave it a good cleaning and checked the brushes. Polished up the armature and had reassembled.
The solenoid will only stay engaged if it is getting voltage from the starter button or it has a mechanical defect. where did it come from (can you re-fit the old one, rust on the outside won't effect how it functions)
The starter solenoid came from Ricks Motorsports Electrics. I have a second RH bar controls I could plug in and see if the same thing happens with that starter button.
I assume this is a six wire R/R ? the sensing wire is the brown ignition live which should read within 0.5v of battery voltage with the engine running. You can check the ground by connecting your black meter lead to battery ground and red meter lead to ground wire at R/R - should be no more than 0.3v with the engine running.
Thanks, and you are correct it is the 6 wire. When you say red meter lead to ground wire, is that with the R/R unplugged from the harness or is there some way I can get the lead onto the terminal inside the connector while plugged in?
Have you tested the stator as per the FSM (a bad stator will damage R/R's)
I have not, I will take a look at the manual and procedure.
did you do the resistance check I advised on the starter to check for "shorts" in the armature ?
No, I had disassembled the starter and gave it a good cleaning and checked the brushes. Polished up the armature and had reassembled.
The solenoid will only stay engaged if it is getting voltage from the starter button or it has a mechanical defect. where did it come from (can you re-fit the old one, rust on the outside won't effect how it functions)
The starter solenoid came from Ricks Motorsports Electrics. I have a second RH bar controls I could plug in and see if the same thing happens with that starter button.
I assume this is a six wire R/R ? the sensing wire is the brown ignition live which should read within 0.5v of battery voltage with the engine running. You can check the ground by connecting your black meter lead to battery ground and red meter lead to ground wire at R/R - should be no more than 0.3v with the engine running.
Thanks, and you are correct it is the 6 wire. When you say red meter lead to ground wire, is that with the R/R unplugged from the harness or is there some way I can get the lead onto the terminal inside the connector while plugged in?
Have you tested the stator as per the FSM (a bad stator will damage R/R's)
I have not, I will take a look at the manual and procedure.
Please Log in or Create an account to join the conversation.
- Wookie58
-
- Offline
- Moderator
-

Registered
- Posts: 5803
- Thanks: 3620
Re: Intermittent dead short while starting
06 Aug 2025 12:34Thanks @Wookie58 here are the answers to your questions. Another issue I'm having is a lack of time to work on this thing. Say the starter motor armature is bad, a new one is $600 and I'd almost rather spend the money on new parts than have a week go by where I've had one hour total to work on it and another week having not been able to ride. But that's besides the point..
did you do the resistance check I advised on the starter to check for "shorts" in the armature ?
No, I had disassembled the starter and gave it a good cleaning and checked the brushes. Polished up the armature and had reassembled. Worth doing the test and if it shows a fault get a price from Ricks for a re-wind (comes with a 2 year guarantee)
The solenoid will only stay engaged if it is getting voltage from the starter button or it has a mechanical defect. where did it come from (can you re-fit the old one, rust on the outside won't effect how it functions)
The starter solenoid came from Ricks Motorsports Electrics. I have a second RH bar controls I could plug in and see if the same thing happens with that starter button. No need, you can connect your voltmeter into the solenoid feed. The meter will show if the button is sticking (or the solenoid is getting voltage from elsewhere)
I assume this is a six wire R/R ? the sensing wire is the brown ignition live which should read within 0.5v of battery voltage with the engine running. You can check the ground by connecting your black meter lead to battery ground and red meter lead to ground wire at R/R - should be no more than 0.3v with the engine running.
Thanks, and you are correct it is the 6 wire. When you say red meter lead to ground wire, is that with the R/R unplugged from the harness or is there some way I can get the lead onto the terminal inside the connector while plugged in? All voltage measurements should be taken with everything plugged in and the circuit operational (you should be able to get your meter probe into the back of the connector plug)
Have you tested the stator as per the FSM (a bad stator will damage R/R's)
I have not, I will take a look at the manual and procedure. Perfect
1982 KZ1000 Ltd
www.kzrider.com/forum/11-projects/617631...-82-begins?start=192
kzrider.com/filebase-alias?view=download...d-fault-diagnosis&ca
www.kzrider.com/forum/11-projects/617631...-82-begins?start=192
kzrider.com/filebase-alias?view=download...d-fault-diagnosis&ca
Please Log in or Create an account to join the conversation.
- 84_GPz750
-
Topic Author
- Offline
- User
-

Registered
- Posts: 57
- Thanks: 18
Re: Intermittent dead short while starting
07 Aug 2025 11:59 - 07 Aug 2025 15:05
Alright @Wookie58 I was able to get just a bit of time in the garage this morning.
First measured voltage between -battery and ground wire on the R/R plug, read around -.15V. Next did +battery to brown sense wire and only read around .5V.
Then de-pinned the sense wire from the R/R harness and temped a wire with an eyelet from the + batt terminal to the brown wire connection and started it up. Voltage came up from around 12.3V and remained steady at 14.4V. While the motorcycle was running with the temporary voltage sense wire, I measured the voltage on the brown wire again and still had .5V. So the issue is the sense wire. Now to figure out why.
Just looked over the wiring diagram again and had an AH HA moment. Months ago I had issues not having the brake light switches working so I wired in hydraulic switches and spliced into the brown power from the ignition switch since it had a bullet connector and I could easily test them. SO I have no voltage on the brown/white wire. Guess its time to start cutting the electrical tape..
First measured voltage between -battery and ground wire on the R/R plug, read around -.15V. Next did +battery to brown sense wire and only read around .5V.
Then de-pinned the sense wire from the R/R harness and temped a wire with an eyelet from the + batt terminal to the brown wire connection and started it up. Voltage came up from around 12.3V and remained steady at 14.4V. While the motorcycle was running with the temporary voltage sense wire, I measured the voltage on the brown wire again and still had .5V. So the issue is the sense wire. Now to figure out why.
Just looked over the wiring diagram again and had an AH HA moment. Months ago I had issues not having the brake light switches working so I wired in hydraulic switches and spliced into the brown power from the ignition switch since it had a bullet connector and I could easily test them. SO I have no voltage on the brown/white wire. Guess its time to start cutting the electrical tape..
Last edit: 07 Aug 2025 15:05 by 84_GPz750. Reason: Confusion on wiring diagram cleared up.
The following user(s) said Thank You: Wookie58
Please Log in or Create an account to join the conversation.
- 84_GPz750
-
Topic Author
- Offline
- User
-

Registered
- Posts: 57
- Thanks: 18
Re: Intermittent dead short while starting
07 Aug 2025 20:35
Got home from work and did some metering. Voltage at brown/white wire at the fuse panel plug reading .4-.5V. Not knowing the circuitry within the fuse panel, and having no fuses blown, should I grab a used fuse panel?
Please Log in or Create an account to join the conversation.
- Wookie58
-
- Offline
- Moderator
-

Registered
- Posts: 5803
- Thanks: 3620
Re: Intermittent dead short while starting
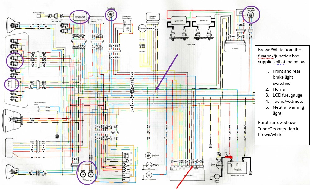
08 Aug 2025 02:30 - 08 Aug 2025 02:33The brown/white from the fuse panel/junction-box is a main ignition live and feeds everything in the "panel" on the below diagram. Unless "all" those things don't work the problem is not the panel !!Got home from work and did some metering. Voltage at brown/white wire at the fuse panel plug reading .4-.5V. Not knowing the circuitry within the fuse panel, and having no fuses blown, should I grab a used fuse panel? - NO
Something isn't making sense here - when you check voltage from battery positive to the positive side of any consumer you are simply measuring the "difference" in voltage between the battery and the consumer (loses through the circuit) therefore your readings of 0.4 - 0.5v indicate the circuit is good (0.5v is the "maximum" volt drop you would expect in a healthy circuit - any more would indicate a resistance fault)
However your jumper wire correcting the charge rate suggests a problem in the brown/white circuit (don't want to offend but can you confirm when you measured the brown/white at the RR that the voltmeter was on "DC" volts not "AC")
If everything else on the brown/white circuit if functioning correctly I would suspect a problem with the crimped connection in the loom (purple arrow on diagram). Since the RR is only looking for voltage the current in this line is minimal therefore rather than chopping into the loom you could "loop" the brown/white for the RR to another brown/white supplying a consumer that is working (needs to be ignition fed or it will drain the battery when parked up)
1982 KZ1000 Ltd
www.kzrider.com/forum/11-projects/617631...-82-begins?start=192
kzrider.com/filebase-alias?view=download...d-fault-diagnosis&ca
www.kzrider.com/forum/11-projects/617631...-82-begins?start=192
kzrider.com/filebase-alias?view=download...d-fault-diagnosis&ca
Last edit: 08 Aug 2025 02:33 by Wookie58.
The following user(s) said Thank You: Gdizard
Please Log in or Create an account to join the conversation.
- 84_GPz750
-
Topic Author
- Offline
- User
-

Registered
- Posts: 57
- Thanks: 18
Re: Intermittent dead short while starting
08 Aug 2025 11:51Good info @Wookie58. I misspoke on one of my earlier posts about having power on one of the legs of the brown/white wire. I actually split off the SOLID brown wire coming from the ignition switch to power hydraulic brake switches. I believe this brown/white wire coming out of the fuse box IS my issue.The brown/white from the fuse panel/junction-box is a main ignition live and feeds everything in the "panel" on the below diagram. Unless "all" those things don't work the problem is not the panel !!Got home from work and did some metering. Voltage at brown/white wire at the fuse panel plug reading .4-.5V. Not knowing the circuitry within the fuse panel, and having no fuses blown, should I grab a used fuse panel? - NO
Something isn't making sense here - when you check voltage from battery positive to the positive side of any consumer you are simply measuring the "difference" in voltage between the battery and the consumer (loses through the circuit) therefore your readings of 0.4 - 0.5v indicate the circuit is good (0.5v is the "maximum" volt drop you would expect in a healthy circuit - any more would indicate a resistance fault) The tests I performed last night were from battery - to the brown/white wire coming out of the fuse panel. With ignition on, I understand I should see battery voltage here.
However your jumper wire correcting the charge rate suggests a problem in the brown/white circuit (don't want to offend but can you confirm when you measured the brown/white at the RR that the voltmeter was on "DC" volts not "AC")
If everything else on the brown/white circuit if functioning correctly I would suspect a problem with the crimped connection in the loom (purple arrow on diagram). Since the RR is only looking for voltage the current in this line is minimal therefore rather than chopping into the loom you could "loop" the brown/white for the RR to another brown/white supplying a consumer that is working (needs to be ignition fed or it will drain the battery when parked up)
I have no horns, no fuel LCD, no tach light or operation, and neither brake light switch works. I never looked at them all as being caused from the same issue and attributed it to old motorcycle issues that I hadn't gotten to yet. I have been more focused on getting the engine up and running but now that it is and I understand the wiring better it seems those issues are all from no voltage on the brown/white wire. I metered the horn leg of the brown/white wire to engine ground and had no voltage either just to be sure. I found another used fuse panel online for $25 and it is on its way to me now. The fuse panel installed currently did not appear to be in bad shape but obviously something isn't happy.
The following user(s) said Thank You: Wookie58
Please Log in or Create an account to join the conversation.
- Wookie58
-
- Offline
- Moderator
-

Registered
- Posts: 5803
- Thanks: 3620
Re: Intermittent dead short while starting
08 Aug 2025 12:01 - 08 Aug 2025 12:03
With the additional info and clarification on the test you performed it does indeed seem like a junction box problem (thought I was going mad
) when it comes to elec fault finding you can often save a lot of frustration by looking for "common denominators" (what else is being effected)
1982 KZ1000 Ltd
www.kzrider.com/forum/11-projects/617631...-82-begins?start=192
kzrider.com/filebase-alias?view=download...d-fault-diagnosis&ca
www.kzrider.com/forum/11-projects/617631...-82-begins?start=192
kzrider.com/filebase-alias?view=download...d-fault-diagnosis&ca
Last edit: 08 Aug 2025 12:03 by Wookie58.
The following user(s) said Thank You: 84_GPz750
Please Log in or Create an account to join the conversation.
- 84_GPz750
-
Topic Author
- Offline
- User
-

Registered
- Posts: 57
- Thanks: 18
Re: Intermittent dead short while starting
08 Aug 2025 12:28I didn’t have the best explanations on some of my posts to I appreciate you sticking around to help! Now I wait to get this panel and hook it up. We’ll see how it turns out!With the additional info and clarification on the test you performed it does indeed seem like a junction box problem (thought I was going mad) when it comes to elec fault finding you can often save a lot of frustration by looking for "common denominators" (what else is being effected)
The following user(s) said Thank You: Wookie58
Please Log in or Create an account to join the conversation.
- 84_GPz750
-
Topic Author
- Offline
- User
-

Registered
- Posts: 57
- Thanks: 18
Re: Intermittent dead short while starting
13 Aug 2025 12:59
Thrilled to report that the new to me fuse panel arrived yesterday afternoon, I got it installed last night and now all devices who's power is received via the brown/white wire are now operational! That as well as the battery overcharging issue seem to finally be put to rest. Now to reverse a few small temporary items I did while troubleshooting and we should be set for a short maiden voyage.
The following user(s) said Thank You: Wookie58, kimchella
Please Log in or Create an account to join the conversation.
- TexasKZ
-
- Offline
- Platinum Member
-

Registered
- Posts: 8112
- Thanks: 2637
Re: Intermittent dead short while starting
13 Aug 2025 13:59
Yeeeehaaaaaw!
1982 KZ1000 LTD parts donor
1981 KZ1000 LTD awaiting resurrection
2000 ZRX1100 not ridden enough
www.kzrider.com/11-projects/620336-anoth...uild-thread?start=24
1981 KZ1000 LTD awaiting resurrection
2000 ZRX1100 not ridden enough
www.kzrider.com/11-projects/620336-anoth...uild-thread?start=24
Please Log in or Create an account to join the conversation.
Moderators: Street Fighter LTD
