KZ650 - Question about Ignition/Coils - strange Problem
- F64
-
- Offline
- User
-

Registered
- 81-KZ440D2
- Posts: 1149
- Thanks: 417
Re: KZ650 - Question about Ignition/Coils - strange Problem
06 Sep 2022 14:49 - 06 Sep 2022 21:14
Check your M-unit app(mo.ride) to see if you pulled too much current on the ignition output. The app should tell you if you tripped the circuit breaker.
To have both coils shut down seems strange.
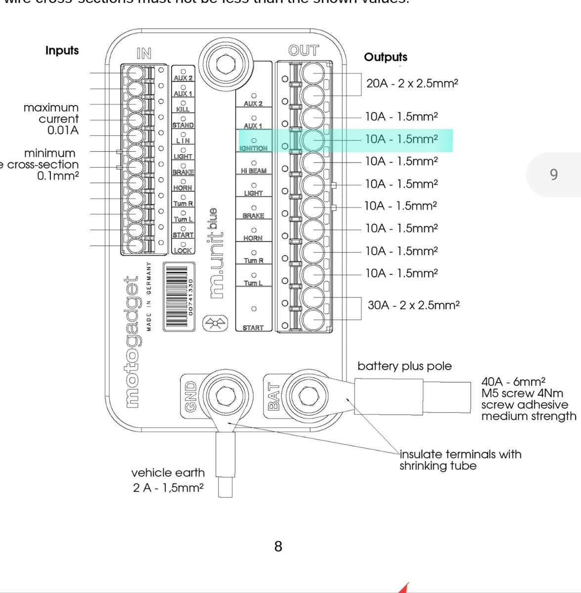
Start the bike and look in the app to see how much current you are pulling.The M-unit ignition output is rated for 10amps.
Your green 3-ohm coils are wired in parallel which gives the circuit 1.5ohms.
14.2volts and 1.5ohms draws 9.5amps when both coils are charging. If the Accent is on the same circuit, you would be over 10amps.
To have both coils shut down seems strange.
Start the bike and look in the app to see how much current you are pulling.The M-unit ignition output is rated for 10amps.
Your green 3-ohm coils are wired in parallel which gives the circuit 1.5ohms.
14.2volts and 1.5ohms draws 9.5amps when both coils are charging. If the Accent is on the same circuit, you would be over 10amps.
81-KZ440-D2.
Louis Dudzik's GM HEI ignitor conversion installed 2015 s3.amazonaws.com/gpzweb/Ignition/GPZgmHEImod.html
Motogadget m-unit blue installed 2017.
LIC, NY
Louis Dudzik's GM HEI ignitor conversion installed 2015 s3.amazonaws.com/gpzweb/Ignition/GPZgmHEImod.html
Motogadget m-unit blue installed 2017.
LIC, NY
Last edit: 06 Sep 2022 21:14 by F64.
The following user(s) said Thank You: Womtong
Please Log in or Create an account to join the conversation.
- Womtong
-
Topic Author
- Offline
- User
-

Registered
- Posts: 53
- Thanks: 6
Re: KZ650 - Question about Ignition/Coils - strange Problem
06 Sep 2022 23:10
Many thanks Sir!
Beside of that, Motogadget App has reported no failure, your calculation is quite interesting.
I had before a long time a cut off during full reving at high rpms - means at full load. If the voltage is then little more, i am absolute over 10 Amps.
This could be the key to that problems! Only strange that the MoUnit was not able to detect the failure....
However, if i calculate with the new coils (5 Ohm), i will stay on a much safer AMP Range, am i right?
What is your suggestion to proceed?
Greetings!
Beside of that, Motogadget App has reported no failure, your calculation is quite interesting.
I had before a long time a cut off during full reving at high rpms - means at full load. If the voltage is then little more, i am absolute over 10 Amps.
This could be the key to that problems! Only strange that the MoUnit was not able to detect the failure....
However, if i calculate with the new coils (5 Ohm), i will stay on a much safer AMP Range, am i right?
What is your suggestion to proceed?
Greetings!
Please Log in or Create an account to join the conversation.
- Wookie58
-
- Offline
- Moderator
-

Registered
- Posts: 6090
- Thanks: 3826
Re: KZ650 - Question about Ignition/Coils - strange Problem
07 Sep 2022 03:44
You might also find the below useful when it comes to calculating "parallel resistances" and how changing voltages effect the current draw
1982 KZ1000 Ltd
www.kzrider.com/forum/11-projects/617631...-82-begins?start=192
kzrider.com/filebase-alias?view=download...d-fault-diagnosis&ca
www.kzrider.com/forum/11-projects/617631...-82-begins?start=192
kzrider.com/filebase-alias?view=download...d-fault-diagnosis&ca
The following user(s) said Thank You: Womtong, F64
Please Log in or Create an account to join the conversation.
- F64
-
- Offline
- User
-

Registered
- 81-KZ440D2
- Posts: 1149
- Thanks: 417
Re: KZ650 - Question about Ignition/Coils - strange Problem
07 Sep 2022 09:57 - 07 Sep 2022 10:19
The 5ohm coils will pull less current.
They will pull 5.68amps at 14.2volts.
There is a possibility the m-unit doesn't record when a circuit trips.
You could run the app while riding and watch the status screen to see what your current draw is on the ignition circuit.
One note, the copper core wires without a resistor cap OR a resistor spark plug(choose one) may interfere with the m-unit app on your phone when the bike is running.
They will pull 5.68amps at 14.2volts.
There is a possibility the m-unit doesn't record when a circuit trips.
You could run the app while riding and watch the status screen to see what your current draw is on the ignition circuit.
One note, the copper core wires without a resistor cap OR a resistor spark plug(choose one) may interfere with the m-unit app on your phone when the bike is running.
81-KZ440-D2.
Louis Dudzik's GM HEI ignitor conversion installed 2015 s3.amazonaws.com/gpzweb/Ignition/GPZgmHEImod.html
Motogadget m-unit blue installed 2017.
LIC, NY
Louis Dudzik's GM HEI ignitor conversion installed 2015 s3.amazonaws.com/gpzweb/Ignition/GPZgmHEImod.html
Motogadget m-unit blue installed 2017.
LIC, NY
Last edit: 07 Sep 2022 10:19 by F64.
The following user(s) said Thank You: Womtong, Wookie58
Please Log in or Create an account to join the conversation.
- Womtong
-
Topic Author
- Offline
- User
-

Registered
- Posts: 53
- Thanks: 6
Re: KZ650 - Question about Ignition/Coils - strange Problem
08 Sep 2022 00:33Thanks again!The 5ohm coils will pull less current.
They will pull 5.68amps at 14.2volts.
There is a possibility the m-unit doesn't record when a circuit trips.
You could run the app while riding and watch the status screen to see what your current draw is on the ignition circuit.
One note, the copper core wires without a resistor cap OR a resistor spark plug(choose one) may interfere with the m-unit app on your phone when the bike is running.
That all sounds good. Will receive today the 5 Ohm coils and will put her on weekend together. I will perform first testride with one eye on the Motogadget Values.
The original Dyna copper wires with straight spark plugs are complete without resistor? Will be interesting to see how interfere they my confirguration....
Keep you updated!
Cheers Chris
Please Log in or Create an account to join the conversation.
- Womtong
-
Topic Author
- Offline
- User
-

Registered
- Posts: 53
- Thanks: 6
Re: KZ650 - Question about Ignition/Coils - strange Problem
11 Sep 2022 12:12
Ok gents, now i have installed everything and she is running very nice. Just do a testride of about 40km - no problems from the engine.
She is running quite nice.
BUT now i have several problems with the Tachometer (Daytona Velona) and i have lost couple of times connection to MUnit (Cell Phone blueteooth).
Problems are that RPM´s are jumping and also Speed is jumping in all directions (just hitted a new topspeed of about 380km/h)
At first i have changed the way how the RPM signal was transfered to the speedo. Before i had a good working direct connection to one coil. But now with the new 5Ohm coils this was not working anymore and the speedo shut down completly with this connection. So i have wired a new cable arround one ignition cable to detect there the RPM´s. This helps to avoid crashing the speedo, but the dectection was not correct and is jumping. Beside of that i have a jumping speed detection (is also a separate sensor which is located on the rear wheel).
So my decicion to use Dynatek cooper core wires in combination with NGK B8ES were wrong and i have tons of interferences....
Should i order now Dynatek graphite 7mm wires (with not resistor spark plugs caps) + new spark plugs NGK BR8ES (which are with a resistor)?
Because nothing was changed on the Speedo setup and i hope this will solve that strange problems...
If anybody is able to explain why the Speedo is crashing (shutting off) with RPM detection installed on one coil? Again, in the past with 3Ohm coils it works perfectly. Now with 5 Ohm it leads to this shut down? Really strange...
Thanks for your confirmation!
She is running quite nice.
BUT now i have several problems with the Tachometer (Daytona Velona) and i have lost couple of times connection to MUnit (Cell Phone blueteooth).
Problems are that RPM´s are jumping and also Speed is jumping in all directions (just hitted a new topspeed of about 380km/h)
At first i have changed the way how the RPM signal was transfered to the speedo. Before i had a good working direct connection to one coil. But now with the new 5Ohm coils this was not working anymore and the speedo shut down completly with this connection. So i have wired a new cable arround one ignition cable to detect there the RPM´s. This helps to avoid crashing the speedo, but the dectection was not correct and is jumping. Beside of that i have a jumping speed detection (is also a separate sensor which is located on the rear wheel).
So my decicion to use Dynatek cooper core wires in combination with NGK B8ES were wrong and i have tons of interferences....
Should i order now Dynatek graphite 7mm wires (with not resistor spark plugs caps) + new spark plugs NGK BR8ES (which are with a resistor)?
Because nothing was changed on the Speedo setup and i hope this will solve that strange problems...
If anybody is able to explain why the Speedo is crashing (shutting off) with RPM detection installed on one coil? Again, in the past with 3Ohm coils it works perfectly. Now with 5 Ohm it leads to this shut down? Really strange...
Thanks for your confirmation!
Please Log in or Create an account to join the conversation.
- Wookie58
-
- Offline
- Moderator
-

Registered
- Posts: 6090
- Thanks: 3826
Re: KZ650 - Question about Ignition/Coils - strange Problem
11 Sep 2022 13:11
I would try the resistor plugs or resistor caps and see how you go
1982 KZ1000 Ltd
www.kzrider.com/forum/11-projects/617631...-82-begins?start=192
kzrider.com/filebase-alias?view=download...d-fault-diagnosis&ca
www.kzrider.com/forum/11-projects/617631...-82-begins?start=192
kzrider.com/filebase-alias?view=download...d-fault-diagnosis&ca
Please Log in or Create an account to join the conversation.
Moderators: Street Fighter LTD
