Side stand interlock
- AmStaFF
-
Topic Author
- Offline
- User
-

Registered
- Posts: 35
- Thanks: 7
Side stand interlock
23 Aug 2022 13:36 - 23 Aug 2022 16:44
Anyone ever retrofitted a side stand interlock switch to an older model year where they weren’t so equipped? I searched here a few times with different keywords and no luck. I have a ‘81 KZ1100A and about two times a year I forget and take off with the stand down. Very stupid and dangerous. I have the switch itself from a later year police bike, but never mustered the ambition to try to rig it up. I guess ‘83 and up have em. Honda used to have the rubber feeler that would touch and flip the stand up even before that, I think.
Run a hot wire to the switch and to a warning light, or buzzer? Or, run it so it disables ignition, since I’m goofy enough to ignore a sound or light?
Run a hot wire to the switch and to a warning light, or buzzer? Or, run it so it disables ignition, since I’m goofy enough to ignore a sound or light?
1981 KZ1100A
2021 Husq FE350
2023 KTM 890 Adventure S
2021 Husq FE350
2023 KTM 890 Adventure S
Last edit: 23 Aug 2022 16:44 by AmStaFF.
Please Log in or Create an account to join the conversation.
- martin_csr
-
- Offline
- User
-

Registered
- Posts: 7994
- Thanks: 1644
Re: Side stand interlock
23 Aug 2022 17:31 - 24 Aug 2022 06:41
It might be wired the same as the clutch switch to keep you from starting the engine while the side stand is down. ???
From the diagrams for a 1000P police model there's a bracket & I assume the switch is attached to the bracket.
Mounting the bracket may be problematic. The 83 ZX750 side stand switch mounts differently. switch is in Ign Switch diagram.
www.partzilla.com/catalog/kawasaki/motor...-750-zx750-a1/stands
EB search = kz1000 side stand switch
Item # 223903786088 >> pics show the complete side stand assy w switch & bracket.
From the diagrams for a 1000P police model there's a bracket & I assume the switch is attached to the bracket.
Mounting the bracket may be problematic. The 83 ZX750 side stand switch mounts differently. switch is in Ign Switch diagram.
www.partzilla.com/catalog/kawasaki/motor...-750-zx750-a1/stands
EB search = kz1000 side stand switch
Item # 223903786088 >> pics show the complete side stand assy w switch & bracket.
Last edit: 24 Aug 2022 06:41 by martin_csr.
Please Log in or Create an account to join the conversation.
- AmStaFF
-
Topic Author
- Offline
- User
-

Registered
- Posts: 35
- Thanks: 7
Re: Side stand interlock
24 Aug 2022 10:17 - 24 Aug 2022 10:21
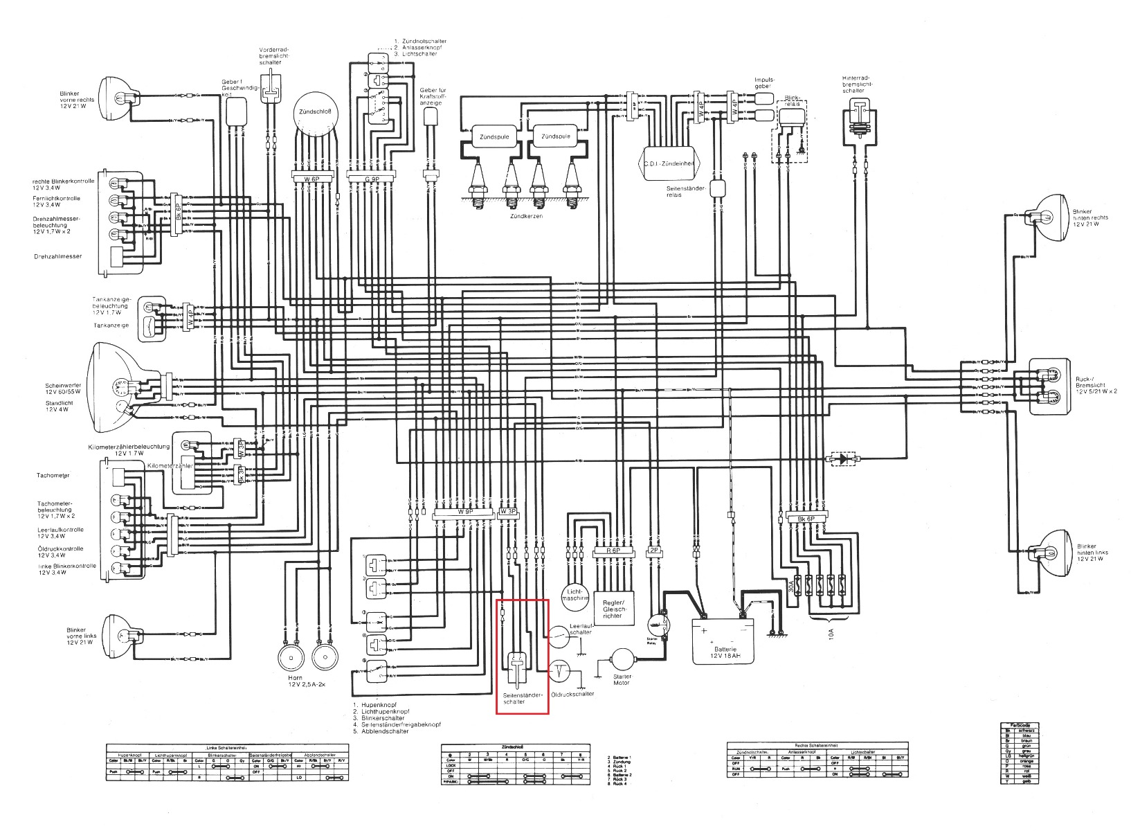
I guess the high lighted circuit could be tapped into. But, if I am reading this correctly, the sidestand could be put down while the motor is running. That is, the clutch interlock only works when the motor is not running, I think. This came from a manual that shows a KZ1100A2 on the cover, so the D1 model (Spectra) must be the same.
1981 KZ1100A
2021 Husq FE350
2023 KTM 890 Adventure S
2021 Husq FE350
2023 KTM 890 Adventure S
Last edit: 24 Aug 2022 10:21 by AmStaFF.
Please Log in or Create an account to join the conversation.
- Warren3200gt
-
- Offline
- User
-

Registered
- Posts: 1718
- Thanks: 904
Re: Side stand interlock
24 Aug 2022 10:29
On a Z1000 J there are four wires to the side stand switch. Two have continuity when the stand is down and the other two when the stand is up. The engine will only run with the stand stand up. Additionally there is a bypass switch on the left hand switchgear which allows the engine to run with the stand in either position.
Please Log in or Create an account to join the conversation.
- AmStaFF
-
Topic Author
- Offline
- User
-

Registered
- Posts: 35
- Thanks: 7
Re: Side stand interlock
24 Aug 2022 11:04 - 24 Aug 2022 11:07
Thanks but the switch I have only has two wires and is normally closed.
Nice red 1000 you have. Dont know if that got sold in the US.
Nice red 1000 you have. Dont know if that got sold in the US.
1981 KZ1100A
2021 Husq FE350
2023 KTM 890 Adventure S
2021 Husq FE350
2023 KTM 890 Adventure S
Last edit: 24 Aug 2022 11:07 by AmStaFF.
The following user(s) said Thank You: Warren3200gt
Please Log in or Create an account to join the conversation.
- AmStaFF
-
Topic Author
- Offline
- User
-

Registered
- Posts: 35
- Thanks: 7
Re: Side stand interlock
24 Aug 2022 12:22
Found this thread here by Bing search “KZ 1000 Police Side Stand switch.”
kzrider.com/forum/4-electrical/591081-kz...safety-switch-wiring
kzrider.com/forum/4-electrical/591081-kz...safety-switch-wiring
1981 KZ1100A
2021 Husq FE350
2023 KTM 890 Adventure S
2021 Husq FE350
2023 KTM 890 Adventure S
Please Log in or Create an account to join the conversation.
- Scirocco
-
- Offline
- Premium Member
-

Registered
- Never change a running system
- Posts: 4397
- Thanks: 2260
Re: Side stand interlock
24 Aug 2022 15:03 - 24 Aug 2022 15:06
There are different savety side stand switches. A two wire switch side stand switch connect or disconnect the ignition or starter relay if you are not in neutral gear or side stand in driving position. A four wire side stand switch can handle a engine start in gear with a pulled clutch lever and disconnect the ignition if you release the clutch lever with a side stand in parking position.
My 1975 Z 1 B 900 Project
www.kzrider.com/forum/11-projects/605133...ears-deep-sleep-mode
www.kzrider.com/forum/11-projects/605133...ears-deep-sleep-mode
Last edit: 24 Aug 2022 15:06 by Scirocco.
Please Log in or Create an account to join the conversation.
- martin_csr
-
- Offline
- User
-

Registered
- Posts: 7994
- Thanks: 1644
Re: Side stand interlock
24 Aug 2022 15:59 - 24 Aug 2022 16:04
The 84 KZ700 has a 2-wire side stand switch (same as the ZX750A). Green/white goes from the side stand switch to a diode. black/white goes from the diode to the igniter. So I guess the KZ700 side stand switch disables the ignition/igniter. ???
Last edit: 24 Aug 2022 16:04 by martin_csr.
Please Log in or Create an account to join the conversation.
- F64
-
- Offline
- User
-

Registered
- 81-KZ440D2
- Posts: 1149
- Thanks: 417
Re: Side stand interlock
24 Aug 2022 23:02 - 25 Aug 2022 00:30
I'd probably run a loud alarm. Floyd Bell has some extra annoying ones.
The reason i wouldn't hook it up to your ignition is in case the circuit fails and leaves you in bad situation. Like merging in front of a tractor trailer.
I've included a Floyd Bell search of 12v dc 105db alarms. The $28 ones are the ones I would look at. I have one but deemed it too loud and annoying to put on the bike.
Or you could just use your horn circuit.
Just ground one of the wires of the switch and run the other wire to the black/white wire for the horn.
floyd bell alarms
The reason i wouldn't hook it up to your ignition is in case the circuit fails and leaves you in bad situation. Like merging in front of a tractor trailer.
I've included a Floyd Bell search of 12v dc 105db alarms. The $28 ones are the ones I would look at. I have one but deemed it too loud and annoying to put on the bike.
Or you could just use your horn circuit.
Just ground one of the wires of the switch and run the other wire to the black/white wire for the horn.
floyd bell alarms
81-KZ440-D2.
Louis Dudzik's GM HEI ignitor conversion installed 2015 s3.amazonaws.com/gpzweb/Ignition/GPZgmHEImod.html
Motogadget m-unit blue installed 2017.
LIC, NY
Louis Dudzik's GM HEI ignitor conversion installed 2015 s3.amazonaws.com/gpzweb/Ignition/GPZgmHEImod.html
Motogadget m-unit blue installed 2017.
LIC, NY
Last edit: 25 Aug 2022 00:30 by F64.
Please Log in or Create an account to join the conversation.
- AmStaFF
-
Topic Author
- Offline
- User
-

Registered
- Posts: 35
- Thanks: 7
Re: Side stand interlock
25 Aug 2022 05:11
I think there’s a problem with that in that the switch is meant to be normally closed, with the stand up, and geometry may not be conducive to mounting normally open. I mean, you have a lot of flexibility mounting the switch parallel to the bottom frame rail as opposed to flipping it vertically and getting it in the same plane as the stand’s arc of movement.
It’s a good enough idea that it’s worth seeing if it can be done though.
It’s a good enough idea that it’s worth seeing if it can be done though.
1981 KZ1100A
2021 Husq FE350
2023 KTM 890 Adventure S
2021 Husq FE350
2023 KTM 890 Adventure S
Please Log in or Create an account to join the conversation.
- F64
-
- Offline
- User
-

Registered
- 81-KZ440D2
- Posts: 1149
- Thanks: 417
Re: Side stand interlock
25 Aug 2022 05:56 - 25 Aug 2022 09:32
You just use a relay to flip the circuit to normally open. Pretty easy.
You use a single pole dual throw relay.
Wire it up as normally closed.
The relay magnet positive goes to +12v.
The relay magnet negative to one of the side stand wires(the other side stand wire goes to ground) .
The input to the normally closed terminal goes to ground.
The output terminal goes to the horn black/white wire.
When the side stand is up it completes the ground circuit for the magnet.
Magnet pulls in and opens the ground circuit going to the horn.
When the side stand is down. Relay magnet turns off and the spring inside the relay closes the ground circuit for the horn.
and it gets noisy.
You use a single pole dual throw relay.
Wire it up as normally closed.
The relay magnet positive goes to +12v.
The relay magnet negative to one of the side stand wires(the other side stand wire goes to ground) .
The input to the normally closed terminal goes to ground.
The output terminal goes to the horn black/white wire.
When the side stand is up it completes the ground circuit for the magnet.
Magnet pulls in and opens the ground circuit going to the horn.
When the side stand is down. Relay magnet turns off and the spring inside the relay closes the ground circuit for the horn.
and it gets noisy.
81-KZ440-D2.
Louis Dudzik's GM HEI ignitor conversion installed 2015 s3.amazonaws.com/gpzweb/Ignition/GPZgmHEImod.html
Motogadget m-unit blue installed 2017.
LIC, NY
Louis Dudzik's GM HEI ignitor conversion installed 2015 s3.amazonaws.com/gpzweb/Ignition/GPZgmHEImod.html
Motogadget m-unit blue installed 2017.
LIC, NY
Last edit: 25 Aug 2022 09:32 by F64.
Please Log in or Create an account to join the conversation.
- AmStaFF
-
Topic Author
- Offline
- User
-

Registered
- Posts: 35
- Thanks: 7
Re: Side stand interlock
25 Aug 2022 11:48
That’s interesting. I’m not a whiz at electricity. I then have however not just a switch to fail, but a relay, probably sourced with less quality that that switch which looks almost milspec. It would be best probably to do BOTH: wire it to the horn AND wire it to the clutch interlock.
1981 KZ1100A
2021 Husq FE350
2023 KTM 890 Adventure S
2021 Husq FE350
2023 KTM 890 Adventure S
Please Log in or Create an account to join the conversation.
Moderators: Street Fighter LTD
