82 KZ750 won’t start, just clicks
- Mr_Blonde
-
Topic Author
- Offline
- User
-

Registered
- Posts: 38
- Thanks: 2
82 KZ750 won’t start, just clicks
15 Aug 2020 15:19
Hi all,
I had been able to start my project 750 fairly easily for a while. It sat for a while when I didn’t have the spare time to work on it and then when I tried to start her again it struggled. It would try and turn over but never started. In the process of trying to get her to fire back up again it all of a sudden went quiet and started making a clicking noise from the solenoid whenever I pressed the start button.
It had done this before when I first started working on it and I replaced the solenoid then it was fine. This time I replaced it with the same solenoid (ordered a new one) and it continues to click. I tried bridging the terminals and it doesn’t spark at all (it did the last time).
I’ve tried checking the wires the best that I can but the harness is a bit of a mess from the previous owner. I checked the main fuse box and neither the 20a or the two 10a appear blown. I’ve charged and recharged the battery on and off the bike and that’s fine, still clicks.
Any suggestions?
Thanks in advance
I had been able to start my project 750 fairly easily for a while. It sat for a while when I didn’t have the spare time to work on it and then when I tried to start her again it struggled. It would try and turn over but never started. In the process of trying to get her to fire back up again it all of a sudden went quiet and started making a clicking noise from the solenoid whenever I pressed the start button.
It had done this before when I first started working on it and I replaced the solenoid then it was fine. This time I replaced it with the same solenoid (ordered a new one) and it continues to click. I tried bridging the terminals and it doesn’t spark at all (it did the last time).
I’ve tried checking the wires the best that I can but the harness is a bit of a mess from the previous owner. I checked the main fuse box and neither the 20a or the two 10a appear blown. I’ve charged and recharged the battery on and off the bike and that’s fine, still clicks.
Any suggestions?
Thanks in advance
Please Log in or Create an account to join the conversation.
- F64
-
- Offline
- User
-

Registered
- 81-KZ440D2
- Posts: 1149
- Thanks: 417
Re: 82 KZ750 won’t start, just clicks
15 Aug 2020 15:36 - 15 Aug 2020 21:31
we'll go through some voltage drop tests in a couple of hours.
get your meter ready
You may need an extra set of hands or alligator clips to hold the probes in place.
set your meter to DC V
ignition on/engine off
Turn off the fuel valve.
Black probe on battery negative post( the post will be the metal part of the battery not the metal part of the battery cable)
Red probe on battery positive post
Note voltage
Crank starter
Note voltage
Black probe on negative battery post
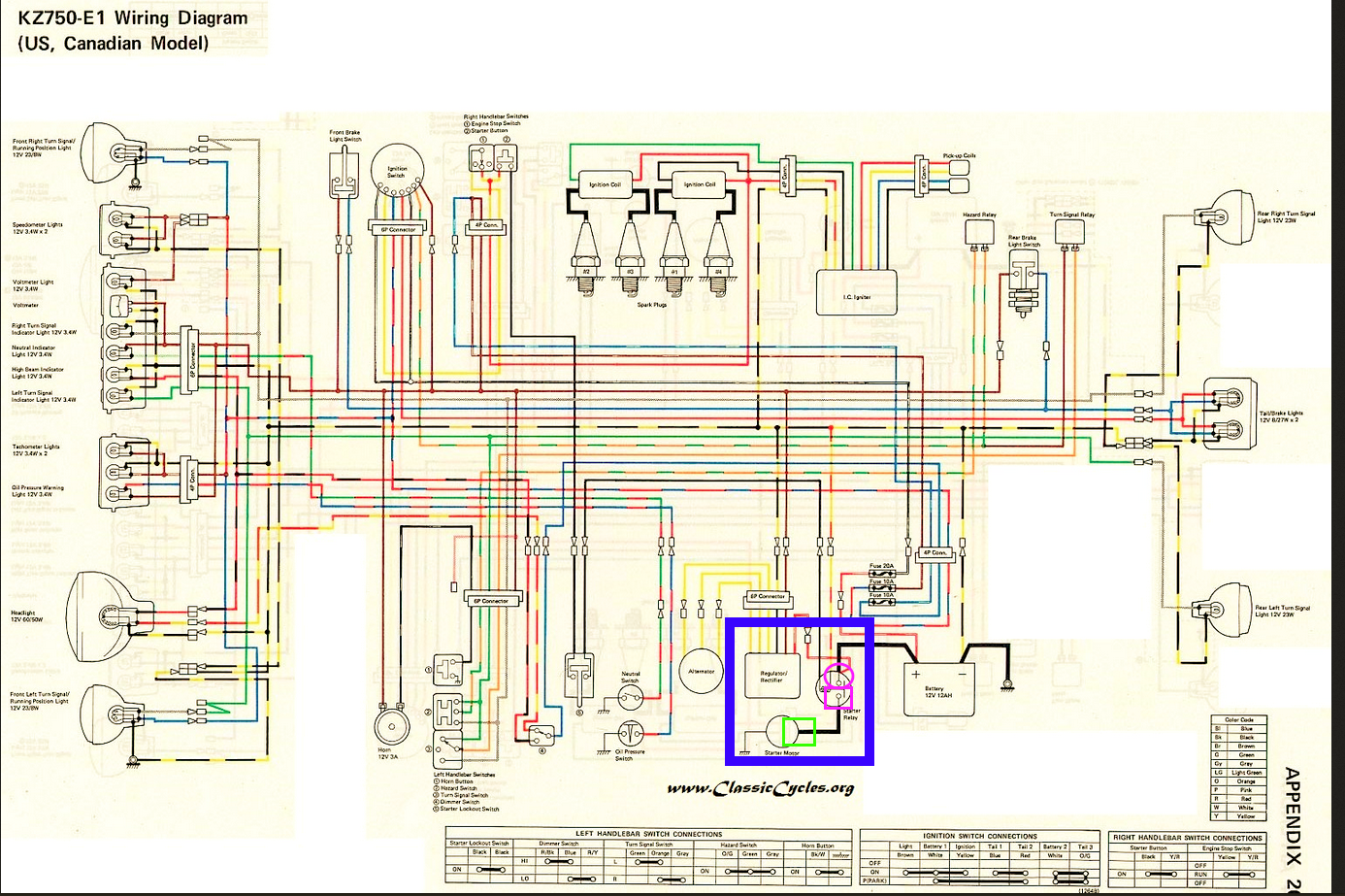
Red probe on starter terminal in green square
Crank starter
Note voltage
Black probe on negative battery post
Red probe on metal part of starter case
Crank starter
Note voltage
Turn off ignition
These readings will check your battery, your wiring and starter.
get your meter ready
You may need an extra set of hands or alligator clips to hold the probes in place.
set your meter to DC V
ignition on/engine off
Turn off the fuel valve.
Black probe on battery negative post( the post will be the metal part of the battery not the metal part of the battery cable)
Red probe on battery positive post
Note voltage
Crank starter
Note voltage
Black probe on negative battery post
Red probe on starter terminal in green square
Crank starter
Note voltage
Black probe on negative battery post
Red probe on metal part of starter case
Crank starter
Note voltage
Turn off ignition
These readings will check your battery, your wiring and starter.
81-KZ440-D2.
Louis Dudzik's GM HEI ignitor conversion installed 2015 s3.amazonaws.com/gpzweb/Ignition/GPZgmHEImod.html
Motogadget m-unit blue installed 2017.
LIC, NY
Louis Dudzik's GM HEI ignitor conversion installed 2015 s3.amazonaws.com/gpzweb/Ignition/GPZgmHEImod.html
Motogadget m-unit blue installed 2017.
LIC, NY
Last edit: 15 Aug 2020 21:31 by F64.
The following user(s) said Thank You: Mr_Blonde
Please Log in or Create an account to join the conversation.
- Irish Yobbo
-
- Offline
- User
-

Registered
- Posts: 379
- Thanks: 92
Re: 82 KZ750 won’t start, just clicks
16 Aug 2020 15:29Mr_Blonde wrote: It had done this before when I first started working on it and I replaced the solenoid then it was fine. This time I replaced it with the same solenoid (ordered a new one) and it continues to click. I tried bridging the terminals and it doesn’t spark at all (it did the last time).
This looks like it's either the battery or the starter motor itself. You can test the battery and starter following F64's steps, but if you don't have a multimeter, you can just test it with a spare battery too. If you connect up a spare battery (car battery is fine, but don't start the car) and it cranks, it's probably the battery that's gone.
Keep in mind that the battery box is often isolated from the rest of the frame, so make sure that your battery ground is connected to the frame, not the battery box. I fixed a KZ250 that wouldn't start without jumping even with a new battery, turned out it was the battery was grounded to the battery box and the only connection to ground left was a small ground wire that ran to the gauges I think. The small wire was enough to keep the bike running, but not enough to start it.
1981 KZ750 LTD
Please Log in or Create an account to join the conversation.
- Mr_Blonde
-
Topic Author
- Offline
- User
-

Registered
- Posts: 38
- Thanks: 2
Re: 82 KZ750 won’t start, just clicks
19 Aug 2020 11:36
F64 thank you very much for expanding into detail those testing steps - I really appreciate it. When I have the time and/or hands to run through it I will let you know what I find.
I just picked up a multimeter but haven't gotten into using it yet. I pulled the battery and put it on my charger but for some reason it was saying it was fully charged (lit up green) at only 13.6. Manual says it should read at 14.5 across the terminals?
Irish I did check the ground from the battery and its grounded to the engine case on the right side (where its supposed to be?). Looks like the case had been painted so I took off the wire and brushed the paint off under the connection to make sure there was no interference there.
I just picked up a multimeter but haven't gotten into using it yet. I pulled the battery and put it on my charger but for some reason it was saying it was fully charged (lit up green) at only 13.6. Manual says it should read at 14.5 across the terminals?
Irish I did check the ground from the battery and its grounded to the engine case on the right side (where its supposed to be?). Looks like the case had been painted so I took off the wire and brushed the paint off under the connection to make sure there was no interference there.
Please Log in or Create an account to join the conversation.
- M_a_t_t
-
- Offline
- Sustaining Member
-

Registered
- Posts: 254
- Thanks: 41
Re: 82 KZ750 won’t start, just clicks
19 Aug 2020 12:03
14.5V is probably with the bike running at a specified rpm (idle, 2500 rpm, etc.) The charger is probably putting out 13.6V. What does it say with the charger disconnected? It's best to do a continuity check on the glass tube fuses. Sometimes they break at the end caps and it can be hard to see that.
83 KZ1100A (shaft)
17 Versys X 300 abs
81 kz650h1
81 kz750e2
90 Honda CBR600F (brother's)
17 Versys X 300 abs
81 kz650h1
81 kz750e2
90 Honda CBR600F (brother's)
Please Log in or Create an account to join the conversation.
- Mr_Blonde
-
Topic Author
- Offline
- User
-

Registered
- Posts: 38
- Thanks: 2
Re: 82 KZ750 won’t start, just clicks
21 Aug 2020 13:44Test battery on and off charger.
Hooked up to bike without ignition “on” read 13.06.
Turned ignition “On” read 13.06 but started creeping down by .01
Cranked starter, dropped immediately in 12s - 12.5 and kept dropping with each crank.
To starter motor - 12.40 with starter cranked. Would spike to 13.4 initially then settle at 12.4.
I’m guessing it’s a connection somewhere that’s bleeding voltage? Or bad battery (even though it was brand new in May)?
Please Log in or Create an account to join the conversation.
- F64
-
- Offline
- User
-

Registered
- 81-KZ440D2
- Posts: 1149
- Thanks: 417
Re: 82 KZ750 won’t start, just clicks
21 Aug 2020 17:58
The drops into the 12's are normal. The big thing is---did the starter turn ok or did it just click?
Your wiring to the starter on the positive side are good.
The battery seems ok.
Have you been able to spin the motor with the starter?
Can you rotate the engine by hand?
I want to know the last reading though.
The one with the probe on the starter case and the negative terminal.
The voltage will be low just write it down
That will tell us how good your ground side of the circuit is.
Your wiring to the starter on the positive side are good.
The battery seems ok.
Have you been able to spin the motor with the starter?
Can you rotate the engine by hand?
I want to know the last reading though.
The one with the probe on the starter case and the negative terminal.
The voltage will be low just write it down
That will tell us how good your ground side of the circuit is.
81-KZ440-D2.
Louis Dudzik's GM HEI ignitor conversion installed 2015 s3.amazonaws.com/gpzweb/Ignition/GPZgmHEImod.html
Motogadget m-unit blue installed 2017.
LIC, NY
Louis Dudzik's GM HEI ignitor conversion installed 2015 s3.amazonaws.com/gpzweb/Ignition/GPZgmHEImod.html
Motogadget m-unit blue installed 2017.
LIC, NY
Please Log in or Create an account to join the conversation.
- Mr_Blonde
-
Topic Author
- Offline
- User
-

Registered
- Posts: 38
- Thanks: 2
Re: 82 KZ750 won’t start, just clicks
21 Aug 2020 18:55F64 wrote: The drops into the 12's are normal. The big thing is---did the starter turn ok or did it just click?
Your wiring to the starter on the positive side are good.
The battery seems ok.
Have you been able to spin the motor with the starter?
Can you rotate the engine by hand?
I want to know the last reading though.
The one with the probe on the starter case and the negative terminal.
The voltage will be low just write it down
That will tell us how good your ground side of the circuit is.
The starter did not turn, the solenoid continued to click. I haven’t tried to manually turn the motor by hand. What do you mean “soon the motor with the starter”? I’ve been able to getting it started before, yes - if that’s what you’re asking but don’t think it is.
Must have missed that last reading when I was working through. Will get it next time I’m working
Please Log in or Create an account to join the conversation.
- Mr_Blonde
-
Topic Author
- Offline
- User
-

Registered
- Posts: 38
- Thanks: 2
Re: 82 KZ750 won’t start, just clicks
21 Aug 2020 18:56
Could the starter motor itself be bad?
Please Log in or Create an account to join the conversation.
- F64
-
- Offline
- User
-

Registered
- 81-KZ440D2
- Posts: 1149
- Thanks: 417
Re: 82 KZ750 won’t start, just clicks
21 Aug 2020 19:33 - 21 Aug 2020 20:29
Yeah, it's looking like a mechanical issue. Could be the engine or starter.
See if you can turn the crankshaft with a wrench. I'm not sure which way you need to rotate it(counterclockwise--just looked it up).
Just trying to see if the motor may be seized or hard to rotate.
The spin the motor comment was me repeating myself by mistake...you answered it with saying the starter was clicking.
See if you can turn the crankshaft with a wrench. I'm not sure which way you need to rotate it(counterclockwise--just looked it up).
Just trying to see if the motor may be seized or hard to rotate.
The spin the motor comment was me repeating myself by mistake...you answered it with saying the starter was clicking.
81-KZ440-D2.
Louis Dudzik's GM HEI ignitor conversion installed 2015 s3.amazonaws.com/gpzweb/Ignition/GPZgmHEImod.html
Motogadget m-unit blue installed 2017.
LIC, NY
Louis Dudzik's GM HEI ignitor conversion installed 2015 s3.amazonaws.com/gpzweb/Ignition/GPZgmHEImod.html
Motogadget m-unit blue installed 2017.
LIC, NY
Last edit: 21 Aug 2020 20:29 by F64.
Please Log in or Create an account to join the conversation.
- Mr_Blonde
-
Topic Author
- Offline
- User
-

Registered
- Posts: 38
- Thanks: 2
Re: 82 KZ750 won’t start, just clicks
22 Aug 2020 14:40F64 wrote: Yeah, it's looking like a mechanical issue. Could be the engine or starter.
See if you can turn the crankshaft with a wrench. I'm not sure which way you need to rotate it(counterclockwise--just looked it up).
Just trying to see if the motor may be seized or hard to rotate.
The spin the motor comment was me repeating myself by mistake...you answered it with saying the starter was clicking.
Reading was 33.1 mV without clicking start button, 54.6 mV when I click it.
Crank shaft turns by hand, a little “sticky” feeling but otherwise free - see video
Please Log in or Create an account to join the conversation.
- F64
-
- Offline
- User
-

Registered
- 81-KZ440D2
- Posts: 1149
- Thanks: 417
Re: 82 KZ750 won’t start, just clicks
22 Aug 2020 15:04 - 22 Aug 2020 15:34
Your ground connection looks good.
I want you to take one more reading before I say it's the starter.
It's not fun pulling the starter and finding out it's a wire connection.
meter on DC V
Red probe on positive battery post
Black probe on the starter terminal post( the post will be the bolt the terminal will attach to. This will check the terminal on the wire as well as the wire)
Crank the engine and take the reading. Should be less than .5 volts dc. If higher than .5, then there is high resistance on that section of wire.
I want you to take one more reading before I say it's the starter.
It's not fun pulling the starter and finding out it's a wire connection.
meter on DC V
Red probe on positive battery post
Black probe on the starter terminal post( the post will be the bolt the terminal will attach to. This will check the terminal on the wire as well as the wire)
Crank the engine and take the reading. Should be less than .5 volts dc. If higher than .5, then there is high resistance on that section of wire.
81-KZ440-D2.
Louis Dudzik's GM HEI ignitor conversion installed 2015 s3.amazonaws.com/gpzweb/Ignition/GPZgmHEImod.html
Motogadget m-unit blue installed 2017.
LIC, NY
Louis Dudzik's GM HEI ignitor conversion installed 2015 s3.amazonaws.com/gpzweb/Ignition/GPZgmHEImod.html
Motogadget m-unit blue installed 2017.
LIC, NY
Last edit: 22 Aug 2020 15:34 by F64.
Please Log in or Create an account to join the conversation.
Moderators: Street Fighter LTD
