ZX550 A1 (GPz550 Unitrak 1984) ignition wiring woes
- Slashaguc
-
Topic Author
- Offline
- User
-

Registered
- Posts: 19
- Thanks: 0
ZX550 A1 (GPz550 Unitrak 1984) ignition wiring woes
15 Sep 2019 13:11
Hi Guys,
I'm having serious grief with a ZX550A1 that I got as a basket case. To be more specific, I can not get the motor to spark on all four cylinders.
Looking at the pick up coils inside the ignition cover, the Left Hand pick up serves cylinders 1 & 4 having a Yellow and a solid Black wire while the Right Hand pick up serves cylinders 2 & 3 having Blue and a Black/White wire.
The initial problem is that these wires were not contained within a plug when I got the bike, so I do not know which of these coloured wires corresponds with the four wires in the harness plug. Furthermore, the harness plug houses Yellow, Black/White, Red & Blue wires.
When I studied the wiring diagram in the Motorcycle Owners Manual, it shows from the pick up coils to the harness: Yellow to Yellow, Black to Black/White, Red to Red and finally, Blue to Blue. This set up did not work.
The Haynes workshop manual shows a different set up in the general wiring diagram for this model as follows: Pick up coil 1&4 a Black going to Red in the harness and Yellow going to Yellow in the harness. Pick up coil 2&3 shows Blue going to Blue and Black/White going to Black/White in the harness. This set up did not work either.
However in the Complete Ignition system diagram in the Haynes manual, it shows the following set up: Pick Up 1-4 Black going to Red in the harness and its Yellow going to Black/White in the harness. Pick up 2-3 Black/White going to Blue in the harness while Blue goes to Yellow in the harness.
So here we have three conflicting wiring configurations tag don't work. Ive spent countless hours trying to figure our the issue here and still I can't seem to get it to fire on all four.
Please, can someone with the same model as me check their wiring and confirm what configuration works? Or can someone please give me solid advice how to troubleshoot the problem?
Thanks in advance for your help.
I'm having serious grief with a ZX550A1 that I got as a basket case. To be more specific, I can not get the motor to spark on all four cylinders.
Looking at the pick up coils inside the ignition cover, the Left Hand pick up serves cylinders 1 & 4 having a Yellow and a solid Black wire while the Right Hand pick up serves cylinders 2 & 3 having Blue and a Black/White wire.
The initial problem is that these wires were not contained within a plug when I got the bike, so I do not know which of these coloured wires corresponds with the four wires in the harness plug. Furthermore, the harness plug houses Yellow, Black/White, Red & Blue wires.
When I studied the wiring diagram in the Motorcycle Owners Manual, it shows from the pick up coils to the harness: Yellow to Yellow, Black to Black/White, Red to Red and finally, Blue to Blue. This set up did not work.
The Haynes workshop manual shows a different set up in the general wiring diagram for this model as follows: Pick up coil 1&4 a Black going to Red in the harness and Yellow going to Yellow in the harness. Pick up coil 2&3 shows Blue going to Blue and Black/White going to Black/White in the harness. This set up did not work either.
However in the Complete Ignition system diagram in the Haynes manual, it shows the following set up: Pick Up 1-4 Black going to Red in the harness and its Yellow going to Black/White in the harness. Pick up 2-3 Black/White going to Blue in the harness while Blue goes to Yellow in the harness.
So here we have three conflicting wiring configurations tag don't work. Ive spent countless hours trying to figure our the issue here and still I can't seem to get it to fire on all four.
Please, can someone with the same model as me check their wiring and confirm what configuration works? Or can someone please give me solid advice how to troubleshoot the problem?
Thanks in advance for your help.
Keep'er pinned, Tina!
Please Log in or Create an account to join the conversation.
- Nessism
-
- Offline
- Sustaining Member
-

Registered
- Posts: 8073
- Thanks: 3458
Re: ZX550 A1 (GPz550 Unitrak 1984) ignition wiring woes
15 Sep 2019 18:43 - 15 Sep 2019 18:51
Ed
Carb O-ring Kits : www.kzrider.com/forum/14-vendor-forum/62...rburetor-o-ring-kits
www.kzrider.com/forum/faq-wiki/618026-new-owner-things-to-know
1981 KZ750E2
www.kzrider.com/forum/11-projects/604901...z750e-project-thread
Carb O-ring Kits : www.kzrider.com/forum/14-vendor-forum/62...rburetor-o-ring-kits
www.kzrider.com/forum/faq-wiki/618026-new-owner-things-to-know
1981 KZ750E2
www.kzrider.com/forum/11-projects/604901...z750e-project-thread
Last edit: 15 Sep 2019 18:51 by Nessism.
The following user(s) said Thank You: Slashaguc
Please Log in or Create an account to join the conversation.
- loudhvx
-
- Offline
- KZr Legend
-

Registered
- Posts: 10863
- Thanks: 1622
Re: ZX550 A1 (GPz550 Unitrak 1984) ignition wiring woes
15 Sep 2019 20:01 - 15 Sep 2019 20:11
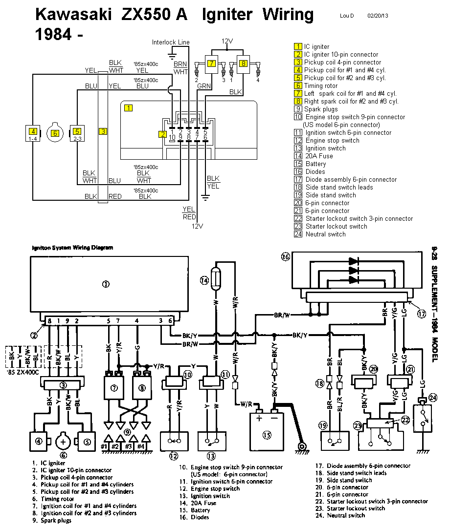
It depends on the model. The 400cc version of the bike uses the same system, but for some reason they used different wire colors.
Nessism's diagram is correct for the 550. Here are a few more to confirm.
See the little notes for the Zx400 version. Don't use those color combinations.
Also, notice you can bypass the interlock function by grounding the brown/white wire (module pin 3) as shown.
This is from the supplement factory manual and I believe was confirmed to work.
Nessism's diagram is correct for the 550. Here are a few more to confirm.
See the little notes for the Zx400 version. Don't use those color combinations.
Also, notice you can bypass the interlock function by grounding the brown/white wire (module pin 3) as shown.
This is from the supplement factory manual and I believe was confirmed to work.
1981 KZ550 D1 gpz.
Kz550 valve train warning.
Other links.
Kz550 valve train warning.
Other links.
Last edit: 15 Sep 2019 20:11 by loudhvx.
The following user(s) said Thank You: Slashaguc
Please Log in or Create an account to join the conversation.
- Slashaguc
-
Topic Author
- Offline
- User
-

Registered
- Posts: 19
- Thanks: 0
Re: ZX550 A1 (GPz550 Unitrak 1984) ignition wiring woes
24 Sep 2019 07:00
Thanks very much for your help on this issue. It turned out that the Red & Blue wires on the CDI unit were reversed. When I spotted the problem, the motor fired up immediately and ran like a Swiss watch.
Again, thanks for your help.
Paul M.
Again, thanks for your help.
Paul M.
Keep'er pinned, Tina!
Please Log in or Create an account to join the conversation.
Moderators: Street Fighter LTD
