Adding LED's to 1983 KZ440 LTD
- Grcko
-
Topic Author
- Offline
- User
-

Registered
- Posts: 168
- Thanks: 32
Adding LED's to 1983 KZ440 LTD
18 Apr 2019 05:56
I am in the process of switching all my lights but the headlight to LED's. I have changed the tail light over and it works fine except my indicator light. When I switch the bike on it flashes really fast at about half brightness. When I apply the brake it comes on full brightness. I know why the indicator flashes but am not sure of the fix. Do I add a diode across the positive and negative? Or do I add a resistor to the positive? And either way, how do I know what size(?) to use? Do I get a variety and start testing them until I find the one that fixes the problem or? Any help would be greatly appreciated.
As Always,
1983 KZ440
1983 KZ440
Please Log in or Create an account to join the conversation.
- Oldjeep
-
- Offline
- User
-

Registered
- Posts: 111
- Thanks: 31
Re: Adding LED's to 1983 KZ440 LTD
18 Apr 2019 07:09
Standard fix for led turn signal indicators is use of a heavy duty flasher relay.
Chuck
81 KZ750 LTD
03 FZ1
www.oldjeep.com
81 KZ750 LTD
03 FZ1
www.oldjeep.com
Please Log in or Create an account to join the conversation.
- loudhvx
-
- Offline
- KZr Legend
-

Registered
- Posts: 10863
- Thanks: 1622
Re: Adding LED's to 1983 KZ440 LTD
18 Apr 2019 07:39
Are you talking about the dashboard indicator for the brake light ? (not the turn signals)
If so, that is a bit tricky. The flashing circuit needs to see something like a regular light bulb to work properly.
(To those who don't have the brake warning unit) It has two functions. One is to indicate when the brake light is on, and the other is to flash when the brake light bulb is burnt out.
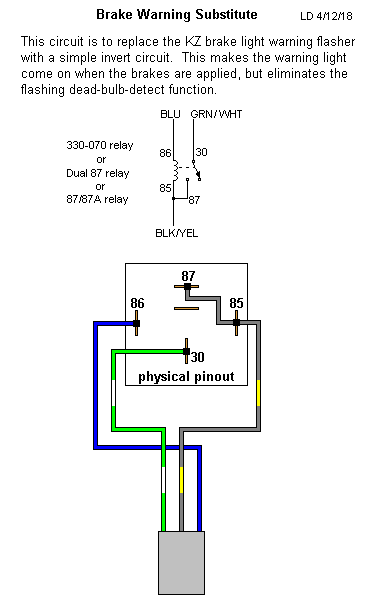
Your options are to unplug the brake flasher unit which will also render the dash light inoperative, or live with it flashing forever, or build a little inverter circuit to put in it's place which will turn on the dash indicator when the brake lights are on, but won't flash.
If so, that is a bit tricky. The flashing circuit needs to see something like a regular light bulb to work properly.
(To those who don't have the brake warning unit) It has two functions. One is to indicate when the brake light is on, and the other is to flash when the brake light bulb is burnt out.
Your options are to unplug the brake flasher unit which will also render the dash light inoperative, or live with it flashing forever, or build a little inverter circuit to put in it's place which will turn on the dash indicator when the brake lights are on, but won't flash.
1981 KZ550 D1 gpz.
Kz550 valve train warning.
Other links.
Kz550 valve train warning.
Other links.
Please Log in or Create an account to join the conversation.
- Grcko
-
Topic Author
- Offline
- User
-

Registered
- Posts: 168
- Thanks: 32
Re: Adding LED's to 1983 KZ440 LTD
18 Apr 2019 09:01
I haven't gotten to the turn signals yet but I did get an led flasher that someone here used on a KZ440 and it worked for them,
Yes it is the dashboard light. I am sure you can fool it with one of the two ideas I asked about. It makes the sensor think more power is being used than what the LED actually uses. I am just not sure which one it is or if both: which one is the best fix. If neither work, I guess I will have to get creative .
Yes it is the dashboard light. I am sure you can fool it with one of the two ideas I asked about. It makes the sensor think more power is being used than what the LED actually uses. I am just not sure which one it is or if both: which one is the best fix. If neither work, I guess I will have to get creative .
As Always,
1983 KZ440
1983 KZ440
Please Log in or Create an account to join the conversation.
- loudhvx
-
- Offline
- KZr Legend
-

Registered
- Posts: 10863
- Thanks: 1622
Re: Adding LED's to 1983 KZ440 LTD
19 Apr 2019 07:39 - 19 Apr 2019 08:44Grcko wrote: I haven't gotten to the turn signals yet but I did get an led flasher that someone here used on a KZ440 and it worked for them,
Yes it is the dashboard light. I am sure you can fool it with one of the two ideas I asked about. It makes the sensor think more power is being used than what the LED actually uses. I am just not sure which one it is or if both: which one is the best fix. If neither work, I guess I will have to get creative .
The brake light flashing issue is not exactly the same problem as the turn-signal flasher issue.
Regular light bulbs act like a short when very little voltage is applied to them (similar to when you read their resistance with a meter). It's only when they get enough voltage/power that the filament gets super-hot and the resistance of the bulb increases. The brake light flasher applies a tiny bit of voltage/power to the bulb, but not enough to heat up the filament. As long as the filament is in tact, that little bit of power gets shorted to ground by the filament. That is what the brake light flasher is trying to detect.
LED's sort of act in the opposite way to filaments. When you apply a tiny bit of voltage/power, the resistance is very high. Then when you apply more voltage/power, suddenly the resistance drops.
That opposite reaction means it will take a drastic amount of compensation with a resistor. The resistor will have to be big in order to dissipate the type of energy that will be required. A bulb dissipates energy as light and heat, but a resistor dissipates only heat, so it will be hot and will need to be big to not burn up.
The requirement of the filament to act as a short means that in order to replicate that with a resistor, you will have to use a very low resistance resistor. But, when 12v gets applied while hitting the brakes, a very large amount of power will need to be dissipated. A bulb would increase its resistance to reduce the power requirement, but a resistor does not change. This makes the resistor's size (wattage) requirement impractically large physically.
Here is an initial rough estimate.
When off, an 1157 bulb's filament acts something like a 1 ohm resistor. With little voltage applied, the wattage is very tiny.
When on, an 1157 bulb's filament acts something like a 6 ohm resistor. Dissipating somewhere around 25 watts. (12.8v @ 2.1 amps).
In order to replicate the filament for the brake flasher, when the brakes are not applied, you might need a resistor that is around 1 ohm. Resistance of a resistor does not change much under normal conditions, so that same resistor will have to dissipate a lot of power when the brakes get applied. Let's see how much.
Let's assume the system is running at 12.8 volts. The resistor is 1 ohm. That means there will be 12.8 amps flowing. First of all notice that the 10 amps of the lighting fuse will blow. But then also notice if we multiply volts times amps to get the wattage, we need a 163 watt resistor. To be safe, you will want to upgrade that to a 200 watt resistor.
Now take a look on the internet to see how big a 200 watt resistor is. You can use that to cook hot dogs on.
But this is to replicate the resistance of an 1157 bulb. Perhaps making the flasher work won't take such drastic measures, but an 1157 bulb is what it was intended to detect, so that is the starting point.
The next step would be to apply power to the flasher and determine exactly how small the resistance needs to be in order to make it stop flashing.
Now realize, all of that is very different from the turn signal flasher problem. The brake flasher problem is about how the bulb reacts when it's "off". The turn signal flasher problem is about how much current/power the bulb uses when it is "on". That is much more manageable problem with a simple electronic flasher.
By the way, the most complicated suggestion I gave earlier is about the same difficulty as adding a resistor or diode, but is easier to get, and only a bit bigger than the original brake flasher unit. You can get this relay at any autoparts store.
1981 KZ550 D1 gpz.
Kz550 valve train warning.
Other links.
Kz550 valve train warning.
Other links.
Last edit: 19 Apr 2019 08:44 by loudhvx.
The following user(s) said Thank You: Dragbike_Mike
Please Log in or Create an account to join the conversation.
- Grcko
-
Topic Author
- Offline
- User
-

Registered
- Posts: 168
- Thanks: 32
Re: Adding LED's to 1983 KZ440 LTD
19 Apr 2019 10:34
Thanks so much for the detailed explanation. I really appreciate it.
The turn signal comment was in answer to Oldjeep's comment. I did however add the LED bulbs to the turn signals last night. With your explanation of the problem/fix for the brake light and the way the turn signals acted last night, I think I might just going back to incandescent bulbs. I have other things that need to be done that actually matter.
The turn signal comment was in answer to Oldjeep's comment. I did however add the LED bulbs to the turn signals last night. With your explanation of the problem/fix for the brake light and the way the turn signals acted last night, I think I might just going back to incandescent bulbs. I have other things that need to be done that actually matter.
As Always,
1983 KZ440
1983 KZ440
Please Log in or Create an account to join the conversation.
- loudhvx
-
- Offline
- KZr Legend
-

Registered
- Posts: 10863
- Thanks: 1622
Re: Adding LED's to 1983 KZ440 LTD
19 Apr 2019 10:57
I hear ya. Good luck with the other repairs.
1981 KZ550 D1 gpz.
Kz550 valve train warning.
Other links.
Kz550 valve train warning.
Other links.
Please Log in or Create an account to join the conversation.
- Grcko
-
Topic Author
- Offline
- User
-

Registered
- Posts: 168
- Thanks: 32
Re: Adding LED's to 1983 KZ440 LTD
25 Apr 2019 05:30
Well , I just couldn't let the brake light go and now I owe you a beer. I bought the relay you suggested and wired it like your picture shows. It works perfect. And with a small bolt, to hold it in place; it fits perfectly as well. Really easy fix. Thanks.
As Always,
1983 KZ440
1983 KZ440
The following user(s) said Thank You: loudhvx
Please Log in or Create an account to join the conversation.
- loudhvx
-
- Offline
- KZr Legend
-

Registered
- Posts: 10863
- Thanks: 1622
Re: Adding LED's to 1983 KZ440 LTD
25 Apr 2019 06:51
Nice job! I think you're the first person to confirm that works, so thank you!
1981 KZ550 D1 gpz.
Kz550 valve train warning.
Other links.
Kz550 valve train warning.
Other links.
Please Log in or Create an account to join the conversation.
- Grcko
-
Topic Author
- Offline
- User
-

Registered
- Posts: 168
- Thanks: 32
Re: Adding LED's to 1983 KZ440 LTD
22 May 2019 19:21
I wanted to finish this thread with the news I did get the led's working on all my lights. I replaced all the crappy aftermarket turn signals with OEM signals, I bought some 1157 dual use 18 led bulbs and installed them. I also use led replacements for the dash lights. Installed the flasher and they came on but no flashing. Thanks to the info on this sight , I figured it was polarity thing. So I grabbed some wires, hooked them to the flasher and tried them with the connectors swapped. Bingo! So I bought a FL2-RED LED Bulb Electronic Flasher that had the line/load switched and all works perfect now.
Thanks all for the great info here.
Thanks all for the great info here.
As Always,
1983 KZ440
1983 KZ440
Please Log in or Create an account to join the conversation.
- loudhvx
-
- Offline
- KZr Legend
-

Registered
- Posts: 10863
- Thanks: 1622
Re: Adding LED's to 1983 KZ440 LTD
23 May 2019 06:56
Nice! Thanks for the update.
1981 KZ550 D1 gpz.
Kz550 valve train warning.
Other links.
Kz550 valve train warning.
Other links.
Please Log in or Create an account to join the conversation.
- Mikaw
-
- Offline
- Sustaining Member
-

Registered
- Posts: 4826
- Thanks: 1851
Re: Adding LED's to 1983 KZ440 LTD
13 Oct 2019 12:00Grcko wrote: I wanted to finish this thread with the news I did get the led's working on all my lights. I replaced all the crappy aftermarket turn signals with OEM signals, I bought some 1157 dual use 18 led bulbs and installed them. I also use led replacements for the dash lights. Installed the flasher and they came on but no flashing. Thanks to the info on this sight , I figured it was polarity thing. So I grabbed some wires, hooked them to the flasher and tried them with the connectors swapped. Bingo! So I bought a FL2-RED LED Bulb Electronic Flasher that had the line/load switched and all works perfect now.
Thanks all for the great info here.
Would like to resurrect this post and ask some more detailed question.
My 78 1000 B2 has 9 incandescent bulbs in the dash and gauges. I'm sure this area is a big draw on the charging system... Id like to start getting into LED and figured this and the head light would be a great place to dive in seeing how they done require any flashing... what bulbs did you use in the dash and have they been durable and reliable?
1976 KZ 900 A4
kzrider.com/forum/11-projects/613548-1976-kz-900-a4
1976 KZ 900 B1 LTD
1978 KZ 1000 B2 LTD
1980 KZ 750 E1
Kowledge Speaks, But Wisdom Listens.
Jimi Hendrix.
1976 KZ 900 B1 LTD
1978 KZ 1000 B2 LTD
1980 KZ 750 E1
Kowledge Speaks, But Wisdom Listens.
Jimi Hendrix.
Please Log in or Create an account to join the conversation.
Moderators: Street Fighter LTD
