Adding LED's to 1983 KZ440 LTD
- Grcko
-
Topic Author
- Offline
- User
-

Registered
- Posts: 168
- Thanks: 32
Re: Adding LED's to 1983 KZ440 LTD
14 Oct 2019 16:16
I used colored LED's. However, while I like the turn signals, oil light warning and brake lights , the neutral and high beam lights are way to bright . As far as durability, the bike has very little road time as it spends most of its time being worked on right now.
As Always,
1983 KZ440
1983 KZ440
Please Log in or Create an account to join the conversation.
- Mikaw
-
- Offline
- Sustaining Member
-

Registered
- Posts: 4833
- Thanks: 1852
Re: Adding LED's to 1983 KZ440 LTD
14 Oct 2019 17:40 - 14 Oct 2019 17:42
did you use something like this? for the dash and gauges
Did you have to do anything else to the turn signals other than adding the LED flasher and making sure the polarity was correct
Did you have to do anything else to the turn signals other than adding the LED flasher and making sure the polarity was correct
1976 KZ 900 A4
kzrider.com/forum/11-projects/613548-1976-kz-900-a4
1976 KZ 900 B1 LTD
1978 KZ 1000 B2 LTD
1980 KZ 750 E1
Kowledge Speaks, But Wisdom Listens.
Jimi Hendrix.
1976 KZ 900 B1 LTD
1978 KZ 1000 B2 LTD
1980 KZ 750 E1
Kowledge Speaks, But Wisdom Listens.
Jimi Hendrix.
Last edit: 14 Oct 2019 17:42 by Mikaw.
Please Log in or Create an account to join the conversation.
- Grcko
-
Topic Author
- Offline
- User
-

Registered
- Posts: 168
- Thanks: 32
Re: Adding LED's to 1983 KZ440 LTD
14 Oct 2019 18:15
Mine were originally 194 in the dash. Look it up at superbrightled. Depending on what you need for the actual turn signals, I have some I didn’t use for some reason. I will see what they are and let you know.
As Always,
1983 KZ440
1983 KZ440
Please Log in or Create an account to join the conversation.
- Mikaw
-
- Offline
- Sustaining Member
-

Registered
- Posts: 4833
- Thanks: 1852
Re: Adding LED's to 1983 KZ440 LTD
14 Oct 2019 18:35
My front turn signals are 1157 because they are also running lights, the rear are 1156. I found superbrigthled. thanks...
1976 KZ 900 A4
kzrider.com/forum/11-projects/613548-1976-kz-900-a4
1976 KZ 900 B1 LTD
1978 KZ 1000 B2 LTD
1980 KZ 750 E1
Kowledge Speaks, But Wisdom Listens.
Jimi Hendrix.
1976 KZ 900 B1 LTD
1978 KZ 1000 B2 LTD
1980 KZ 750 E1
Kowledge Speaks, But Wisdom Listens.
Jimi Hendrix.
Please Log in or Create an account to join the conversation.
- Grcko
-
Topic Author
- Offline
- User
-

Registered
- Posts: 168
- Thanks: 32
Re: Adding LED's to 1983 KZ440 LTD
14 Oct 2019 19:16
I have 4 of 1156-A 18-T amber 360 degree beam angle and 4 of 67-A15 amber 210 beam angle from super bright. Look them up and if you can use any of them, let me know
As Always,
1983 KZ440
1983 KZ440
Please Log in or Create an account to join the conversation.
- Mikaw
-
- Offline
- Sustaining Member
-

Registered
- Posts: 4833
- Thanks: 1852
Re: Adding LED's to 1983 KZ440 LTD
14 Oct 2019 20:25
thank you... I will do a little research
1976 KZ 900 A4
kzrider.com/forum/11-projects/613548-1976-kz-900-a4
1976 KZ 900 B1 LTD
1978 KZ 1000 B2 LTD
1980 KZ 750 E1
Kowledge Speaks, But Wisdom Listens.
Jimi Hendrix.
1976 KZ 900 B1 LTD
1978 KZ 1000 B2 LTD
1980 KZ 750 E1
Kowledge Speaks, But Wisdom Listens.
Jimi Hendrix.
Please Log in or Create an account to join the conversation.
- Mikaw
-
- Offline
- Sustaining Member
-

Registered
- Posts: 4833
- Thanks: 1852
Re: Adding LED's to 1983 KZ440 LTD
19 Oct 2019 10:20 - 19 Oct 2019 10:23
Loudhvx
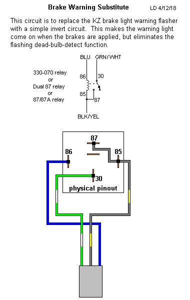
I'm trying to free up some draw on my 78 1000 B2 by changing out incandescent to LED. I installed the rear 1157 brake light and have the flashing dash brake light problem. I want to use the Dual 87 relay you designed but my wiring color code is different. Can you tell me how to wire the rely based on my colors.
Hard to see but mine is Black, Green/white, and yellow
I'm trying to free up some draw on my 78 1000 B2 by changing out incandescent to LED. I installed the rear 1157 brake light and have the flashing dash brake light problem. I want to use the Dual 87 relay you designed but my wiring color code is different. Can you tell me how to wire the rely based on my colors.
Hard to see but mine is Black, Green/white, and yellow
1976 KZ 900 A4
kzrider.com/forum/11-projects/613548-1976-kz-900-a4
1976 KZ 900 B1 LTD
1978 KZ 1000 B2 LTD
1980 KZ 750 E1
Kowledge Speaks, But Wisdom Listens.
Jimi Hendrix.
1976 KZ 900 B1 LTD
1978 KZ 1000 B2 LTD
1980 KZ 750 E1
Kowledge Speaks, But Wisdom Listens.
Jimi Hendrix.
Last edit: 19 Oct 2019 10:23 by Mikaw.
Please Log in or Create an account to join the conversation.
- Warren3200gt
-
- Offline
- User
-

Registered
- Posts: 1699
- Thanks: 889
Re: Adding LED's to 1983 KZ440 LTD
19 Oct 2019 12:19
You dont need to use a relay, just put a resistor across the wires into the brake dash light. Costs about nothing and is super simple fix which makes the circuit work the way it was designed. Ie on when the brake is on and flashing if the tail bulb fails.
Please Log in or Create an account to join the conversation.
- Mikaw
-
- Offline
- Sustaining Member
-

Registered
- Posts: 4833
- Thanks: 1852
Re: Adding LED's to 1983 KZ440 LTD
19 Oct 2019 12:48
I have read about the load resistors. But the intent is to lighten up the draw on the charging system. Do the load resistors draw power similar to the incandescent’s? If so that defeats my purpose.
1976 KZ 900 A4
kzrider.com/forum/11-projects/613548-1976-kz-900-a4
1976 KZ 900 B1 LTD
1978 KZ 1000 B2 LTD
1980 KZ 750 E1
Kowledge Speaks, But Wisdom Listens.
Jimi Hendrix.
1976 KZ 900 B1 LTD
1978 KZ 1000 B2 LTD
1980 KZ 750 E1
Kowledge Speaks, But Wisdom Listens.
Jimi Hendrix.
Please Log in or Create an account to join the conversation.
- Mikaw
-
- Offline
- Sustaining Member
-

Registered
- Posts: 4833
- Thanks: 1852
Re: Adding LED's to 1983 KZ440 LTD
19 Oct 2019 13:49
OK, here’s something I just thought of. Which is the lesser of two evils? The draw from the coil in the relay, or the draw from the load resistor? This is what happens when I don’t completely understand electronics. Thanks for all the help.
1976 KZ 900 A4
kzrider.com/forum/11-projects/613548-1976-kz-900-a4
1976 KZ 900 B1 LTD
1978 KZ 1000 B2 LTD
1980 KZ 750 E1
Kowledge Speaks, But Wisdom Listens.
Jimi Hendrix.
1976 KZ 900 B1 LTD
1978 KZ 1000 B2 LTD
1980 KZ 750 E1
Kowledge Speaks, But Wisdom Listens.
Jimi Hendrix.
Please Log in or Create an account to join the conversation.
- Warren3200gt
-
- Offline
- User
-

Registered
- Posts: 1699
- Thanks: 889
Re: Adding LED's to 1983 KZ440 LTD
19 Oct 2019 14:01
Featured snippet from the web
Yes, and no. When current passes through the resistor, it generates heat and therefore wastes energy. ... Remember that with constant voltage, current is inversely proportional to resistance. The more resistance you inline into the circuit, the less current you pass, and therefore the less power you consume
According to that you should reduce power consumption using a resistor and an led uses nxt to nothing anyway.
Yes, and no. When current passes through the resistor, it generates heat and therefore wastes energy. ... Remember that with constant voltage, current is inversely proportional to resistance. The more resistance you inline into the circuit, the less current you pass, and therefore the less power you consume
According to that you should reduce power consumption using a resistor and an led uses nxt to nothing anyway.
Please Log in or Create an account to join the conversation.
- Mikaw
-
- Offline
- Sustaining Member
-

Registered
- Posts: 4833
- Thanks: 1852
Re: Adding LED's to 1983 KZ440 LTD
19 Oct 2019 20:48
How do I size the resister correctly? wouldn't it only have to match the ohms of the incandescent bulb to satisfy the brake light out warning system?
1976 KZ 900 A4
kzrider.com/forum/11-projects/613548-1976-kz-900-a4
1976 KZ 900 B1 LTD
1978 KZ 1000 B2 LTD
1980 KZ 750 E1
Kowledge Speaks, But Wisdom Listens.
Jimi Hendrix.
1976 KZ 900 B1 LTD
1978 KZ 1000 B2 LTD
1980 KZ 750 E1
Kowledge Speaks, But Wisdom Listens.
Jimi Hendrix.
Please Log in or Create an account to join the conversation.
Moderators: Street Fighter LTD
