Z500f dashboard
- silvereik
-
Topic Author
- Offline
- User
-

Registered
- Posts: 5
- Thanks: 0
Z500f dashboard
13 Jun 2017 01:26
I have z500f unitrack 1984 type zr500a and have problem with warning lights. It has digital gas meter. I beleve same as 550gt.
Problem is oil light, when ignition on there is no light and when it runs it show red light. Same problem with batteri light and stand light but stand sensor is removed. Multimeter show that oil sensor is switching fine.
Problem is oil light, when ignition on there is no light and when it runs it show red light. Same problem with batteri light and stand light but stand sensor is removed. Multimeter show that oil sensor is switching fine.
Please Log in or Create an account to join the conversation.
- martin_csr
-
- Offline
- User
-

Registered
- Posts: 7994
- Thanks: 1644
Re: Z500f dashboard
13 Jun 2017 05:50 - 13 Jun 2017 08:02
Oil light. Does your bike have an oil level sensor or an oil pressure switch? With an oil level sensor, when the oil level is low, I believe the warning light is supposed to flash. I guess I would remove the oil sensor & clean it. Check the electrical connections first in case the problem is from dirt & grunge in the connections. There are a couple of 500/550 pdf manuals floating around the internet.
Edit: oil light flashing from low oil is in a 500/550 pdf FSM. supplement section for 1982 models.
Battery sensor. Is the battery sensor being used? If the bat sensor isn't used, you would connect the pink wire to pos (+) & it's best to put a low amp blade fuse in-line with the pink wire to protect against frying the cluster. use a waterproof blade fuse holder.
Side stand switch. I think you'd want to jumper the side stand switch wires. When the side stand switch is being used, retracting the side stand operates the switch to complete the circuit. Brown is power (+). and I guess install a low amp blade fuse there as well.
Edit: oil light flashing from low oil is in a 500/550 pdf FSM. supplement section for 1982 models.
Battery sensor. Is the battery sensor being used? If the bat sensor isn't used, you would connect the pink wire to pos (+) & it's best to put a low amp blade fuse in-line with the pink wire to protect against frying the cluster. use a waterproof blade fuse holder.
Side stand switch. I think you'd want to jumper the side stand switch wires. When the side stand switch is being used, retracting the side stand operates the switch to complete the circuit. Brown is power (+). and I guess install a low amp blade fuse there as well.
Last edit: 13 Jun 2017 08:02 by martin_csr.
Please Log in or Create an account to join the conversation.
- loudhvx
-
- Offline
- KZr Legend
-

Registered
- Posts: 10863
- Thanks: 1622
Re: Z500f dashboard
13 Jun 2017 07:30 - 13 Jun 2017 07:32
My guess is that it is an oil level sensor. The Zr500/550A, (marketing name Z500F) , I believe is based on the Kz550H (gpz550) which uses an oil level sensor. The oil level goes down slightly when the motor runs, so you might be right at the point of being a bit low on oil. Check the oil level in the sight glass.
EDIT: Re-reading Martin's post... I didn't know that an oil level warning actually flashes. If that's the case, then maybe there truly is a dashboard electrical issue.
EDIT: Re-reading Martin's post... I didn't know that an oil level warning actually flashes. If that's the case, then maybe there truly is a dashboard electrical issue.
1981 KZ550 D1 gpz.
Kz550 valve train warning.
Other links.
Kz550 valve train warning.
Other links.
Last edit: 13 Jun 2017 07:32 by loudhvx.
Please Log in or Create an account to join the conversation.
- martin_csr
-
- Offline
- User
-

Registered
- Posts: 7994
- Thanks: 1644
Re: Z500f dashboard
13 Jun 2017 08:07 - 13 Jun 2017 08:09
Flashing oil warning light. pg. 389. 79-83 KZ400/500/550 FSM. 99924-1018-06.
I think it's the same manual on your site.
I think it's the same manual on your site.
Last edit: 13 Jun 2017 08:09 by martin_csr.
Please Log in or Create an account to join the conversation.
- silvereik
-
Topic Author
- Offline
- User
-

Registered
- Posts: 5
- Thanks: 0
Re: Z500f dashboard
13 Jun 2017 08:16
Oil levels are fine just changed (last run 15y. ago) and it suck oils up if i start it and look thru glass. Need to look what kind sensor it is. It has only one wire. When i tested with meter it works to me. It was just switching to ground and off but cant remember witch way.
Please Log in or Create an account to join the conversation.
- silvereik
-
Topic Author
- Offline
- User
-

Registered
- Posts: 5
- Thanks: 0
Re: Z500f dashboard
14 Jun 2017 06:08
I think it has oil pressure sensor. Just small plug with wire. Googeled for oil level sensor and that was different on picture. I havent have that bike mod history maybe dashboard is changed and it just work wrong way or wrong resistance, in manual there was some info to check it.
Video
Video
Please Log in or Create an account to join the conversation.
- loudhvx
-
- Offline
- KZr Legend
-

Registered
- Posts: 10863
- Thanks: 1622
Re: Z500f dashboard
14 Jun 2017 08:36 - 14 Jun 2017 09:00
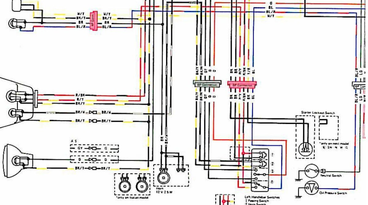
I checked the Zr500A1 wiring diagram in the supplements of my online manuals, and it does show an "oil pressure" switch, instead of an oil level switch. That's interesting because the motor more closely resembles the Kz550 H models which have oil level sensors. So maybe the oil pans are interchangeable with earlier Kz motors which had oil-pressure switches.
Unfortunately, we can't look up non-American parts on the Kaw website. I tried to put Zr500A2 into the fiche address, but nothing comes up.
The strange thing is, if it's a pressure switch, the oil light should be on when the motor is stopped. The wiring diagram for the ZR500A1 shows the circuit to be a conventional, simple circuit. That is, power goes to the bulb, then a ground wire from the bulb goes to the switch which gets grounded... just like on older Kz's. It should be fairly simple to fix, unless the ZR500A2 is different from the A1.
Unfortunately, we can't look up non-American parts on the Kaw website. I tried to put Zr500A2 into the fiche address, but nothing comes up.
The strange thing is, if it's a pressure switch, the oil light should be on when the motor is stopped. The wiring diagram for the ZR500A1 shows the circuit to be a conventional, simple circuit. That is, power goes to the bulb, then a ground wire from the bulb goes to the switch which gets grounded... just like on older Kz's. It should be fairly simple to fix, unless the ZR500A2 is different from the A1.
1981 KZ550 D1 gpz.
Kz550 valve train warning.
Other links.
Kz550 valve train warning.
Other links.
Last edit: 14 Jun 2017 09:00 by loudhvx.
Please Log in or Create an account to join the conversation.
- silvereik
-
Topic Author
- Offline
- User
-

Registered
- Posts: 5
- Thanks: 0
Re: Z500f dashboard
14 Jun 2017 09:05 - 14 Jun 2017 09:09
Yes its strange. Switch works but wrong way. Engine code is kz500ae (497cc) and frame is zr500a and it has one middle suspension at rear. Bigger cv carb also. Lot of differences what i find on internet and it makes it hard. I beleve its imported from germany and i live in finland.
Also i got other lights disabled thanks
Also i got other lights disabled thanks
Last edit: 14 Jun 2017 09:09 by silvereik.
Please Log in or Create an account to join the conversation.
- silvereik
-
Topic Author
- Offline
- User
-

Registered
- Posts: 5
- Thanks: 0
Re: Z500f dashboard
14 Jun 2017 09:13
Im afraid that cant swith wires because it has that fancy warning lights. Maybe somekind relay mod?
Please Log in or Create an account to join the conversation.
- loudhvx
-
- Offline
- KZr Legend
-

Registered
- Posts: 10863
- Thanks: 1622
Re: Z500f dashboard
14 Jun 2017 09:47
That oil warning in the video appears to be more complex than the ZR500A1 diagram suggests, so the A2 must be a different setup from the A1.
1981 KZ550 D1 gpz.
Kz550 valve train warning.
Other links.
Kz550 valve train warning.
Other links.
Please Log in or Create an account to join the conversation.
Moderators: Street Fighter LTD
