doubt wiring connection z1000j
- vjkin2
-
Topic Author
- Offline
- User
-

Registered
- Posts: 7
- Thanks: 0
doubt wiring connection z1000j
21 Nov 2016 13:36
i've bought the z1000j (EU) cable for my z1000j engine (EU) , it's all ok except for this one
they seems to be a bypass from pickup connection (same colors wire) to ic-ignitier
no other code , and with these i don't find anything usefull
now i'm not sure the go well and i don't know where the orange and blu/W go :S
tank u
and sorry 4 my english
they seems to be a bypass from pickup connection (same colors wire) to ic-ignitier
no other code , and with these i don't find anything usefull
now i'm not sure the go well and i don't know where the orange and blu/W go :S
tank u
and sorry 4 my english
z1000 mkII
Rau-Z1000j
Rau-Z1000j
Please Log in or Create an account to join the conversation.
- vjkin2
-
Topic Author
- Offline
- User
-

Registered
- Posts: 7
- Thanks: 0
Re: doubt wiring connection z1000j
23 Nov 2016 14:42
speaking with some mechanic friends , those two box seems to be one kind of g-pack that change the timing :blink:
i'll try without and after with
i'll try without and after with
z1000 mkII
Rau-Z1000j
Rau-Z1000j
Please Log in or Create an account to join the conversation.
- Jonas_Z1000j
-
- Offline
- User
-

Registered
- Posts: 94
- Thanks: 31
Re: doubt wiring connection z1000j
22 Nov 2022 09:59
Hi,
Did you ever find out what that device was and what happened when you remove it?
I think I have the same issue on a -J sold in Sweden. Its something between the pickup and igniter unit:
The blue and orange wires was connected on my bike from the main harness with wires in a long green sock, but the blue one caused troubles, It gets 4,7 A when I turn on the headlight and the engine stumbles!?
The EU model was rated at 98 bhp, and the US was 102 bhp. could this be as vjkin2 suggested something to retard timing/ reduce output? Or some kind of ignition blocking so you cant start it without neutral etc?
Did you ever find out what that device was and what happened when you remove it?
I think I have the same issue on a -J sold in Sweden. Its something between the pickup and igniter unit:
The blue and orange wires was connected on my bike from the main harness with wires in a long green sock, but the blue one caused troubles, It gets 4,7 A when I turn on the headlight and the engine stumbles!?
The EU model was rated at 98 bhp, and the US was 102 bhp. could this be as vjkin2 suggested something to retard timing/ reduce output? Or some kind of ignition blocking so you cant start it without neutral etc?
Z1000 J2 -82 not so running restoration object anymore
Z900RS -21 Green/Yellow
Z900RS -21 Green/Yellow
Please Log in or Create an account to join the conversation.
- martin_csr
-
- Offline
- User
-

Registered
- Posts: 7994
- Thanks: 1644
Re: doubt wiring connection z1000j
23 Nov 2022 05:17 - 23 Nov 2022 05:18
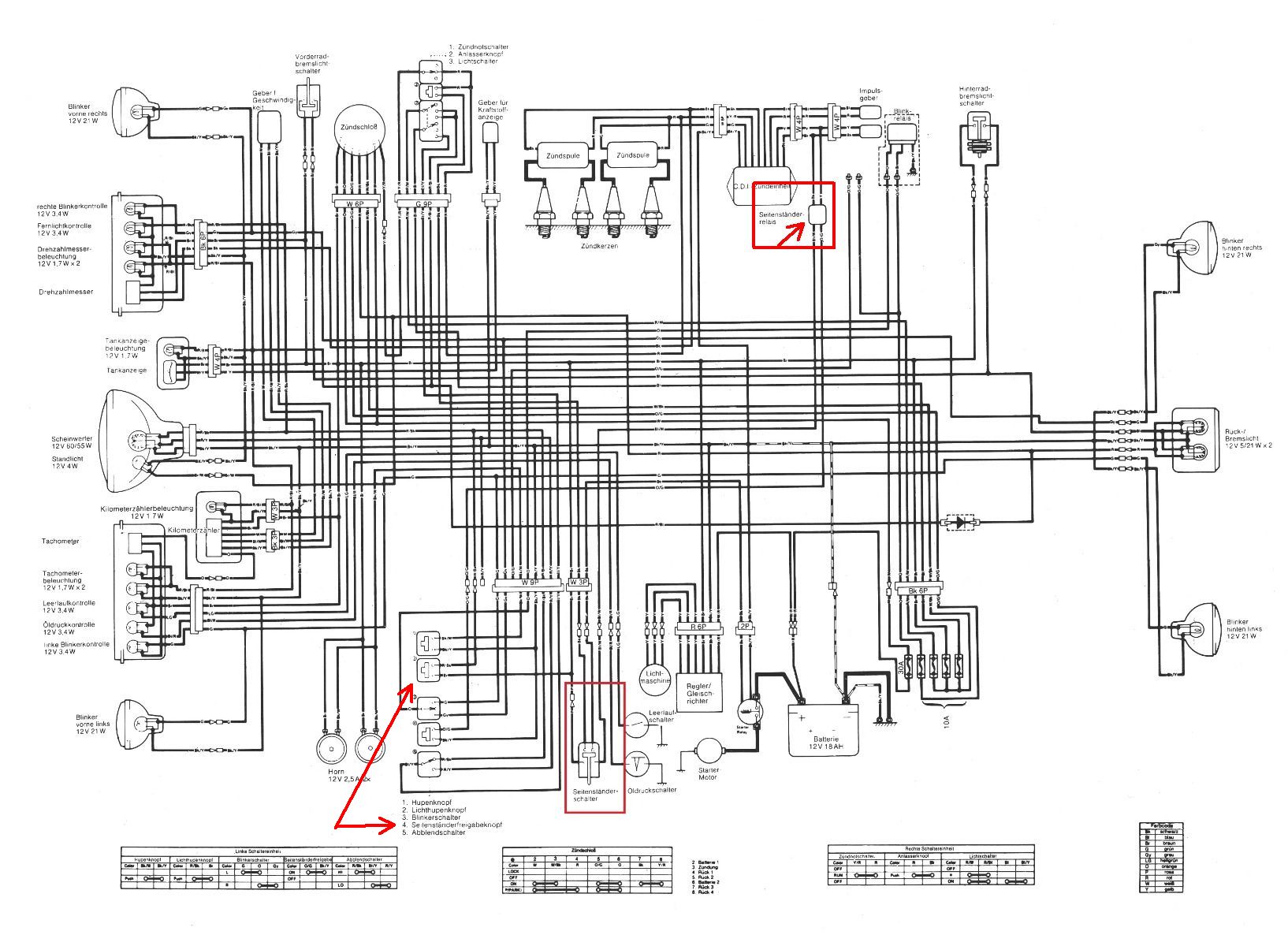
Hej, Hallå.* I'm not seeing a device in the European model wiring diagram.
It could be a relay for a security device. guessing.
I would remove the thing, then see if the motorcycle runs. assuming you haven't tried that already. doh.
* - google översätt.
It could be a relay for a security device. guessing.
I would remove the thing, then see if the motorcycle runs. assuming you haven't tried that already. doh.
* - google översätt.
Last edit: 23 Nov 2022 05:18 by martin_csr.
Please Log in or Create an account to join the conversation.
- Wookie58
-
- Away
- Moderator
-

Registered
- Posts: 6082
- Thanks: 3819
Re: doubt wiring connection z1000j
23 Nov 2022 08:06 - 23 Nov 2022 08:08
It certainly isn't a starter lock out, the idea is not to be able to operate the starter in gear and knock the bike off the stand which this wouldn't do. Given that there isn't a sign of this in the wiring diagrams for either US or European spec I can't see that you will hurt anything by trying it without
What colour wires is it connected to in the harness ?
What colour wires is it connected to in the harness ?
1982 KZ1000 Ltd
www.kzrider.com/forum/11-projects/617631...-82-begins?start=192
kzrider.com/filebase-alias?view=download...d-fault-diagnosis&ca
www.kzrider.com/forum/11-projects/617631...-82-begins?start=192
kzrider.com/filebase-alias?view=download...d-fault-diagnosis&ca
Last edit: 23 Nov 2022 08:08 by Wookie58.
Please Log in or Create an account to join the conversation.
- willemZ900
-
- Offline
- User
-

Registered
- Z1B 4 ever
- Posts: 197
- Thanks: 59
Please Log in or Create an account to join the conversation.
- Warren3200gt
-
- Offline
- User
-

Registered
- Posts: 1718
- Thanks: 904
Last edit: 23 Nov 2022 12:52 by Warren3200gt.
The following user(s) said Thank You: Jonas_Z1000j
Please Log in or Create an account to join the conversation.
- gd4now
-
- Offline
- User
-

Registered
- Denco where did you go?
- Posts: 1640
- Thanks: 651
Re: doubt wiring connection z1000j
23 Nov 2022 14:25 - 23 Nov 2022 14:26
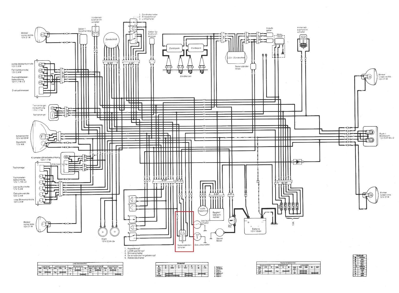
Not being able to read/understand the language I do think the item you indicated with red box is a starter lock out switch. But I do not think it is the device in question. I think it is located much closer to CDI unit and it appears to be called some type of relay?
1977 KZ650 B1
Pods and Denco header
OLD KAW OWNERS SMILE ALOT
Pods and Denco header
OLD KAW OWNERS SMILE ALOT
Last edit: 23 Nov 2022 14:26 by gd4now.
Please Log in or Create an account to join the conversation.
- Warren3200gt
-
- Offline
- User
-

Registered
- Posts: 1718
- Thanks: 904
Re: doubt wiring connection z1000j
23 Nov 2022 14:33 - 23 Nov 2022 14:36
It's not the red boxed item, that was already on the diagram from a previous issue. It's up by the IC ignitor at the top of the diagram just right of center.
Last edit: 23 Nov 2022 14:36 by Warren3200gt.
Please Log in or Create an account to join the conversation.
- Scirocco
-
- Offline
- Premium Member
-

Registered
- Never change a running system
- Posts: 4397
- Thanks: 2260
Re: doubt wiring connection z1000j
23 Nov 2022 17:02
Impulsgeber = Ignition picup coils
Seitenständerschalter = Side stand switch
Seitenständerrelais = Side stand relay
Seitenständerfreigabeknopf = Side stand release switch
Seitenständerschalter = Side stand switch
Seitenständerrelais = Side stand relay
Seitenständerfreigabeknopf = Side stand release switch
My 1975 Z 1 B 900 Project
www.kzrider.com/forum/11-projects/605133...ears-deep-sleep-mode
www.kzrider.com/forum/11-projects/605133...ears-deep-sleep-mode
Please Log in or Create an account to join the conversation.
- gd4now
-
- Offline
- User
-

Registered
- Denco where did you go?
- Posts: 1640
- Thanks: 651
Re: doubt wiring connection z1000j
23 Nov 2022 17:14
That is the one I was thinking of. Thanks for the translation that makes sense.
1977 KZ650 B1
Pods and Denco header
OLD KAW OWNERS SMILE ALOT
Pods and Denco header
OLD KAW OWNERS SMILE ALOT
Please Log in or Create an account to join the conversation.
- Wookie58
-
- Away
- Moderator
-

Registered
- Posts: 6082
- Thanks: 3819
Re: doubt wiring connection z1000j
24 Nov 2022 00:33
Warren - where is that diagram from please, I could not see that unit on any of the diagrams in the manual ?
Jonas - where and how are you measuring a 4.7amp draw from this unit ?
Jonas - where and how are you measuring a 4.7amp draw from this unit ?
1982 KZ1000 Ltd
www.kzrider.com/forum/11-projects/617631...-82-begins?start=192
kzrider.com/filebase-alias?view=download...d-fault-diagnosis&ca
www.kzrider.com/forum/11-projects/617631...-82-begins?start=192
kzrider.com/filebase-alias?view=download...d-fault-diagnosis&ca
Please Log in or Create an account to join the conversation.
Moderators: Street Fighter LTD
