Clutch basket rebuild Z1, 900, KZ1000
- Vinsky
-
Topic Author
- Offline
- User
-

Registered
- Posts: 120
- Thanks: 129
Clutch basket rebuild Z1, 900, KZ1000
19 Feb 2024 12:40
This is my first posting so bear with me. I inherited a bitsa 70-80 Z1R in pieces for many years. I purchased a new Z1 in 73 and by 74 turbocharged it and spent many years having fun with it. Can't recall how many times I rebuilt is but a lot. Mostly due
to holed pistons. Luckily my shop was 2 doors down from MTC engineering so I became a regular customer.
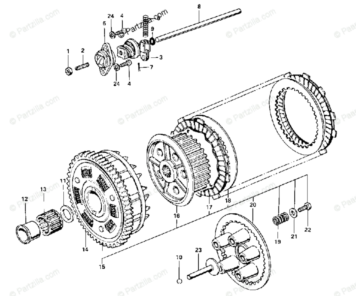
I'm interested in advice from anyone who has disassembled a clutch basket to replace the 6 damper springs which are very loose. I see there are kits available for this but no instructions on completing the job. Photos or videos would be very helpful.
to holed pistons. Luckily my shop was 2 doors down from MTC engineering so I became a regular customer.
I'm interested in advice from anyone who has disassembled a clutch basket to replace the 6 damper springs which are very loose. I see there are kits available for this but no instructions on completing the job. Photos or videos would be very helpful.
Vinsky
Please Log in or Create an account to join the conversation.
- Cra-z1
-
- Offline
- User
-

Registered
- Posts: 352
- Thanks: 274
Re: Clutch basket rebuild Z1, 900, KZ1000
19 Feb 2024 13:56
I had APE rebuild a clutch basket on the last 73 I rebuilt for my friend. I was going to do it myself but APE has the jigs (not sure what the jig consisted of) so I had them do it. They did a good job of course. I have had APE do at least 5 cylinder and head jobs in the last few years. Doesn't look like it would be to difficult.
The following user(s) said Thank You: Vinsky
Please Log in or Create an account to join the conversation.
- Vinsky
-
Topic Author
- Offline
- User
-

Registered
- Posts: 120
- Thanks: 129
Re: Clutch basket rebuild Z1, 900, KZ1000
19 Feb 2024 14:23
Thanks for your reply. I think it's a straight forward job. I should have asked where the 3
large thin washers are located so I won't need to disassemble another basket to find out. It appears the one of the washers is a bellville but I'm not sure of it's correct location or orientation. Making the 3 rivets to size, or oversize is not a problem.
large thin washers are located so I won't need to disassemble another basket to find out. It appears the one of the washers is a bellville but I'm not sure of it's correct location or orientation. Making the 3 rivets to size, or oversize is not a problem.
Vinsky
Please Log in or Create an account to join the conversation.
- Cra-z1
-
- Offline
- User
-

Registered
- Posts: 352
- Thanks: 274
Re: Clutch basket rebuild Z1, 900, KZ1000
19 Feb 2024 18:33
Cant answer that as I did not disassemble that hub. They did everything. What kit did you buy. I think a couple companies set the kit.
The following user(s) said Thank You: Vinsky
Please Log in or Create an account to join the conversation.
- asphalt900
-
- Offline
- Sustaining Member
-

Registered
- Posts: 1532
- Thanks: 1022
Re: Clutch basket rebuild Z1, 900, KZ1000
20 Feb 2024 02:51
Has been a while since i've done one of these baskets but i believe there is just ONE singular large belleville washer. And because everything has escalated in price, having APE do these has gone up in price too. Just had a Suzuki GS1100 basket done and it was 320USD plus Your shipping cost to get it there. I've got one apart down in the outbuilding but it's still dark outside here, i'll get you some pictures of the individual bits. I believe the "jig" that APE uses just keeps everything centered or balanced when rotating in use. They pop out the original rivets and install their own bigger ones along with the 6 springs of equal tension. Original had 3 heavier and 3 smaller. Also note that top plate in photo that holds the springs in place. If too worn the area that holds the springs can get hammered and resulting uneven finished tension preload on springs. Anyway maybe it'll bring back the memory since you haven't seen one in a while, ha.
The following user(s) said Thank You: Vinsky, increasing
Please Log in or Create an account to join the conversation.
- Vinsky
-
Topic Author
- Offline
- User
-

Registered
- Posts: 120
- Thanks: 129
Re: Clutch basket rebuild Z1, 900, KZ1000
20 Feb 2024 07:48 - 20 Feb 2024 07:48
As I mentioned in my post 895440, the disassembled clutch basket had 3 large thin spacer/washers in the pile. I don't have a problem making new rivets or silver brazing the worn spots in the spring retainer disk. Actually it's all quite simple, just want to be sure the parts go together in the correct place.
Vinsky
Last edit: 20 Feb 2024 07:48 by Vinsky. Reason: text
Please Log in or Create an account to join the conversation.
- Vinsky
-
Topic Author
- Offline
- User
-

Registered
- Posts: 120
- Thanks: 129
Re: Clutch basket rebuild Z1, 900, KZ1000
20 Feb 2024 15:05
Thanks guys for your observations and information. The clutch basket is completed.
Next issue is the steering lock that was broken off in the steering head. Once that is resolved the frame is off to the powder coater.
Next issue is the steering lock that was broken off in the steering head. Once that is resolved the frame is off to the powder coater.
Vinsky
Please Log in or Create an account to join the conversation.
- increasing
-
- Offline
- User
-

Registered
- curious to know
- Posts: 47
- Thanks: 18
Re: Clutch basket rebuild Z1, 900, KZ1000
08 Dec 2025 13:53
Where do you buy parts for this job and what do you need to buy? Why do you need a "jig" for the job and what does it look like?
increasing 
1974 Kawasaki Z1A 900, 1976 Kawasaki KZ900-A4, 1987 Kawasaki GPX750R
1974 Kawasaki Z1A 900, 1976 Kawasaki KZ900-A4, 1987 Kawasaki GPX750R
Please Log in or Create an account to join the conversation.
- Vinsky
-
Topic Author
- Offline
- User
-

Registered
- Posts: 120
- Thanks: 129
Re: Clutch basket rebuild Z1, 900, KZ1000
08 Dec 2025 16:15
APE, now called KZ Zone sells the parts and also has a youtube video of how to rebuild it.
kzzone.com/clutches.html
Vinsky
The following user(s) said Thank You: sf4t7, SWest, Wookie58
Please Log in or Create an account to join the conversation.
Moderators: Street Fighter LTD
