KZ650 C2 Fuel Injection Conversion
- Injected
-
Topic Author
- Offline
- User
-

Registered
- Posts: 1610
- Thanks: 1149
KZ650 C2 Fuel Injection Conversion
18 Oct 2023 14:48 - 18 Oct 2023 14:49
This is a long term project I started a while back.
Here are the build specs for this bike :
Motor and fuel system -
MTC 761cc 10:1 NOS pistons
82 KZ750 Spectre cylinder head (big valves)
Yoshimura "POP Y" Stage 2 cams .400"/.380" lift
82 KZ650 CSR cases/trans (750 style cases)
Vintage Charron 4 into 1 exhaust header
Custom bread box style air filter housing
36-1 toothed wheel and hall sensor ECU controlled ignition
Dyna 0.5 OHM mini ignition coils
1983 GPZ1100 DFI throttle bodies
stock GPZ1100 fuel rail
Ford 2.3L 15 pound reconditioned injectors
Porsche 914 adjustable fuel pressure regulator
Pingel high flow petcock
ZX6 OEM in tank fuel pump
Custom 2 Liter auxiliary tank to house fuel pump
40 micron and 10 micron fuel filters
Microsquirt V3 ECU
modified GM LS1 TPS
custom CHT and IAT sensors (NTC thremistors)
ZX6 tip over sensor
Bosch LSU 4.9 Wideband AFR sensor
Spartan2 controller
0-60 PSI liquid filled inline fuel pressure gauge
I should mention I am building a small auxiliary fuel tank that will bolt off of the front of a custom battery box. The tank will gravity feed from the main tank thru a low pressure fuel filter, the small tanks main purpose is to hold the ZX6 fuel pump. The space around the pump is required to cool the pump as it operates. The auxiliary tank will be vented with a small line running up to the steering neck ending above the main tanks filler neck.The battery box will house a taller 210cca 14AH gel mat battery, this have been the same battery I have used on my two current street bikes.The battery box serves as a mount point for the ECU, 2 relays, and a extra 6 blade fuse block required to run all the injection components. It will also mount the high pressure metal canister fuel filter that feeds the injectors.Since the space where a air box would reside is taken up by the auxiliary fuel tank I need to run filter pods on the injectors but this will not create a tuning issue because the ECU will automatically adjust itself to compensate. I may end up fabricating a air box but that will be further down the road once I get the injection conversion up and running.
Here are the build specs for this bike :
Motor and fuel system -
MTC 761cc 10:1 NOS pistons
82 KZ750 Spectre cylinder head (big valves)
Yoshimura "POP Y" Stage 2 cams .400"/.380" lift
82 KZ650 CSR cases/trans (750 style cases)
Vintage Charron 4 into 1 exhaust header
Custom bread box style air filter housing
36-1 toothed wheel and hall sensor ECU controlled ignition
Dyna 0.5 OHM mini ignition coils
1983 GPZ1100 DFI throttle bodies
stock GPZ1100 fuel rail
Ford 2.3L 15 pound reconditioned injectors
Porsche 914 adjustable fuel pressure regulator
Pingel high flow petcock
ZX6 OEM in tank fuel pump
Custom 2 Liter auxiliary tank to house fuel pump
40 micron and 10 micron fuel filters
Microsquirt V3 ECU
modified GM LS1 TPS
custom CHT and IAT sensors (NTC thremistors)
ZX6 tip over sensor
Bosch LSU 4.9 Wideband AFR sensor
Spartan2 controller
0-60 PSI liquid filled inline fuel pressure gauge
I should mention I am building a small auxiliary fuel tank that will bolt off of the front of a custom battery box. The tank will gravity feed from the main tank thru a low pressure fuel filter, the small tanks main purpose is to hold the ZX6 fuel pump. The space around the pump is required to cool the pump as it operates. The auxiliary tank will be vented with a small line running up to the steering neck ending above the main tanks filler neck.The battery box will house a taller 210cca 14AH gel mat battery, this have been the same battery I have used on my two current street bikes.The battery box serves as a mount point for the ECU, 2 relays, and a extra 6 blade fuse block required to run all the injection components. It will also mount the high pressure metal canister fuel filter that feeds the injectors.Since the space where a air box would reside is taken up by the auxiliary fuel tank I need to run filter pods on the injectors but this will not create a tuning issue because the ECU will automatically adjust itself to compensate. I may end up fabricating a air box but that will be further down the road once I get the injection conversion up and running.
1978 KZ650B2 w 1197cc Z1 engine
1977 KZ650B1 w 750cc Spectre engine
1979 KZ650C3 w 831cc Hot Rod engine
1978 KZ650C2 w 762cc DFI project
1977 KZ650C1 stock restoration project
1978 KZ650B2 modified project
1978 KZ650B2 Injected Drag 831cc
1980 Z1 Custom Frame Drag 1327cc
1981 Z50R Honda tow bike
1977 KZ650B1 w 750cc Spectre engine
1979 KZ650C3 w 831cc Hot Rod engine
1978 KZ650C2 w 762cc DFI project
1977 KZ650C1 stock restoration project
1978 KZ650B2 modified project
1978 KZ650B2 Injected Drag 831cc
1980 Z1 Custom Frame Drag 1327cc
1981 Z50R Honda tow bike
Last edit: 18 Oct 2023 14:49 by Injected. Reason: sp
Please Log in or Create an account to join the conversation.
- Injected
-
Topic Author
- Offline
- User
-

Registered
- Posts: 1610
- Thanks: 1149
Re: KZ650 C2 Fuel Injection Conversion
18 Oct 2023 14:54 - 18 Oct 2023 16:37
Except for gathering all the parts I did mock up and wired all the Fi components and made sure they worked.
Everything hangs off a modified battery box including the aux fuel tank and filter.
I have yet to build the engine or fabricate the fuel tank.
Everything hangs off a modified battery box including the aux fuel tank and filter.
I have yet to build the engine or fabricate the fuel tank.
1978 KZ650B2 w 1197cc Z1 engine
1977 KZ650B1 w 750cc Spectre engine
1979 KZ650C3 w 831cc Hot Rod engine
1978 KZ650C2 w 762cc DFI project
1977 KZ650C1 stock restoration project
1978 KZ650B2 modified project
1978 KZ650B2 Injected Drag 831cc
1980 Z1 Custom Frame Drag 1327cc
1981 Z50R Honda tow bike
1977 KZ650B1 w 750cc Spectre engine
1979 KZ650C3 w 831cc Hot Rod engine
1978 KZ650C2 w 762cc DFI project
1977 KZ650C1 stock restoration project
1978 KZ650B2 modified project
1978 KZ650B2 Injected Drag 831cc
1980 Z1 Custom Frame Drag 1327cc
1981 Z50R Honda tow bike
Last edit: 18 Oct 2023 16:37 by Injected. Reason: info
The following user(s) said Thank You: sf4t7
Please Log in or Create an account to join the conversation.
- Wookie58
-
- Offline
- Moderator
-

Registered
- Posts: 6160
- Thanks: 3887
Re: KZ650 C2 Fuel Injection Conversion
18 Oct 2023 15:00
Love what you are doing with this, I guess the secondary gas tank will also serve as a "swirl chamber" Keep us updated
1982 KZ1000 Ltd
www.kzrider.com/forum/11-projects/617631...-82-begins?start=192
kzrider.com/filebase-alias?view=download...d-fault-diagnosis&ca
www.kzrider.com/forum/11-projects/617631...-82-begins?start=192
kzrider.com/filebase-alias?view=download...d-fault-diagnosis&ca
The following user(s) said Thank You: Injected
Please Log in or Create an account to join the conversation.
- Injected
-
Topic Author
- Offline
- User
-

Registered
- Posts: 1610
- Thanks: 1149
Re: KZ650 C2 Fuel Injection Conversion
18 Oct 2023 15:36 - 18 Oct 2023 15:50
Thanks.
When I said long term project I started buying parts for it in 2016.
I am not in a rush to finish it as I have a parking issue, a lot of projects but no where to put them! They are currently easier to have around as parts bins.
The aux fuel tank idea came as a work around for one of those big amp draw external pumps. The small OEM pump does not draw that many amps and would be easier to replace in the tank I designed if it fails. I thought about putting it inside the 650 tank but that had its own issues, this idea seemed easier to me. The high pressure steel fuel filter is for a Buick V6 and its cheap to replace as well. There is a return line going into the stock gas tank to push back any unused fuel (same as GPZ DFI)
I am using Tunerstudio software to burn the tune to the ECU, I am going to control fuel and spark.
I have a barrel bored and honed for that piston kit. All I need to do is rebuild the 650 bottom end, split the cases and go over everything. The clutch hub will need to be redone as the pucks are shot.
When I said long term project I started buying parts for it in 2016.
I am not in a rush to finish it as I have a parking issue, a lot of projects but no where to put them! They are currently easier to have around as parts bins.
The aux fuel tank idea came as a work around for one of those big amp draw external pumps. The small OEM pump does not draw that many amps and would be easier to replace in the tank I designed if it fails. I thought about putting it inside the 650 tank but that had its own issues, this idea seemed easier to me. The high pressure steel fuel filter is for a Buick V6 and its cheap to replace as well. There is a return line going into the stock gas tank to push back any unused fuel (same as GPZ DFI)
I am using Tunerstudio software to burn the tune to the ECU, I am going to control fuel and spark.
I have a barrel bored and honed for that piston kit. All I need to do is rebuild the 650 bottom end, split the cases and go over everything. The clutch hub will need to be redone as the pucks are shot.
1978 KZ650B2 w 1197cc Z1 engine
1977 KZ650B1 w 750cc Spectre engine
1979 KZ650C3 w 831cc Hot Rod engine
1978 KZ650C2 w 762cc DFI project
1977 KZ650C1 stock restoration project
1978 KZ650B2 modified project
1978 KZ650B2 Injected Drag 831cc
1980 Z1 Custom Frame Drag 1327cc
1981 Z50R Honda tow bike
1977 KZ650B1 w 750cc Spectre engine
1979 KZ650C3 w 831cc Hot Rod engine
1978 KZ650C2 w 762cc DFI project
1977 KZ650C1 stock restoration project
1978 KZ650B2 modified project
1978 KZ650B2 Injected Drag 831cc
1980 Z1 Custom Frame Drag 1327cc
1981 Z50R Honda tow bike
Last edit: 18 Oct 2023 15:50 by Injected. Reason: sp
The following user(s) said Thank You: Wookie58
Please Log in or Create an account to join the conversation.
- Injected
-
Topic Author
- Offline
- User
-

Registered
- Posts: 1610
- Thanks: 1149
Re: KZ650 C2 Fuel Injection Conversion
19 Oct 2023 16:01 - 19 Oct 2023 18:03
The sided covers hide all of the wiring but if you look close you can see the wiring bundle under the battery box.
These are just mock up covers from another bike, this bike will be painted green. I will be using those FI decals, they are from the door handles of a '90's Trans Am.
Aux fuel tank parts.
40 micron fuel filter (high pressure) fits under side cover.
Not too many chassis improvements, 83 ZX750 Unitrac wheels, Suzuki SV650 front calipers, and ZX6 rear caliper.
Emgo Viper fairing
These are just mock up covers from another bike, this bike will be painted green. I will be using those FI decals, they are from the door handles of a '90's Trans Am.
Aux fuel tank parts.
40 micron fuel filter (high pressure) fits under side cover.
Not too many chassis improvements, 83 ZX750 Unitrac wheels, Suzuki SV650 front calipers, and ZX6 rear caliper.
Emgo Viper fairing
1978 KZ650B2 w 1197cc Z1 engine
1977 KZ650B1 w 750cc Spectre engine
1979 KZ650C3 w 831cc Hot Rod engine
1978 KZ650C2 w 762cc DFI project
1977 KZ650C1 stock restoration project
1978 KZ650B2 modified project
1978 KZ650B2 Injected Drag 831cc
1980 Z1 Custom Frame Drag 1327cc
1981 Z50R Honda tow bike
1977 KZ650B1 w 750cc Spectre engine
1979 KZ650C3 w 831cc Hot Rod engine
1978 KZ650C2 w 762cc DFI project
1977 KZ650C1 stock restoration project
1978 KZ650B2 modified project
1978 KZ650B2 Injected Drag 831cc
1980 Z1 Custom Frame Drag 1327cc
1981 Z50R Honda tow bike
Last edit: 19 Oct 2023 18:03 by Injected. Reason: pic
The following user(s) said Thank You: Wookie58
Please Log in or Create an account to join the conversation.
- Nebr_Rex
-
- Offline
- User
-

Registered
- Posts: 1889
- Thanks: 295
Re: KZ650 C2 Fuel Injection Conversion
21 Oct 2023 18:29
Are 35lb. injectors going to be to big?
.
.
2002 ZRX1200R
81 GPz1100
79 KZ1000st daily ride
79 KZ1000mk2 prodject
78 KZ650sr
78 KZ650b
81 KZ750e
80 KZ750ltd
77 KZ400/440 cafe project
76 KZ400/440 Fuel Injected
www.dotheton.com/index.php?threads/dr-je...air-of-kz400s.39120/
.
81 GPz1100
79 KZ1000st daily ride
79 KZ1000mk2 prodject
78 KZ650sr
78 KZ650b
81 KZ750e
80 KZ750ltd
77 KZ400/440 cafe project
76 KZ400/440 Fuel Injected
www.dotheton.com/index.php?threads/dr-je...air-of-kz400s.39120/
.
Please Log in or Create an account to join the conversation.
- Injected
-
Topic Author
- Offline
- User
-

Registered
- Posts: 1610
- Thanks: 1149
Re: KZ650 C2 Fuel Injection Conversion
22 Oct 2023 07:00 - 22 Oct 2023 07:18That was a typo, should be 15lbs/hr (157cc/min) According to the math they will support 96 HP.Are 35lb. injectors going to be to big?
.
With the parts I chose I think I will be under that for sure, maybe around 85 HP as its only 761cc.
Those injectors came stock in a 2.3L four cylinder EFI engine with a output of 100 HP.
They were easier and cheaper to buy than replacement GPZ1100 units which flowed 200cc/min.
1978 KZ650B2 w 1197cc Z1 engine
1977 KZ650B1 w 750cc Spectre engine
1979 KZ650C3 w 831cc Hot Rod engine
1978 KZ650C2 w 762cc DFI project
1977 KZ650C1 stock restoration project
1978 KZ650B2 modified project
1978 KZ650B2 Injected Drag 831cc
1980 Z1 Custom Frame Drag 1327cc
1981 Z50R Honda tow bike
1977 KZ650B1 w 750cc Spectre engine
1979 KZ650C3 w 831cc Hot Rod engine
1978 KZ650C2 w 762cc DFI project
1977 KZ650C1 stock restoration project
1978 KZ650B2 modified project
1978 KZ650B2 Injected Drag 831cc
1980 Z1 Custom Frame Drag 1327cc
1981 Z50R Honda tow bike
Last edit: 22 Oct 2023 07:18 by Injected. Reason: info
The following user(s) said Thank You: Wookie58
Please Log in or Create an account to join the conversation.
- Nebr_Rex
-
- Offline
- User
-

Registered
- Posts: 1889
- Thanks: 295
Re: KZ650 C2 Fuel Injection Conversion
22 Oct 2023 20:36
You might want to look into the colors of the Bosch EV1 injectors. My daily driver is a Ranger with one of those 2.3s.
Just installed some 24lb. following my secondmodified upper intake. Here is a list off the top of my head of what Ford used.
lbs./color /application.
12lb./ forgot the color/ / 300 6cyl (55 psi )
14lb./ grey / 2.3 '89-'94 Ranger
15lb./ red-maroon / 2.3-2.5 '95 and up Ranger
19lb./ orange / V8 and V6
24lb./ blue / 460
35lb. / brown / 2.3 turbo (Thunderbird )
.
Just installed some 24lb. following my secondmodified upper intake. Here is a list off the top of my head of what Ford used.
lbs./color /application.
12lb./ forgot the color/ / 300 6cyl (55 psi )
14lb./ grey / 2.3 '89-'94 Ranger
15lb./ red-maroon / 2.3-2.5 '95 and up Ranger
19lb./ orange / V8 and V6
24lb./ blue / 460
35lb. / brown / 2.3 turbo (Thunderbird )
.
2002 ZRX1200R
81 GPz1100
79 KZ1000st daily ride
79 KZ1000mk2 prodject
78 KZ650sr
78 KZ650b
81 KZ750e
80 KZ750ltd
77 KZ400/440 cafe project
76 KZ400/440 Fuel Injected
www.dotheton.com/index.php?threads/dr-je...air-of-kz400s.39120/
.
81 GPz1100
79 KZ1000st daily ride
79 KZ1000mk2 prodject
78 KZ650sr
78 KZ650b
81 KZ750e
80 KZ750ltd
77 KZ400/440 cafe project
76 KZ400/440 Fuel Injected
www.dotheton.com/index.php?threads/dr-je...air-of-kz400s.39120/
.
Please Log in or Create an account to join the conversation.
- Injected
-
Topic Author
- Offline
- User
-

Registered
- Posts: 1610
- Thanks: 1149
Re: KZ650 C2 Fuel Injection Conversion
23 Oct 2023 05:04
I did not know there was a color code system.
I will check the part numbers on them. If they are the wrong rating I will replace them, they only cost me $10 each.
I will check the part numbers on them. If they are the wrong rating I will replace them, they only cost me $10 each.
1978 KZ650B2 w 1197cc Z1 engine
1977 KZ650B1 w 750cc Spectre engine
1979 KZ650C3 w 831cc Hot Rod engine
1978 KZ650C2 w 762cc DFI project
1977 KZ650C1 stock restoration project
1978 KZ650B2 modified project
1978 KZ650B2 Injected Drag 831cc
1980 Z1 Custom Frame Drag 1327cc
1981 Z50R Honda tow bike
1977 KZ650B1 w 750cc Spectre engine
1979 KZ650C3 w 831cc Hot Rod engine
1978 KZ650C2 w 762cc DFI project
1977 KZ650C1 stock restoration project
1978 KZ650B2 modified project
1978 KZ650B2 Injected Drag 831cc
1980 Z1 Custom Frame Drag 1327cc
1981 Z50R Honda tow bike
Please Log in or Create an account to join the conversation.
- Injected
-
Topic Author
- Offline
- User
-

Registered
- Posts: 1610
- Thanks: 1149
Re: KZ650 C2 Fuel Injection Conversion
24 Oct 2023 14:18
The injectors have Ford PN F47E-A2E molded on them.
From the info I could gather they are for a 2.3L 4 cylinder NA engine, 14 LB/HR flow rate. To be sure I will make a test rig and test the output at 43PSI for 15 seconds and extrapolate the flow rate in LB/HR to make sure they are correct. They are a remanufactured flow rated set (within 3% of each other)
From the info I could gather they are for a 2.3L 4 cylinder NA engine, 14 LB/HR flow rate. To be sure I will make a test rig and test the output at 43PSI for 15 seconds and extrapolate the flow rate in LB/HR to make sure they are correct. They are a remanufactured flow rated set (within 3% of each other)
1978 KZ650B2 w 1197cc Z1 engine
1977 KZ650B1 w 750cc Spectre engine
1979 KZ650C3 w 831cc Hot Rod engine
1978 KZ650C2 w 762cc DFI project
1977 KZ650C1 stock restoration project
1978 KZ650B2 modified project
1978 KZ650B2 Injected Drag 831cc
1980 Z1 Custom Frame Drag 1327cc
1981 Z50R Honda tow bike
1977 KZ650B1 w 750cc Spectre engine
1979 KZ650C3 w 831cc Hot Rod engine
1978 KZ650C2 w 762cc DFI project
1977 KZ650C1 stock restoration project
1978 KZ650B2 modified project
1978 KZ650B2 Injected Drag 831cc
1980 Z1 Custom Frame Drag 1327cc
1981 Z50R Honda tow bike
Please Log in or Create an account to join the conversation.
- Injected
-
Topic Author
- Offline
- User
-

Registered
- Posts: 1610
- Thanks: 1149
Re: KZ650 C2 Fuel Injection Conversion
04 Nov 2023 07:19 - 04 Nov 2023 07:26
Did a little digging and cross referencing of part numbers and found this web site on fuel injector flow rates per make/model :
users.erols.com/srweiss/tableifc.htm
Found a different part number for the injectors then found the flow rate on those tables.
The color of the molded plastic on a used injector can vary drastically due to under hood temperatures, ozone, and any chemicals those parts have been exposed too.
Found a different part number for the injectors then found the flow rate on those tables.
The color of the molded plastic on a used injector can vary drastically due to under hood temperatures, ozone, and any chemicals those parts have been exposed too.
1978 KZ650B2 w 1197cc Z1 engine
1977 KZ650B1 w 750cc Spectre engine
1979 KZ650C3 w 831cc Hot Rod engine
1978 KZ650C2 w 762cc DFI project
1977 KZ650C1 stock restoration project
1978 KZ650B2 modified project
1978 KZ650B2 Injected Drag 831cc
1980 Z1 Custom Frame Drag 1327cc
1981 Z50R Honda tow bike
1977 KZ650B1 w 750cc Spectre engine
1979 KZ650C3 w 831cc Hot Rod engine
1978 KZ650C2 w 762cc DFI project
1977 KZ650C1 stock restoration project
1978 KZ650B2 modified project
1978 KZ650B2 Injected Drag 831cc
1980 Z1 Custom Frame Drag 1327cc
1981 Z50R Honda tow bike
Last edit: 04 Nov 2023 07:26 by Injected. Reason: info
The following user(s) said Thank You: Wookie58
Please Log in or Create an account to join the conversation.
- Injected
-
Topic Author
- Offline
- User
-

Registered
- Posts: 1610
- Thanks: 1149
Re: KZ650 C2 Fuel Injection Conversion
02 Aug 2024 07:58 - 02 Aug 2024 12:53
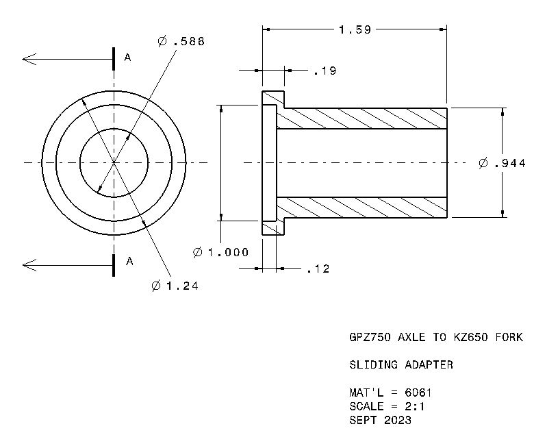
Started back on this by looking at the wheels. Rear axle size is the same on '83 ZX750 Unitrac wheels but the front is a different story. KZ650 forks use a 17mm axle and ZX750 uses a 15mm axle as shown in this picture (650 has hex end bushings)
The ZX750 axle is almost identical to what Kawasaki used on the '81 GPZ550. In that picture I already cut some material (and a hole) off the fixed end to make the length the same as the 650 with bushings attached.
All that is required now is to make some fork clamp adapters to mimic those hex bushings on the 650 axle. I measured them up and did some drawings so I could cut them on the lathe when I get a chance.
This is a example of what the wheels will look like installed.
I also have a ZX750 front fender like the one in that picture to install. Its a bit wide for the 650 forks, but I believe I can address that when the time comes to fit it. I recently bought some stock replacement brake rotors as the ones that came on the wheels were too far gone to use.
The frame has been painted and was assembled with a carb engine in it to get it certified safe for road use. The only thing keeping it off the road is insurance and a plate. I can take my sweet time getting the fuel injection part of it working once I build the engine.
The ZX750 axle is almost identical to what Kawasaki used on the '81 GPZ550. In that picture I already cut some material (and a hole) off the fixed end to make the length the same as the 650 with bushings attached.
All that is required now is to make some fork clamp adapters to mimic those hex bushings on the 650 axle. I measured them up and did some drawings so I could cut them on the lathe when I get a chance.
This is a example of what the wheels will look like installed.
I also have a ZX750 front fender like the one in that picture to install. Its a bit wide for the 650 forks, but I believe I can address that when the time comes to fit it. I recently bought some stock replacement brake rotors as the ones that came on the wheels were too far gone to use.
The frame has been painted and was assembled with a carb engine in it to get it certified safe for road use. The only thing keeping it off the road is insurance and a plate. I can take my sweet time getting the fuel injection part of it working once I build the engine.
1978 KZ650B2 w 1197cc Z1 engine
1977 KZ650B1 w 750cc Spectre engine
1979 KZ650C3 w 831cc Hot Rod engine
1978 KZ650C2 w 762cc DFI project
1977 KZ650C1 stock restoration project
1978 KZ650B2 modified project
1978 KZ650B2 Injected Drag 831cc
1980 Z1 Custom Frame Drag 1327cc
1981 Z50R Honda tow bike
1977 KZ650B1 w 750cc Spectre engine
1979 KZ650C3 w 831cc Hot Rod engine
1978 KZ650C2 w 762cc DFI project
1977 KZ650C1 stock restoration project
1978 KZ650B2 modified project
1978 KZ650B2 Injected Drag 831cc
1980 Z1 Custom Frame Drag 1327cc
1981 Z50R Honda tow bike
Last edit: 02 Aug 2024 12:53 by Injected.
The following user(s) said Thank You: Wookie58
Please Log in or Create an account to join the conversation.
Moderators: Street Fighter LTD
