Electrical
- jstry11
-
Topic Author
- Offline
- User
-

Registered
- Posts: 43
- Thanks: 7
Electrical
23 Dec 2024 20:41
I'm in search for the simplest wiring diagram using the OEM regulator and IC igniter to get spark at the plugs. For the life of me I can't figure out the coil wiring. Any help or guidance will be greatly appreciated
1982 KZ 550
1982 KZ 550
82 KZ 550
Please Log in or Create an account to join the conversation.
- TexasKZ
-
- Offline
- Platinum Member
-

Registered
- Posts: 8177
- Thanks: 2668
Re: Electrical
24 Dec 2024 05:58
1982 KZ1000 LTD parts donor
1981 KZ1000 LTD awaiting resurrection
2000 ZRX1100 not ridden enough
www.kzrider.com/11-projects/620336-anoth...uild-thread?start=24
1981 KZ1000 LTD awaiting resurrection
2000 ZRX1100 not ridden enough
www.kzrider.com/11-projects/620336-anoth...uild-thread?start=24
The following user(s) said Thank You: jstry11
Please Log in or Create an account to join the conversation.
- TexasKZ
-
- Offline
- Platinum Member
-

Registered
- Posts: 8177
- Thanks: 2668
Re: Electrical
24 Dec 2024 06:00
You should download everything you think you might ever need from his website, because one day it will all disappear without warning.
s3.amazonaws.com/gpzweb/index.html#home
s3.amazonaws.com/gpzweb/index.html#home
1982 KZ1000 LTD parts donor
1981 KZ1000 LTD awaiting resurrection
2000 ZRX1100 not ridden enough
www.kzrider.com/11-projects/620336-anoth...uild-thread?start=24
1981 KZ1000 LTD awaiting resurrection
2000 ZRX1100 not ridden enough
www.kzrider.com/11-projects/620336-anoth...uild-thread?start=24
The following user(s) said Thank You: slmjim+Z1BEBE, F64
Please Log in or Create an account to join the conversation.
- gd4now
-
- Offline
- User
-

Registered
- Denco where did you go?
- Posts: 1642
- Thanks: 652
Re: Electrical
24 Dec 2024 07:17
I do not currently have a color wiring diagram for the 82 550, I have several in black and white which I for some reason have problems with that the color ones do not give me.I do have a pic of a 650 B1 showing just what you are asking for and have attached it below. Keep in mind there are some major changes (points, excited field alternator etc) but it does show the paths.
1977 KZ650 B1
Pods and Denco header
OLD KAW OWNERS SMILE ALOT
Pods and Denco header
OLD KAW OWNERS SMILE ALOT
The following user(s) said Thank You: jstry11
Please Log in or Create an account to join the conversation.
- H1Vindicator
-
- Offline
- User
-

Registered
- Posts: 839
- Thanks: 149
Re: Electrical
24 Dec 2024 10:02 - 25 Dec 2024 08:24
the posted gpz550 wiring diagram is probably from the bare bones for mattylight topic. if it's still available. I'm getting an error message for the search. there may be or may have been other 550 diagrams. the topic is/was 40 or 50 pages with dozens of diagrams that covered many models.
Last edit: 25 Dec 2024 08:24 by H1Vindicator.
Please Log in or Create an account to join the conversation.
- TexasKZ
-
- Offline
- Platinum Member
-

Registered
- Posts: 8177
- Thanks: 2668
Re: Electrical
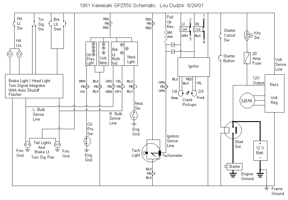
26 Dec 2024 07:09 - 26 Dec 2024 07:12I snagged it from Lou's website.the posted gpz550 wiring diagram is probably from the bare bones for mattylight topic. if it's still available. I'm getting an error message for the search. there may be or may have been other 550 diagrams. the topic is/was 40 or 50 pages with dozens of diagrams that covered many models.
You are right about that thread. I wonder if it could be bookmarked? Might be helpful to snag all the images from it and file them in some useful order.
1982 KZ1000 LTD parts donor
1981 KZ1000 LTD awaiting resurrection
2000 ZRX1100 not ridden enough
www.kzrider.com/11-projects/620336-anoth...uild-thread?start=24
1981 KZ1000 LTD awaiting resurrection
2000 ZRX1100 not ridden enough
www.kzrider.com/11-projects/620336-anoth...uild-thread?start=24
Last edit: 26 Dec 2024 07:12 by TexasKZ.
Please Log in or Create an account to join the conversation.
- Wookie58
-
- Away
- Moderator
-

Registered
- Posts: 6143
- Thanks: 3879
Re: Electrical
26 Dec 2024 07:31
Will look at it after the holidays
1982 KZ1000 Ltd
www.kzrider.com/forum/11-projects/617631...-82-begins?start=192
kzrider.com/filebase-alias?view=download...d-fault-diagnosis&ca
www.kzrider.com/forum/11-projects/617631...-82-begins?start=192
kzrider.com/filebase-alias?view=download...d-fault-diagnosis&ca
Please Log in or Create an account to join the conversation.
Moderators: Street Fighter LTD
