Installation Dyna S ignition, Dyna coils and plug leads Z1100ST
- Booster
-
Topic Author
- Offline
- User
-

Registered
- Posts: 17
- Thanks: 0
Installation Dyna S ignition, Dyna coils and plug leads Z1100ST
10 Oct 2020 04:47
Hi all
I am trying to mount my new Dyna S ignition, coils and plug leads.
No problem installing the coils and plug leads, so fare so good.
But I am confused with the wires of the ignition itself of the existing old installation (see first picture 1838). Is this original? The wire in my hand is coming from the ignition, four wires as usual: black and green for the coils, and red and blue to be connected to the batterie. This four wires are connected to a part that you see on the second picture (1840) and I do not know what it is for (a kind of a fuse, 30A?). Is this an original part of the Z1100ST and is it necessary to keep it? From there I have a blue and a yellow cable going to the coils, and again four wires (red, blue, yellow and black) which I do not really now at the moment where they are going.
When I remove this middle part, I would connect the coils cable of the new ignition (black and green) to the blue and yellow you see on the right of picture 1840, and the red ones to the batterie; but I do not know of I have to make a new connection to the batterie, or to connect it with the existing plug with the four wires?
I found two red wires that were not connected/used (perhaps from an older installation? see picture 3/1841). Perhaps I have to connect the wird wires of the new ignition with these red ones, the and the plug with the four wires would not be used anymore?
You see, a lot of questions and miracles
Thank you for making me confident that the new ignition will work one day
Regards
Daniel
I am trying to mount my new Dyna S ignition, coils and plug leads.
No problem installing the coils and plug leads, so fare so good.
But I am confused with the wires of the ignition itself of the existing old installation (see first picture 1838). Is this original? The wire in my hand is coming from the ignition, four wires as usual: black and green for the coils, and red and blue to be connected to the batterie. This four wires are connected to a part that you see on the second picture (1840) and I do not know what it is for (a kind of a fuse, 30A?). Is this an original part of the Z1100ST and is it necessary to keep it? From there I have a blue and a yellow cable going to the coils, and again four wires (red, blue, yellow and black) which I do not really now at the moment where they are going.
When I remove this middle part, I would connect the coils cable of the new ignition (black and green) to the blue and yellow you see on the right of picture 1840, and the red ones to the batterie; but I do not know of I have to make a new connection to the batterie, or to connect it with the existing plug with the four wires?
I found two red wires that were not connected/used (perhaps from an older installation? see picture 3/1841). Perhaps I have to connect the wird wires of the new ignition with these red ones, the and the plug with the four wires would not be used anymore?
You see, a lot of questions and miracles
Thank you for making me confident that the new ignition will work one day
Regards
Daniel
Please Log in or Create an account to join the conversation.
- Booster
-
Topic Author
- Offline
- User
-

Registered
- Posts: 17
- Thanks: 0
Please Log in or Create an account to join the conversation.
- zed1015
-
- Offline
- User
-

Registered
- Posts: 3247
- Thanks: 1940
Re: Installation Dyna S ignition, Dyna coils and plug leads Z1100ST
10 Oct 2020 05:06
The lead from the Dyna should be routed up under the tank to the coils.
The red wire should spliced into the coils ( or any suitable) switched live (positive) feed and the black and green wires simply attach to the coils..
Black serves cylinders 1-4 and the Green 2-3.
The existing ignitor box for the original ST electronic ignition is now redundant and needs removing or just disconnecting.
The red wire should spliced into the coils ( or any suitable) switched live (positive) feed and the black and green wires simply attach to the coils..
Black serves cylinders 1-4 and the Green 2-3.
The existing ignitor box for the original ST electronic ignition is now redundant and needs removing or just disconnecting.
AIR CORRECTOR JETS FOR VM CARBS AND ETHANOL RESISTANT VITON CHOKE PLUNGER SEAL REPLACMENT FOR ALL CLASSIC AND MODERN MOTORCYCLE CARBURETTORS
www.kzrider.com/forum/23-for-sale/611992...lide-mikunis?start=1
www.kzrider.com/forum/23-for-sale/611992...lide-mikunis?start=1
The following user(s) said Thank You: Booster
Please Log in or Create an account to join the conversation.
- loudhvx
-
- Offline
- KZr Legend
-

Registered
- Posts: 10863
- Thanks: 1622
Re: Installation Dyna S ignition, Dyna coils and plug leads Z1100ST
10 Oct 2020 07:29 - 10 Oct 2020 08:20
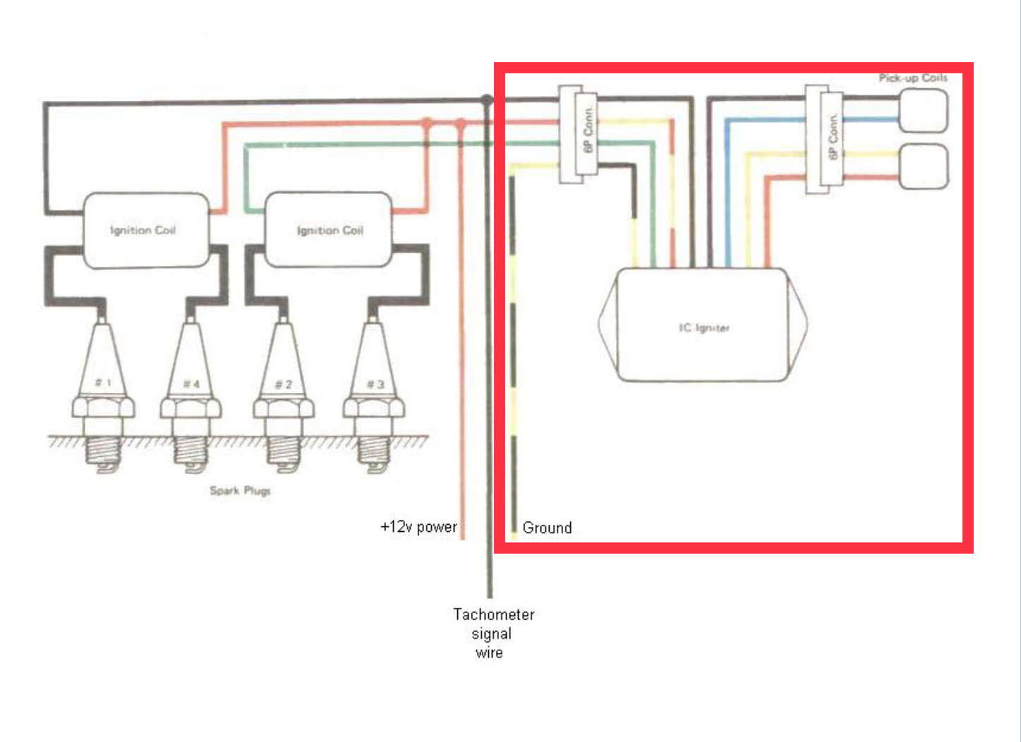
I've never seen that little box thing inline with any pickup wires on any Kz. I have also never seen one in a Kz wiring diagram. It doesn't look like a homemade modification. Maybe it was some aftermarket thing.
The black, yellow, red, and blue wires are the four pickup wires. Usually they should go directly to the igniter and nowhere else. That little box seems to be interrupting or connecting to the black and yellow wires. Maybe it was for an aftermarket tachometer? Maybe that was causing ignition problems. If it's for a tach, you will have to work out something new for the dyna s to run the tach.
Can you tell where that green insulation goes up to?
I haven't found an ST diagram yet. This diagram is for a kz1000, but most if not all 1000/1100 are similar or same.
The black, yellow, red, and blue wires are the four pickup wires. Usually they should go directly to the igniter and nowhere else. That little box seems to be interrupting or connecting to the black and yellow wires. Maybe it was for an aftermarket tachometer? Maybe that was causing ignition problems. If it's for a tach, you will have to work out something new for the dyna s to run the tach.
Can you tell where that green insulation goes up to?
I haven't found an ST diagram yet. This diagram is for a kz1000, but most if not all 1000/1100 are similar or same.
1981 KZ550 D1 gpz.
Kz550 valve train warning.
Other links.
Kz550 valve train warning.
Other links.
Last edit: 10 Oct 2020 08:20 by loudhvx.
The following user(s) said Thank You: Mikaw, Booster
Please Log in or Create an account to join the conversation.
- Booster
-
Topic Author
- Offline
- User
-

Registered
- Posts: 17
- Thanks: 0
Re: Installation Dyna S ignition, Dyna coils and plug leads Z1100ST
10 Oct 2020 14:38
The green insulation contains a blue and an yellow wire going up to the main harness, and I considered them as the wires to go to the coils, but perhaps I am wrong, because the connection to the old coils out of the main harness are two read wires and then not yellow and an blue, but a black and a green wire, the usual colors for coils. Perhaps these two wires (blue and yellow) were for the extra aftermarket cadged you mentioned?
When you are saying that the black, yellow, red and blue wires are the four pickup wires, could they be connected directly with the red-red-black-green wires from the new ignition? In the picture below I connected the plug from the old ignition directly to this plug. Perhaps my ignition problem would have been solved by this.
Or perhaps it is easier make complete new connections (black and green from new ignition directely to the coils, the two red to be entered at a new place in between a 12V
connection.
Thanks and regards
Daniel
When you are saying that the black, yellow, red and blue wires are the four pickup wires, could they be connected directly with the red-red-black-green wires from the new ignition? In the picture below I connected the plug from the old ignition directly to this plug. Perhaps my ignition problem would have been solved by this.
Or perhaps it is easier make complete new connections (black and green from new ignition directely to the coils, the two red to be entered at a new place in between a 12V
connection.
Thanks and regards
Daniel
Please Log in or Create an account to join the conversation.
- Mikaw
-
- Offline
- Sustaining Member
-

Registered
- Posts: 4825
- Thanks: 1852
Re: Installation Dyna S ignition, Dyna coils and plug leads Z1100ST
10 Oct 2020 14:48 - 10 Oct 2020 17:02
Your Dyna S replaces all of this in my red box.
EDIT- LoudHVX actually posted this image. It’s the red box I’m referring to as mine... Lou gets all the credit. Just notice my phrasing made it sound like my image
Then connect the gray 3 conductor wire containing the red, green, and black. Then connect them as shown is this illustration
EDIT- LoudHVX actually posted this image. It’s the red box I’m referring to as mine... Lou gets all the credit. Just notice my phrasing made it sound like my image
Then connect the gray 3 conductor wire containing the red, green, and black. Then connect them as shown is this illustration
1976 KZ 900 A4
kzrider.com/forum/11-projects/613548-1976-kz-900-a4
1976 KZ 900 B1 LTD
1978 KZ 1000 B2 LTD
1980 KZ 750 E1
Kowledge Speaks, But Wisdom Listens.
Jimi Hendrix.
1976 KZ 900 B1 LTD
1978 KZ 1000 B2 LTD
1980 KZ 750 E1
Kowledge Speaks, But Wisdom Listens.
Jimi Hendrix.
Last edit: 10 Oct 2020 17:02 by Mikaw.
The following user(s) said Thank You: Booster
Please Log in or Create an account to join the conversation.
- Mikaw
-
- Offline
- Sustaining Member
-

Registered
- Posts: 4825
- Thanks: 1852
Re: Installation Dyna S ignition, Dyna coils and plug leads Z1100ST
10 Oct 2020 14:51 - 10 Oct 2020 14:53
Don’t forget to connect the black tach wire to the number 1-4 coil secondary
Use a continuity tester to find the other end of the wires in the green harness. I’d suggest you figure out what they do before you continue.
Use a continuity tester to find the other end of the wires in the green harness. I’d suggest you figure out what they do before you continue.
1976 KZ 900 A4
kzrider.com/forum/11-projects/613548-1976-kz-900-a4
1976 KZ 900 B1 LTD
1978 KZ 1000 B2 LTD
1980 KZ 750 E1
Kowledge Speaks, But Wisdom Listens.
Jimi Hendrix.
1976 KZ 900 B1 LTD
1978 KZ 1000 B2 LTD
1980 KZ 750 E1
Kowledge Speaks, But Wisdom Listens.
Jimi Hendrix.
Last edit: 10 Oct 2020 14:53 by Mikaw.
The following user(s) said Thank You: Booster
Please Log in or Create an account to join the conversation.
- zed1015
-
- Offline
- User
-

Registered
- Posts: 3247
- Thanks: 1940
Re: Installation Dyna S ignition, Dyna coils and plug leads Z1100ST
10 Oct 2020 14:53
You should run the DYNA module wires directly to the coils and the power lead spliced in to the coil + feed as that will be switched.
Is that black module a relay?
Maybe someone wired it in to run 12v direct to the coils to reduce voltage drop through the kill switch.
Is that black module a relay?
Maybe someone wired it in to run 12v direct to the coils to reduce voltage drop through the kill switch.
AIR CORRECTOR JETS FOR VM CARBS AND ETHANOL RESISTANT VITON CHOKE PLUNGER SEAL REPLACMENT FOR ALL CLASSIC AND MODERN MOTORCYCLE CARBURETTORS
www.kzrider.com/forum/23-for-sale/611992...lide-mikunis?start=1
www.kzrider.com/forum/23-for-sale/611992...lide-mikunis?start=1
The following user(s) said Thank You: Booster
Please Log in or Create an account to join the conversation.
- Booster
-
Topic Author
- Offline
- User
-

Registered
- Posts: 17
- Thanks: 0
Re: Installation Dyna S ignition, Dyna coils and plug leads Z1100ST
11 Oct 2020 01:32 - 11 Oct 2020 01:35
thank you all for your help and information.
I will forget the old installation and go directly to the coils with the green and black wires from the ignition, black for cylinder 1-4 and green for 2-3 (by the way, does it matter which of the two connections of one coil goes to cylinder 1 and 4 resp. to cylinder 2 and 3?).
For the red wires from the ignition, I will put it in-between an existing red coming from the batterie to connect it with the coils. I mounted already a new ignition on my Z1B. This was not a Dyna S ignition, but one that is called Accent ( www.z-fever.de ) but was not deliverable for the Z1100ST. This one has been delivered with a ready-to-plug tee-part for the red wire which I could simply put in-between an existing plugged red wire coming from the battery.
I will be back to my Z1100ST only in a few days. I will keep you informed. Thank you very much for your help.
wishes from switzerland
I will forget the old installation and go directly to the coils with the green and black wires from the ignition, black for cylinder 1-4 and green for 2-3 (by the way, does it matter which of the two connections of one coil goes to cylinder 1 and 4 resp. to cylinder 2 and 3?).
For the red wires from the ignition, I will put it in-between an existing red coming from the batterie to connect it with the coils. I mounted already a new ignition on my Z1B. This was not a Dyna S ignition, but one that is called Accent ( www.z-fever.de ) but was not deliverable for the Z1100ST. This one has been delivered with a ready-to-plug tee-part for the red wire which I could simply put in-between an existing plugged red wire coming from the battery.
I will be back to my Z1100ST only in a few days. I will keep you informed. Thank you very much for your help.
wishes from switzerland
Last edit: 11 Oct 2020 01:35 by Booster.
Please Log in or Create an account to join the conversation.
- zed1015
-
- Offline
- User
-

Registered
- Posts: 3247
- Thanks: 1940
Re: Installation Dyna S ignition, Dyna coils and plug leads Z1100ST
11 Oct 2020 02:38
BEWARE.
The red positive wire for the Dyna MUST be switched from the ignition and not permanently live at all times.
The red positive wire for the Dyna MUST be switched from the ignition and not permanently live at all times.
AIR CORRECTOR JETS FOR VM CARBS AND ETHANOL RESISTANT VITON CHOKE PLUNGER SEAL REPLACMENT FOR ALL CLASSIC AND MODERN MOTORCYCLE CARBURETTORS
www.kzrider.com/forum/23-for-sale/611992...lide-mikunis?start=1
www.kzrider.com/forum/23-for-sale/611992...lide-mikunis?start=1
Please Log in or Create an account to join the conversation.
- Mikaw
-
- Offline
- Sustaining Member
-

Registered
- Posts: 4825
- Thanks: 1852
Re: Installation Dyna S ignition, Dyna coils and plug leads Z1100ST
11 Oct 2020 08:20 - 11 Oct 2020 08:48
Heed zed’s warning. The 12 volt positive you use to power the coils and the crank modules MUST be switched through the ignition or the handle bar control.
EDIT, I read his last post wrong. Removed my incorrect response. Apologies for any confusion.
EDIT, I read his last post wrong. Removed my incorrect response. Apologies for any confusion.
1976 KZ 900 A4
kzrider.com/forum/11-projects/613548-1976-kz-900-a4
1976 KZ 900 B1 LTD
1978 KZ 1000 B2 LTD
1980 KZ 750 E1
Kowledge Speaks, But Wisdom Listens.
Jimi Hendrix.
1976 KZ 900 B1 LTD
1978 KZ 1000 B2 LTD
1980 KZ 750 E1
Kowledge Speaks, But Wisdom Listens.
Jimi Hendrix.
Last edit: 11 Oct 2020 08:48 by Mikaw.
Please Log in or Create an account to join the conversation.
- Booster
-
Topic Author
- Offline
- User
-

Registered
- Posts: 17
- Thanks: 0
Re: Installation Dyna S ignition, Dyna coils and plug leads Z1100ST
11 Oct 2020 08:48
why wrong information, I am using a Dyna S kit with dyna 3ohm coils for my Z1100ST. The system you show in the picture ("Accent ignition") I use for my Z1B, I managed to mount it and it works properly, no problem, but this system is not available for the Z1100ST.
I just mentioned the Accent because there is a ready to plug tee pcs for the red wire to link it in between an existing connection coming from the batterie, and the Dyna S does not have such a tee pcs., and that's why I have to handcraft it on my own.
I just mentioned the Accent because there is a ready to plug tee pcs for the red wire to link it in between an existing connection coming from the batterie, and the Dyna S does not have such a tee pcs., and that's why I have to handcraft it on my own.
Please Log in or Create an account to join the conversation.
Moderators: Street Fighter LTD
