Mystery wire 84 GPz 550
- pdxphoneguy
-
Topic Author
- Offline
- User
-

Registered
- Posts: 2
- Thanks: 0
Mystery wire 84 GPz 550
11 Jul 2020 15:07 - 11 Jul 2020 18:10
Got this bike and it runs after a carb rebuild and tank cleaning new battery and a sundry of other issues as it sat in a garage since 08. This is my issue, I have yet to find the proper placement for this errant wire white/red. This same looking wire is attached to the starter solenoid and thats connected but this one I have NO freaking Idea Any ideas ?????
Last edit: 11 Jul 2020 18:10 by Street Fighter LTD.
Please Log in or Create an account to join the conversation.
- Nessism
-
- Offline
- Sustaining Member
-

Registered
- Posts: 8069
- Thanks: 3453
Re: Mystery wire 84 GPz 550
11 Jul 2020 18:33
When in doubt, open the factory manual to the wiring diagram section and start tracing based on color.
Ed
Carb O-ring Kits : www.kzrider.com/forum/14-vendor-forum/62...rburetor-o-ring-kits
www.kzrider.com/forum/faq-wiki/618026-new-owner-things-to-know
1981 KZ750E2
www.kzrider.com/forum/11-projects/604901...z750e-project-thread
Carb O-ring Kits : www.kzrider.com/forum/14-vendor-forum/62...rburetor-o-ring-kits
www.kzrider.com/forum/faq-wiki/618026-new-owner-things-to-know
1981 KZ750E2
www.kzrider.com/forum/11-projects/604901...z750e-project-thread
Please Log in or Create an account to join the conversation.
- F64
-
- Offline
- User
-

Registered
- 81-KZ440D2
- Posts: 1149
- Thanks: 417
Re: Mystery wire 84 GPz 550
11 Jul 2020 18:53 - 11 Jul 2020 19:11
The schematic is pretty dodgy.
It possibly connects to a fuse then to an accessory output.
The fuse is rated for 10amps. The other side of the fuse a black/white wire.
But don't take that as a solid theory.
I'm trying to read it on a bad schematic.
does it have 12v+ on that wire?
On other years that wire is an extra 12v positive wire, but on your year that extra wire doesn't exist. Just tape it off.
It possibly connects to a fuse then to an accessory output.
The fuse is rated for 10amps. The other side of the fuse a black/white wire.
But don't take that as a solid theory.
I'm trying to read it on a bad schematic.
does it have 12v+ on that wire?
On other years that wire is an extra 12v positive wire, but on your year that extra wire doesn't exist. Just tape it off.
81-KZ440-D2.
Louis Dudzik's GM HEI ignitor conversion installed 2015 s3.amazonaws.com/gpzweb/Ignition/GPZgmHEImod.html
Motogadget m-unit blue installed 2017.
LIC, NY
Louis Dudzik's GM HEI ignitor conversion installed 2015 s3.amazonaws.com/gpzweb/Ignition/GPZgmHEImod.html
Motogadget m-unit blue installed 2017.
LIC, NY
Last edit: 11 Jul 2020 19:11 by F64.
Please Log in or Create an account to join the conversation.
- loudhvx
-
- Offline
- KZr Legend
-

Registered
- Posts: 10863
- Thanks: 1622
Re: Mystery wire 84 GPz 550
11 Jul 2020 19:25
Based on the size and color I would guess it's a wire from the regulator/rectifier. That is located often underneath the battery. I'd check that. Without that wire connected, the bike would still run while draining the battery.
1981 KZ550 D1 gpz.
Kz550 valve train warning.
Other links.
Kz550 valve train warning.
Other links.
Please Log in or Create an account to join the conversation.
- F64
-
- Offline
- User
-

Registered
- 81-KZ440D2
- Posts: 1149
- Thanks: 417
Re: Mystery wire 84 GPz 550
11 Jul 2020 19:39
I was thinking the same thing Lou, but the reg/rec is using a white wire coming off of the main fuse.
I pulled the schematic off of you site.
I think other years and models did use that color for the reg/rec. The zr400 in the same manual uses that color.
Gotta love previous owners that work on their own bikes haphazardly.
I pulled the schematic off of you site.
I think other years and models did use that color for the reg/rec. The zr400 in the same manual uses that color.
Gotta love previous owners that work on their own bikes haphazardly.
81-KZ440-D2.
Louis Dudzik's GM HEI ignitor conversion installed 2015 s3.amazonaws.com/gpzweb/Ignition/GPZgmHEImod.html
Motogadget m-unit blue installed 2017.
LIC, NY
Louis Dudzik's GM HEI ignitor conversion installed 2015 s3.amazonaws.com/gpzweb/Ignition/GPZgmHEImod.html
Motogadget m-unit blue installed 2017.
LIC, NY
Please Log in or Create an account to join the conversation.
- Scirocco
-
- Offline
- Premium Member
-

Registered
- Never change a running system
- Posts: 4397
- Thanks: 2260
Re: Mystery wire 84 GPz 550
12 Jul 2020 01:02
My 1975 Z 1 B 900 Project
www.kzrider.com/forum/11-projects/605133...ears-deep-sleep-mode
www.kzrider.com/forum/11-projects/605133...ears-deep-sleep-mode
Please Log in or Create an account to join the conversation.
- hugo
-
- Offline
- Sustaining Member
-

Registered
- '92 Zephyr 750
- Posts: 296
- Thanks: 86
Re: Mystery wire 84 GPz 550
12 Jul 2020 05:07 - 12 Jul 2020 05:20
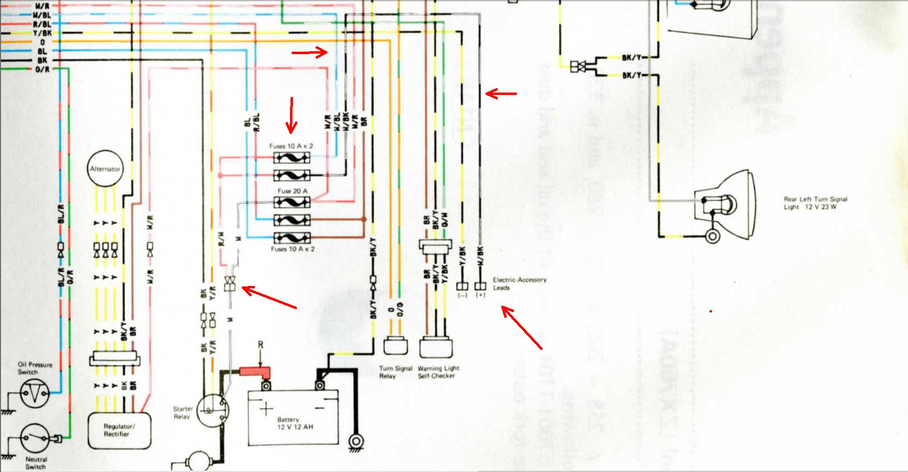
I think this is more accurate. '80KZ550. It shows that wire color goes to Starter Relay and then to Regulator Rectifier. But there's only one in the fuse box. There should be two on Starter Sol. And the drawing shows they should be on connector plugs, except RR.
By the drawing, appears to be 12VDC straight from the Battery, taken at the positive contact of the Starter Relay. The white wire is only fusing that power.
By the drawing, appears to be 12VDC straight from the Battery, taken at the positive contact of the Starter Relay. The white wire is only fusing that power.
Last edit: 12 Jul 2020 05:20 by hugo.
Please Log in or Create an account to join the conversation.
- loudhvx
-
- Offline
- KZr Legend
-

Registered
- Posts: 10863
- Thanks: 1622
Re: Mystery wire 84 GPz 550
12 Jul 2020 07:53 - 12 Jul 2020 08:09F64 wrote: I was thinking the same thing Lou, but the reg/rec is using a white wire coming off of the main fuse.
I pulled the schematic off of you site.
I think other years and models did use that color for the reg/rec. The zr400 in the same manual uses that color.
Gotta love previous owners that work on their own bikes haphazardly.
Yes, I do see that. Thanks for posting the diagram. Based on the OP mentioning a white/red wire on the solenoid, which is not shown in the diagram, I was assuming the bike has been partially rewired. I'm under the impression someone took a reg/rec from another model which has the white/red wires and wired it how most Kz's are wired, meaning using the solenoid as the junction for the reg/rec, battery, and possibly main fuse.
That leads to a bigger discussion of how Kawasaki changed the logical location of components and fuses.
Originally Kawasaki used a setup where the output of the rectifier fed directly to the battery (via a terminal on the solenoid) with no intervening fuse. In that setup the main fuse separates the reg/rec/battery from the ignition switch..
Later, Kawasaki started to wire the output of the rectifier so it would directly connect to the ignition switch. In that setup the main fuse separates the reg/rec/ignition switch from the battery.
Originally the main fuse protected the bike from the entire charging system. But the battery and reg/rec were not protected from each other. The later setup only protects the bike from the battery. But it does not protect the bike from the reg/rec. In the later setup, if the main fuse were to break or even blow, while the bike is running on the highway, the bike will most likely keep running but the battery will be disconnected. When the battery becomes disconnected, the regulator loses the ability to regulate properly and you run the risk of over voltage. In my opinion, if the main fuse blows, it should be wired such that it will stop the bike.
So if this bike was rewired, which way was it wired?
1981 KZ550 D1 gpz.
Kz550 valve train warning.
Other links.
Kz550 valve train warning.
Other links.
Last edit: 12 Jul 2020 08:09 by loudhvx.
The following user(s) said Thank You: F64
Please Log in or Create an account to join the conversation.
- pdxphoneguy
-
Topic Author
- Offline
- User
-

Registered
- Posts: 2
- Thanks: 0
Re: Mystery wire 84 GPz 550
12 Jul 2020 10:08
Ok I will look under the battery box for the/a regulator/rectifier. and somewhere to put it. With the bike running what should my amp meter read ? if anything ? Or If nothing should I put a fuse link to it say 20amp and connect it directly to the hot on my battery ?? I do have a generic Haynes manual and it has helped a great deal until this
Please Log in or Create an account to join the conversation.
- loudhvx
-
- Offline
- KZr Legend
-

Registered
- Posts: 10863
- Thanks: 1622
Re: Mystery wire 84 GPz 550
12 Jul 2020 13:24 - 12 Jul 2020 13:26
You will have to try to trace out where that white/red wire goes to before we can say what it connects to.
Do you have an ammeter or voltmeter?
The battery should have about 14 to 14.5 volts on it with the engine revving over 2000 RPM.
Do you have an ammeter or voltmeter?
The battery should have about 14 to 14.5 volts on it with the engine revving over 2000 RPM.
1981 KZ550 D1 gpz.
Kz550 valve train warning.
Other links.
Kz550 valve train warning.
Other links.
Last edit: 12 Jul 2020 13:26 by loudhvx.
The following user(s) said Thank You: pdxphoneguy
Please Log in or Create an account to join the conversation.
- GatlinM
-
- Offline
- User
-

Registered
- Posts: 26
- Thanks: 0
Re: Mystery wire 84 GPz 550
31 Jul 2020 11:24 - 31 Jul 2020 15:27
I’m currently wiring up my 1980 KZ550A
I got a REG/REC from 4into1 off Amazon, at the suggestion of KZR members, and the ad covered my year and model.
My wiring has 2 yellow off the alternator, I also have a brown coming to RR. The RR has plastic coupling with 3 “cream” wires on bottom row, top row is black-open-gray.
I’ve mapped the stock wiring, and pulling out some auxiliary wiring, but I’m unsure if this was the correct REG/REC..
I got a REG/REC from 4into1 off Amazon, at the suggestion of KZR members, and the ad covered my year and model.
My wiring has 2 yellow off the alternator, I also have a brown coming to RR. The RR has plastic coupling with 3 “cream” wires on bottom row, top row is black-open-gray.
I’ve mapped the stock wiring, and pulling out some auxiliary wiring, but I’m unsure if this was the correct REG/REC..
Last edit: 31 Jul 2020 15:27 by GatlinM.
Please Log in or Create an account to join the conversation.
- martin_csr
-
- Offline
- User
-

Registered
- Posts: 7994
- Thanks: 1644
Re: Mystery wire 84 GPz 550
31 Jul 2020 13:47 - 31 Jul 2020 13:52
If your stator has 2 yellow wires, then your motorcycle has a single phase alternator & you'd want to get a voltage regulator w 2 yellow wires, plus the other stock wire colors would be white-red, black-yellow & brown. If the new reg-rec has 3 yellow wires, then it's not correct for a single phase. The 3 "cream" colored wires are probably faded yellow & somebody probably installed the wrong voltage regulator. guessing. ???
From the diagrams at Partzilla the 1980 KZ550-A1 was single phase. The 81 550-A2 is mixed in with the A1, but it has a 3-phase alternator & different voltage regulator. Some sellers probably get them mixed up. I think the Rick's Electric 10-304 is correct for a single phase.
From the diagrams at Partzilla the 1980 KZ550-A1 was single phase. The 81 550-A2 is mixed in with the A1, but it has a 3-phase alternator & different voltage regulator. Some sellers probably get them mixed up. I think the Rick's Electric 10-304 is correct for a single phase.
Last edit: 31 Jul 2020 13:52 by martin_csr.
The following user(s) said Thank You: GatlinM
Please Log in or Create an account to join the conversation.
Moderators: Street Fighter LTD
