Hit a bump - 83 440LTD Shutdown **Help**
- 440aboveall
-
Topic Author
- Offline
- User
-

Registered
- Posts: 31
- Thanks: 1
Re: Hit a bump - 83 440LTD Shutdown **Help**
12 Jun 2020 06:31 - 12 Jun 2020 06:45
I'm still struggling to figure out what's going on with this thing. I've checked all the fuses and even replaced them, I've wire brushed the ground wire by the battery and re-secured it to the frame. I'm getting power to the oil light and instrument cluster but nothing happens with the starter button. The headlight does not come on either. I hooked a multi-meter up to the head light and out of the 3 wires on the H connector I'm getting 12 volts from all the wires except for the red/yellow wire. On the starter solenoid I'm getting 12 volts to the line coming into it from the battery but nothing on the line coming out of it going to the starter motor (even if I press the start button). All the other connections seem to have 12 volts of power to them from what I can find so far. I'm new to using multi-meters to diagnose issues so I'm trying to learn as I go. I just need a strict game plan to figure this one out. I also have 12 volts at my ignition coil connections so that appears to be good. Again, the bike was running fine until I hit a bump in the road that shut down the bike completely. I miss riding my baby already!
Last edit: 12 Jun 2020 06:45 by 440aboveall.
Please Log in or Create an account to join the conversation.
- 650ed
-
- Offline
- User
-

Registered
- Posts: 15336
- Thanks: 2833
Re: Hit a bump - 83 440LTD Shutdown **Help**
12 Jun 2020 07:17
Forgive me if this seems like a stupid question, but when the bike hit the bump is it possible that your hand bumped the kill switch to the "OFF" position? Ed
1977 KZ650-C1 Original Owner - Stock (with additional invisible FIAMM horn)
Please Log in or Create an account to join the conversation.
- F64
-
- Offline
- User
-

Registered
- 81-KZ440D2
- Posts: 1144
- Thanks: 415
Re: Hit a bump - 83 440LTD Shutdown **Help**
12 Jun 2020 07:45
going back to the headlight connector. Do you have 12v coming off the yellow/black as well?
81-KZ440-D2.
Louis Dudzik's GM HEI ignitor conversion installed 2015 s3.amazonaws.com/gpzweb/Ignition/GPZgmHEImod.html
Motogadget m-unit blue installed 2017.
LIC, NY
Louis Dudzik's GM HEI ignitor conversion installed 2015 s3.amazonaws.com/gpzweb/Ignition/GPZgmHEImod.html
Motogadget m-unit blue installed 2017.
LIC, NY
Please Log in or Create an account to join the conversation.
- 440aboveall
-
Topic Author
- Offline
- User
-

Registered
- Posts: 31
- Thanks: 1
Re: Hit a bump - 83 440LTD Shutdown **Help**
12 Jun 2020 08:19
Yes, there is 12V coming off the yellow and black connector on the headlight switch.
No, the kill switch was not moved. Right now it is set to Run.
No, the kill switch was not moved. Right now it is set to Run.
Please Log in or Create an account to join the conversation.
- F64
-
- Offline
- User
-

Registered
- 81-KZ440D2
- Posts: 1144
- Thanks: 415
Re: Hit a bump - 83 440LTD Shutdown **Help**
12 Jun 2020 08:23 - 12 Jun 2020 08:24
You have a break in your ground wires.
You should not have 12v on the yellow/black.
There should be two wires connected to the negative side of the battery.
The smaller one is the one you need to be concerned with.
Let me know if you have two wires there.
You should not have 12v on the yellow/black.
There should be two wires connected to the negative side of the battery.
The smaller one is the one you need to be concerned with.
Let me know if you have two wires there.
81-KZ440-D2.
Louis Dudzik's GM HEI ignitor conversion installed 2015 s3.amazonaws.com/gpzweb/Ignition/GPZgmHEImod.html
Motogadget m-unit blue installed 2017.
LIC, NY
Louis Dudzik's GM HEI ignitor conversion installed 2015 s3.amazonaws.com/gpzweb/Ignition/GPZgmHEImod.html
Motogadget m-unit blue installed 2017.
LIC, NY
Last edit: 12 Jun 2020 08:24 by F64.
Please Log in or Create an account to join the conversation.
- 440aboveall
-
Topic Author
- Offline
- User
-

Registered
- Posts: 31
- Thanks: 1
Re: Hit a bump - 83 440LTD Shutdown **Help**
12 Jun 2020 08:50
There is only one wire coming off the battery and it's a short one that bolts to the frame. Both ends have been wire brushed and tightened.
Please Log in or Create an account to join the conversation.
- 440aboveall
-
Topic Author
- Offline
- User
-

Registered
- Posts: 31
- Thanks: 1
Re: Hit a bump - 83 440LTD Shutdown **Help**
12 Jun 2020 08:51
One wire coming off the negative battery terminal that is.
Please Log in or Create an account to join the conversation.
- F64
-
- Offline
- User
-

Registered
- 81-KZ440D2
- Posts: 1144
- Thanks: 415
Re: Hit a bump - 83 440LTD Shutdown **Help**
12 Jun 2020 09:07 - 12 Jun 2020 09:14
ok...there are several grounds...
but let's see if you can find the wire that is supposed to go to the battery's negative terminal.
It's a yellow/black wire. It should be near the battery.
but let's see if you can find the wire that is supposed to go to the battery's negative terminal.
It's a yellow/black wire. It should be near the battery.
81-KZ440-D2.
Louis Dudzik's GM HEI ignitor conversion installed 2015 s3.amazonaws.com/gpzweb/Ignition/GPZgmHEImod.html
Motogadget m-unit blue installed 2017.
LIC, NY
Louis Dudzik's GM HEI ignitor conversion installed 2015 s3.amazonaws.com/gpzweb/Ignition/GPZgmHEImod.html
Motogadget m-unit blue installed 2017.
LIC, NY
Last edit: 12 Jun 2020 09:14 by F64.
Please Log in or Create an account to join the conversation.
- F64
-
- Offline
- User
-

Registered
- 81-KZ440D2
- Posts: 1144
- Thanks: 415
Re: Hit a bump - 83 440LTD Shutdown **Help**
12 Jun 2020 09:21 - 12 Jun 2020 09:22
What I'm guessing is that you only have one tiny ground connected to the battery and that broke.
That tiny ground may be the one attached to the bottom of your left handlebar clamp. That is a yellow/black as well.
There should be 3 ground connections for that circuit.
That tiny ground may be the one attached to the bottom of your left handlebar clamp. That is a yellow/black as well.
There should be 3 ground connections for that circuit.
81-KZ440-D2.
Louis Dudzik's GM HEI ignitor conversion installed 2015 s3.amazonaws.com/gpzweb/Ignition/GPZgmHEImod.html
Motogadget m-unit blue installed 2017.
LIC, NY
Louis Dudzik's GM HEI ignitor conversion installed 2015 s3.amazonaws.com/gpzweb/Ignition/GPZgmHEImod.html
Motogadget m-unit blue installed 2017.
LIC, NY
Last edit: 12 Jun 2020 09:22 by F64.
Please Log in or Create an account to join the conversation.
- 440aboveall
-
Topic Author
- Offline
- User
-

Registered
- Posts: 31
- Thanks: 1
Re: Hit a bump - 83 440LTD Shutdown **Help**
12 Jun 2020 10:35F64 wrote: What I'm guessing is that you only have one tiny ground connected to the battery and that broke.
That tiny ground may be the one attached to the bottom of your left handlebar clamp. That is a yellow/black as well.
There should be 3 ground connections for that circuit.
Man.... If I could reach through this computer and kiss you I would!!! Or maybe just shake your hand. That was it. I found a wire laying on my garage floor a few days ago that had a bullet end on it. Wasn't sure where it came from but I stripped it, and hooked it into another black/yellow female bullet end and touched the negative battery and poof!!! Just like that, it's starting again. Headlight wasn't coming on but I have some wires I disconnected while troubleshooting. I'm going to put it all back together tonight after work and see if I can get everything going the way it should. I'm going to try and document everything and post some pictures. You guys are the best and I appreciate everyone that helped.
The following user(s) said Thank You: F64
Please Log in or Create an account to join the conversation.
- F64
-
- Offline
- User
-

Registered
- 81-KZ440D2
- Posts: 1144
- Thanks: 415
Re: Hit a bump - 83 440LTD Shutdown **Help**
12 Jun 2020 15:37 - 12 Jun 2020 19:07
I'm glad we found it!
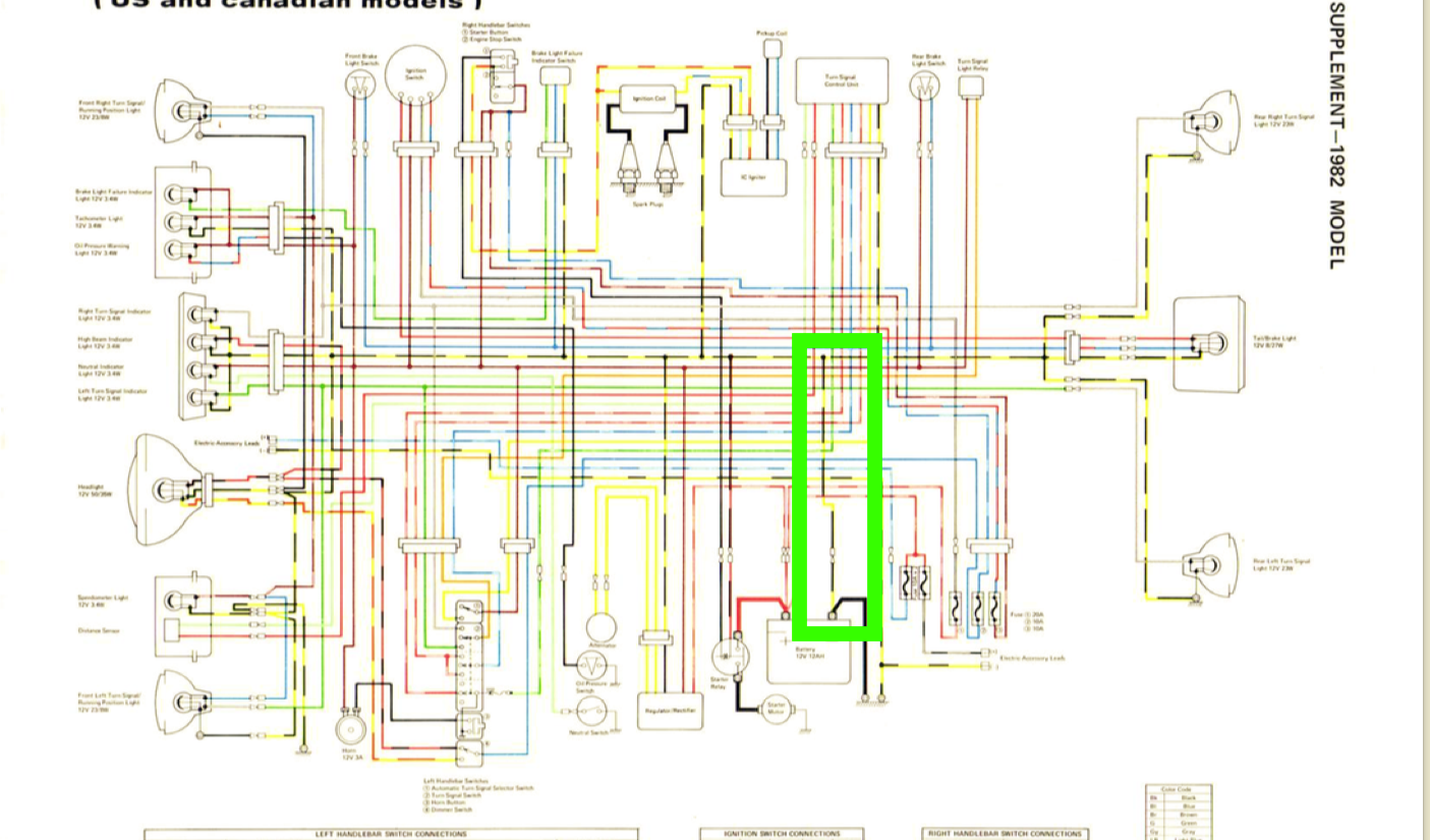
When you have a chance, check to see if the ground near the headlight is connected.
Yellow/black..one end connects to the the bottom of the handlebar clamp stud on the left hand side.
The other end goes in to the headlight bucket connecting to a double bullet connector containing yellow/black wires.
Check the dc voltage at the bullet end of that wire going to that handlebar clamp.
Positive meter lead on the positive battery terminal. Negative lead on the bullet.
Note the voltage. Then move the negative lead to the negative battery terminal. They should be pretty close. Within .4v
ground wire location
When you have a chance, check to see if the ground near the headlight is connected.
Yellow/black..one end connects to the the bottom of the handlebar clamp stud on the left hand side.
The other end goes in to the headlight bucket connecting to a double bullet connector containing yellow/black wires.
Check the dc voltage at the bullet end of that wire going to that handlebar clamp.
Positive meter lead on the positive battery terminal. Negative lead on the bullet.
Note the voltage. Then move the negative lead to the negative battery terminal. They should be pretty close. Within .4v
ground wire location
81-KZ440-D2.
Louis Dudzik's GM HEI ignitor conversion installed 2015 s3.amazonaws.com/gpzweb/Ignition/GPZgmHEImod.html
Motogadget m-unit blue installed 2017.
LIC, NY
Louis Dudzik's GM HEI ignitor conversion installed 2015 s3.amazonaws.com/gpzweb/Ignition/GPZgmHEImod.html
Motogadget m-unit blue installed 2017.
LIC, NY
Last edit: 12 Jun 2020 19:07 by F64.
Please Log in or Create an account to join the conversation.
- 440aboveall
-
Topic Author
- Offline
- User
-

Registered
- Posts: 31
- Thanks: 1
Re: Hit a bump - 83 440LTD Shutdown **Help**
13 Jun 2020 07:21
I checked this ground and the wire is in tact. I could not check the voltage using your instructions because the positive cable on my multi-meter will not reach my battery. So I put everything back together last night and everything is working like it should except for the headlight. The front and rear turn signals work, the brake light, the starter..etc. I check the voltage on the H connector of the headlight and it's getting no voltage. If I unplug the the small negative cable from the battery that was causing the bike not to start, I get 12 volts to the H connector. As soon as I plug it back in, no voltage to the headlight but everything else works. There were 3 black/yellow wires by the battery coming off the wiring harness. I just chose one of them to plug in that small black and yellow cable coming off the battery. All 3 of them seem to work but still not with the headlight. Any ideas why the headlight wouldn't be working now? Fuses seem ok.
Please Log in or Create an account to join the conversation.
Moderators: Street Fighter LTD
