Mikuni Flatslides Bell crank wheel
- Injected
-
- Offline
- User
-

Registered
- Posts: 1593
- Thanks: 1141
Re: Mikuni Flatslides Bell crank wheel
23 Apr 2023 11:16
1978 KZ650B2 w 1197cc Z1 engine
1977 KZ650B1 w 750cc Spectre engine
1979 KZ650C3 w 831cc Hot Rod engine
1978 KZ650C2 w 762cc DFI project
1977 KZ650C1 stock restoration project
1978 KZ650B2 modified project
1978 KZ650B2 Injected Drag 831cc
1980 Z1 Custom Frame Drag 1327cc
1981 Z50R Honda tow bike
1977 KZ650B1 w 750cc Spectre engine
1979 KZ650C3 w 831cc Hot Rod engine
1978 KZ650C2 w 762cc DFI project
1977 KZ650C1 stock restoration project
1978 KZ650B2 modified project
1978 KZ650B2 Injected Drag 831cc
1980 Z1 Custom Frame Drag 1327cc
1981 Z50R Honda tow bike
The following user(s) said Thank You: rivman15
Please Log in or Create an account to join the conversation.
- rivman15
-
Topic Author
- Offline
- Sustaining Member
-

Registered
- Posts: 111
- Thanks: 34
Re: Mikuni Flatslides Bell crank wheel
23 Apr 2023 11:17
Guys, I have to be doing something wrong here. That black throttle shaft is not letting these carbs separate. They are loose on bottom and top but are hung up on top. What am I missing?
Please Log in or Create an account to join the conversation.
- Scirocco
-
- Offline
- Premium Member
-

Registered
- Never change a running system
- Posts: 4397
- Thanks: 2260
Re: Mikuni Flatslides Bell crank wheel
23 Apr 2023 11:25
Don´t miss the choke shaft and plunger fork lifter screws.
My 1975 Z 1 B 900 Project
www.kzrider.com/forum/11-projects/605133...ears-deep-sleep-mode
www.kzrider.com/forum/11-projects/605133...ears-deep-sleep-mode
The following user(s) said Thank You: rivman15
Please Log in or Create an account to join the conversation.
- rivman15
-
Topic Author
- Offline
- Sustaining Member
-

Registered
- Posts: 111
- Thanks: 34
Re: Mikuni Flatslides Bell crank wheel
23 Apr 2023 17:21
Sciorcco, Whats your deal? Those pictures are before I even touched the carbs other than draining the bowls, I took your advice and it worked, I even said thank you.
Please Log in or Create an account to join the conversation.
- rivman15
-
Topic Author
- Offline
- Sustaining Member
-

Registered
- Posts: 111
- Thanks: 34
Re: Mikuni Flatslides Bell crank wheel
27 Apr 2023 04:58 - 27 Apr 2023 05:06
All back together... Thanks for the help. Still have one issue. The choke rod does not stay in a locked position when pulled out like my 36's. I took pictures and put back in exact position. I must have missed a step. Any help?
Last edit: 27 Apr 2023 05:06 by rivman15.
Please Log in or Create an account to join the conversation.
- Scirocco
-
- Offline
- Premium Member
-

Registered
- Never change a running system
- Posts: 4397
- Thanks: 2260
Re: Mikuni Flatslides Bell crank wheel
27 Apr 2023 05:48
Go and get a big magnet and magnifying glass, you have to search for a needle in a haystack.
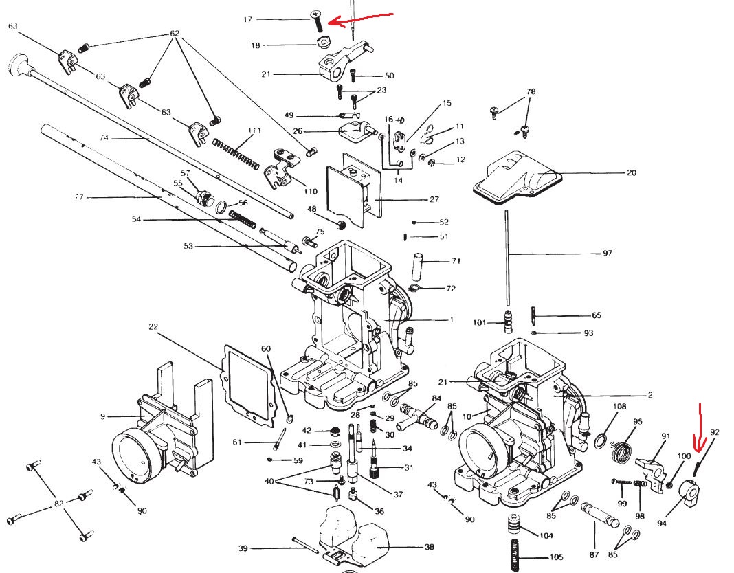
You lost the tiny little locking spring and steel ball parts# 51 and 52!!!
You lost the tiny little locking spring and steel ball parts# 51 and 52!!!
My 1975 Z 1 B 900 Project
www.kzrider.com/forum/11-projects/605133...ears-deep-sleep-mode
www.kzrider.com/forum/11-projects/605133...ears-deep-sleep-mode
The following user(s) said Thank You: rivman15
Please Log in or Create an account to join the conversation.
- rivman15
-
Topic Author
- Offline
- Sustaining Member
-

Registered
- Posts: 111
- Thanks: 34
Re: Mikuni Flatslides Bell crank wheel
27 Apr 2023 06:17 - 27 Apr 2023 06:17Go and get a big magnet and magnifying glass, you have to search for a needle in a haystack.
You lost the tiny little locking spring and steel ball parts# 51 and 52!!!
Thank you! Im back at work... I will have to look tonight when I get back home. I have both magnet and magnifying glass. This should be fun!
Last edit: 27 Apr 2023 06:17 by rivman15.
Please Log in or Create an account to join the conversation.
- rivman15
-
Topic Author
- Offline
- Sustaining Member
-

Registered
- Posts: 111
- Thanks: 34
Re: Mikuni Flatslides Bell crank wheel
27 Apr 2023 06:36
If by chance I do not find the two parts. Where can I source them? Did a quick google search and didn't see anything specific. Thanks.
Please Log in or Create an account to join the conversation.
- Scirocco
-
- Offline
- Premium Member
-

Registered
- Never change a running system
- Posts: 4397
- Thanks: 2260
Re: Mikuni Flatslides Bell crank wheel
27 Apr 2023 07:00
Search eBay item number: 152374865348 and 162338222137
My 1975 Z 1 B 900 Project
www.kzrider.com/forum/11-projects/605133...ears-deep-sleep-mode
www.kzrider.com/forum/11-projects/605133...ears-deep-sleep-mode
The following user(s) said Thank You: rivman15
Please Log in or Create an account to join the conversation.
- rivman15
-
Topic Author
- Offline
- Sustaining Member
-

Registered
- Posts: 111
- Thanks: 34
Re: Mikuni Flatslides Bell crank wheel
27 Apr 2023 07:26
Man, I cant thank you enough. I just ordered them here at work because it was like $9.00 shipped. Guaranteed I find them tonight when I get home though because I bought them. Lol. I started working on them in the garage and then took them inside to finish. So they could be anywhere. Thanks again, Joe
Please Log in or Create an account to join the conversation.
- rivman15
-
Topic Author
- Offline
- Sustaining Member
-

Registered
- Posts: 111
- Thanks: 34
Re: Mikuni Flatslides Bell crank wheel
27 Apr 2023 07:48 - 27 Apr 2023 07:53
And where do they get installed on this? Inside carb #1 or 2? Thanks.
Last edit: 27 Apr 2023 07:53 by rivman15.
Please Log in or Create an account to join the conversation.
- Scirocco
-
- Offline
- Premium Member
-

Registered
- Never change a running system
- Posts: 4397
- Thanks: 2260
Re: Mikuni Flatslides Bell crank wheel
27 Apr 2023 09:58
Looks like you need two springs and steel balls installed in carb# 1 and #3.
See video at 29:00
See video at 29:00
My 1975 Z 1 B 900 Project
www.kzrider.com/forum/11-projects/605133...ears-deep-sleep-mode
www.kzrider.com/forum/11-projects/605133...ears-deep-sleep-mode
Please Log in or Create an account to join the conversation.
Moderators: Street Fighter LTD
