vm28 carburetors missing parts
- mbcustom
-
Topic Author
- Offline
- User
-

Registered
- Posts: 22
- Thanks: 0
vm28 carburetors missing parts
01 Jul 2020 12:59
I bought remanufactured vm28 carburettors, I noticed that a bowl is missing, I was wondering if there was any version in which the bowl is not present or if a part is definitely missing. In the photos the missing part.
Please Log in or Create an account to join the conversation.
- Mikaw
-
- Offline
- Sustaining Member
-

Registered
- Posts: 4826
- Thanks: 1851
Re: vm28 carburetors missing parts
01 Jul 2020 14:11 - 01 Jul 2020 14:51
See triangle shaped diaphragm in the listing I posted, its call the Sensor diaphragm, notice the brass pin in its center... I have rebuilt 2 sets of the VM28 pumpers and neither needed that diaphragm. Appears yours doesn't either. That long pin has to install in a hole in the center of the triangle shaped boss on your carbs... There is no hole in the center of yours... Hopefully Zed1015 will reply and tell us what the sensor circuit is used for and on what carbs it used...
redlinecycle.com/Carb%20-%20Accel%20Pump.html
redlinecycle.com/Carb%20-%20Accel%20Pump.html
1976 KZ 900 A4
kzrider.com/forum/11-projects/613548-1976-kz-900-a4
1976 KZ 900 B1 LTD
1978 KZ 1000 B2 LTD
1980 KZ 750 E1
Kowledge Speaks, But Wisdom Listens.
Jimi Hendrix.
1976 KZ 900 B1 LTD
1978 KZ 1000 B2 LTD
1980 KZ 750 E1
Kowledge Speaks, But Wisdom Listens.
Jimi Hendrix.
Last edit: 01 Jul 2020 14:51 by Mikaw.
Please Log in or Create an account to join the conversation.
- gd4now
-
- Offline
- User
-

Registered
- Denco where did you go?
- Posts: 1621
- Thanks: 639
Re: vm28 carburetors missing parts
01 Jul 2020 15:04
1977 KZ650 B1
Pods and Denco header
OLD KAW OWNERS SMILE ALOT
Pods and Denco header
OLD KAW OWNERS SMILE ALOT
The following user(s) said Thank You: Mikaw
Please Log in or Create an account to join the conversation.
- Mikaw
-
- Offline
- Sustaining Member
-

Registered
- Posts: 4826
- Thanks: 1851
Re: vm28 carburetors missing parts
01 Jul 2020 15:16
gd4now... YES... thank you...!!!
1976 KZ 900 A4
kzrider.com/forum/11-projects/613548-1976-kz-900-a4
1976 KZ 900 B1 LTD
1978 KZ 1000 B2 LTD
1980 KZ 750 E1
Kowledge Speaks, But Wisdom Listens.
Jimi Hendrix.
1976 KZ 900 B1 LTD
1978 KZ 1000 B2 LTD
1980 KZ 750 E1
Kowledge Speaks, But Wisdom Listens.
Jimi Hendrix.
Please Log in or Create an account to join the conversation.
- Nessism
-
- Offline
- Sustaining Member
-

Registered
- Posts: 7996
- Thanks: 3381
Re: vm28 carburetors missing parts
01 Jul 2020 20:05 - 01 Jul 2020 20:06
I recently picked up a set of VM28's as a rebuild project and it doesn't have a cover over that triangle shaped area either. Pretty sure (hoping actually) no parts are missing.
Ed
Carb O-ring Kits : www.kzrider.com/forum/14-vendor-forum/62...rburetor-o-ring-kits
www.kzrider.com/forum/faq-wiki/618026-new-owner-things-to-know
1981 KZ750E2
www.kzrider.com/forum/11-projects/604901...z750e-project-thread
Carb O-ring Kits : www.kzrider.com/forum/14-vendor-forum/62...rburetor-o-ring-kits
www.kzrider.com/forum/faq-wiki/618026-new-owner-things-to-know
1981 KZ750E2
www.kzrider.com/forum/11-projects/604901...z750e-project-thread
Last edit: 01 Jul 2020 20:06 by Nessism.
Please Log in or Create an account to join the conversation.
- mbcustom
-
Topic Author
- Offline
- User
-

Registered
- Posts: 22
- Thanks: 0
Re: vm28 carburetors missing parts
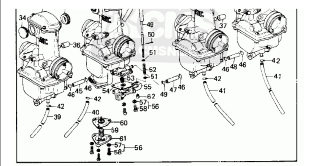
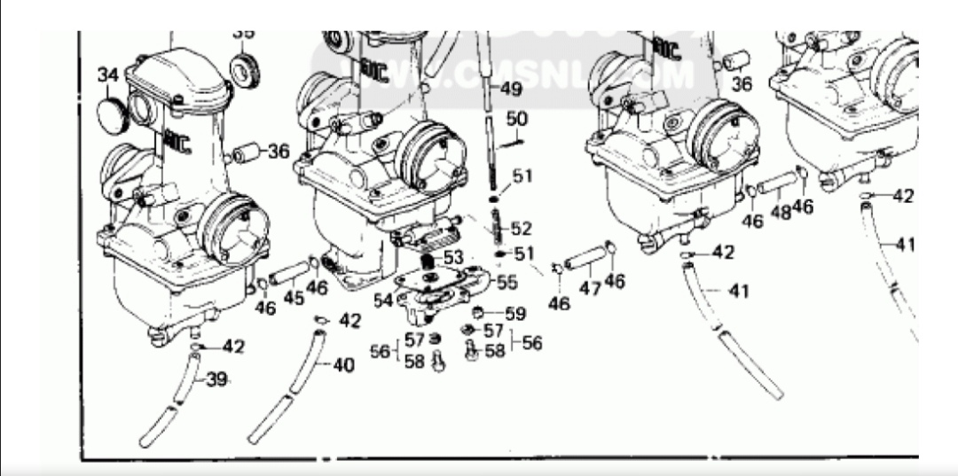
01 Jul 2020 23:46I have checked some parts diagrams, for example kz1000 4 ltd 1980 seems have the part, instead kz1000b3 1979 seems don't have.Nessism wrote: I recently picked up a set of VM28's as a rebuild project and it doesn't have a cover over that triangle shaped area either. Pretty sure (hoping actually) no parts are missing.
Probably there are different versions.
Here the pics of the 2 diagrams.
Please Log in or Create an account to join the conversation.
- kevski
-
- Offline
- User
-

Registered
- Posts: 452
- Thanks: 173
Re: vm28 carburetors missing parts
02 Jul 2020 00:29 - 02 Jul 2020 00:35
The bowl is as it was cast without being drilled for the extra parts the way they should be on the 28mm pumpers, the bowl is generic and is also used on the 26mm pumpers with the second diaphragm fitted, which was a disaster for the 26mm carbs, i have the 26mm pumpers on mine and have modified the bowl so it effectively works the same way as the bowl on your 28's, so nothing to worry about your carbs are as they should be.
Last edit: 02 Jul 2020 00:35 by kevski.
Please Log in or Create an account to join the conversation.
- zed1015
-
- Offline
- User
-

Registered
- Posts: 3207
- Thanks: 1884
Re: vm28 carburetors missing parts
02 Jul 2020 05:08
Only the VM26's have the triangular sensor diaphragm active.
All the 28's have it blanked / un-machined and no cap.
Your 28's are as they should be and have nothing missing.
All the 28's have it blanked / un-machined and no cap.
Your 28's are as they should be and have nothing missing.
AIR CORRECTOR JETS FOR VM CARBS AND ETHANOL RESISTANT VITON CHOKE PLUNGER SEAL REPLACMENT FOR ALL CLASSIC AND MODERN MOTORCYCLE CARBURETTORS
www.kzrider.com/23-for-sale/611992-air-c...lide-mikunis?start=0
www.kzrider.com/23-for-sale/611992-air-c...lide-mikunis?start=0
Please Log in or Create an account to join the conversation.
- Mikaw
-
- Offline
- Sustaining Member
-

Registered
- Posts: 4826
- Thanks: 1851
Re: vm28 carburetors missing parts
02 Jul 2020 08:32
This is the Partzilla breakdown for the 1000 LTDB4. I have successfully used it for both rebuilds I’ve done without fail... not sure yours is correct... regardless you don’t need any additional diaphragms..
Thanks Zed1015
Thanks Zed1015
1976 KZ 900 A4
kzrider.com/forum/11-projects/613548-1976-kz-900-a4
1976 KZ 900 B1 LTD
1978 KZ 1000 B2 LTD
1980 KZ 750 E1
Kowledge Speaks, But Wisdom Listens.
Jimi Hendrix.
1976 KZ 900 B1 LTD
1978 KZ 1000 B2 LTD
1980 KZ 750 E1
Kowledge Speaks, But Wisdom Listens.
Jimi Hendrix.
Please Log in or Create an account to join the conversation.
Moderators: Street Fighter LTD
