81 KZ305 Should it have rubber plugs over pilot jets
- ckahleer
-
Topic Author
- Offline
- User
-

Registered
- Posts: 515
- Thanks: 177
81 KZ305 Should it have rubber plugs over pilot jets
31 Mar 2020 08:22
It is my understanding some years had plugs and others didn't. When I disassembled the carburetors, the plugs were not there, but may have been do to PO's tinkering.
I have new plugs on hand, and am now questioning to install them or not.
I have new plugs on hand, and am now questioning to install them or not.
1997 ZL600
94 KE100
82 KZ305
74 TC185
94 KE100
82 KZ305
74 TC185
Please Log in or Create an account to join the conversation.
- gd4now
-
- Offline
- User
-

Registered
- Denco where did you go?
- Posts: 1621
- Thanks: 639
Re: 81 KZ305 Should it have rubber plugs over pilot jets
31 Mar 2020 09:17
I do not know if your carbs require the plug or not. But would think that if you sprayed carb cleaner up the main jet tunnel while placing your finger over the main jet outlet in the carb throat and see if it comes out the pilot you would need the plug. But am sure others will chime in.
1977 KZ650 B1
Pods and Denco header
OLD KAW OWNERS SMILE ALOT
Pods and Denco header
OLD KAW OWNERS SMILE ALOT
Please Log in or Create an account to join the conversation.
- Scirocco
-
- Offline
- Premium Member
-

Registered
- Never change a running system
- Posts: 4397
- Thanks: 2260
Re: 81 KZ305 Should it have rubber plugs over pilot jets
31 Mar 2020 10:10
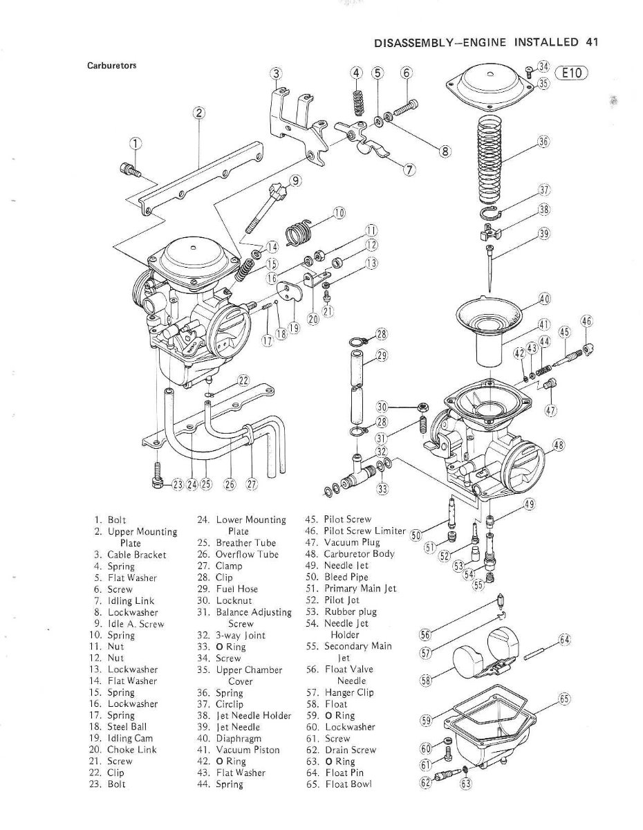
You have to install the plugs on Keihin CV32 carbs, part# 53 in the diagram.
kzrider.com/forum/3-carburetor/612652-81-kz305
kzrider.com/forum/3-carburetor/612652-81-kz305
My 1975 Z 1 B 900 Project
www.kzrider.com/forum/11-projects/605133...ears-deep-sleep-mode
www.kzrider.com/forum/11-projects/605133...ears-deep-sleep-mode
Please Log in or Create an account to join the conversation.
- undiablo
-
- Offline
- User
-

Registered
- Posts: 434
- Thanks: 64
Re: 81 KZ305 Should it have rubber plugs over pilot jets
31 Mar 2020 12:21
It need the rubber plugs, yes. pilot jets are way over fuel level... so fuel comes from another jet to the pilot jet. If there is no rubber plug to hold the fuel there...:dry:
Kawasaki KZ 750/4 LTD 1981
Kawasaki KLR 650 2011
Argentina - Buenos Aires
Kawasaki KLR 650 2011
Argentina - Buenos Aires
Please Log in or Create an account to join the conversation.
Moderators: Street Fighter LTD
