BS34 Choke Assembly Seals
- BIGD
-
Topic Author
- Offline
- User
-

Registered
- Posts: 56
- Thanks: 0
BS34 Choke Assembly Seals
06 Jun 2011 17:46
I was wondering if anyone has a thought if the 4 rubber seals on my choke assembly could be the cause of a vacuum leak, or are they just dust seals. Thanks Don
Had 1981 KZ1000 M1 From 1981-1995 Canadian Model
Have 1981 KZ1000 M1 US Model
Have 1981 KZ1000 M1 US Model
Please Log in or Create an account to join the conversation.
- otakar
-
- Offline
- User
-

Registered
- Posts: 5073
- Thanks: 29
Re: BS34 Choke Assembly Seals
06 Jun 2011 17:51
They are more than dust seals. They will affect your vacuum if the seats on the plunger do not seat all the way.
74 Z1-A stock
76 KZ-900 Totaly stock vice MAC pipe
77 KZ-1000A stock
78 Z1-R 100%MINT 500 original Mi.
78 Z1-R Yoshi 1103 kit stage 1 cams Yoshi pipe. Etc
79 KZ-1300 (1400)
80 KZ-1300
81 Scratch built GPz1150R
82 KZ1000
76 KZ-900 Totaly stock vice MAC pipe
77 KZ-1000A stock
78 Z1-R 100%MINT 500 original Mi.
78 Z1-R Yoshi 1103 kit stage 1 cams Yoshi pipe. Etc
79 KZ-1300 (1400)
80 KZ-1300
81 Scratch built GPz1150R
82 KZ1000
Please Log in or Create an account to join the conversation.
- BIGD
-
Topic Author
- Offline
- User
-

Registered
- Posts: 56
- Thanks: 0
Re: BS34 Choke Assembly Seals
06 Jun 2011 18:02
How would I know if they are seating all the way. 3 of the seals are completely gone.
Had 1981 KZ1000 M1 From 1981-1995 Canadian Model
Have 1981 KZ1000 M1 US Model
Have 1981 KZ1000 M1 US Model
Please Log in or Create an account to join the conversation.
- TeK9iNe
-
- Offline
- User
-

Registered
- What did you do!?!
- Posts: 2436
- Thanks: 28
Re: BS34 Choke Assembly Seals
06 Jun 2011 18:41
The seals are actually just dust boots. If your choke plungers/pads are shot, then air will piss in past brand new seals/boots, trust me.
You should have them, and you should also make sure your choke plungers are working correctly.
You will know if your choke pads arent seating... the bike can run funny/hesitate, and also a plug may be considerably more rich than another upon inspection.
You should have them, and you should also make sure your choke plungers are working correctly.
You will know if your choke pads arent seating... the bike can run funny/hesitate, and also a plug may be considerably more rich than another upon inspection.
Motorcycle Shop Owner/Operator
79 Kawie Z1000 LTD
81 Kawie Z1000 CSR
83 Honda VT750C A
85 Kawie GPZ900 A2
86 Zukie GS1150 EG
93 Yamie XV1100 E
Lucky to have rolled many old bikes through my doors
79 Kawie Z1000 LTD
81 Kawie Z1000 CSR
83 Honda VT750C A
85 Kawie GPZ900 A2
86 Zukie GS1150 EG
93 Yamie XV1100 E
Lucky to have rolled many old bikes through my doors
Please Log in or Create an account to join the conversation.
- BIGD
-
Topic Author
- Offline
- User
-

Registered
- Posts: 56
- Thanks: 0
Re: BS34 Choke Assembly Seals
06 Jun 2011 22:08
If rich is darker than others than yes. How due I replace the pads or plunger? Due the carbs need to come off the bike, or can it be done with just the tank off. Does Z1 Enterprises carry these parts if you know. Thanks Don
Had 1981 KZ1000 M1 From 1981-1995 Canadian Model
Have 1981 KZ1000 M1 US Model
Have 1981 KZ1000 M1 US Model
Please Log in or Create an account to join the conversation.
- TeK9iNe
-
- Offline
- User
-

Registered
- What did you do!?!
- Posts: 2436
- Thanks: 28
Re: BS34 Choke Assembly Seals
07 Jun 2011 08:02
Its actually a fairl large job, but not difficult.
The carbs must be removed form the bike, and the entire rack must be dissasembled in order to replace the #2,3,4 choke assemblies.
Most performing this would deffinately consider doing a thorough cleaning and replacing of anything that requires so.
You will need to perform a good bench sync one re-assembled, and then a vacuum sync is a must after the mixture screws have been tuned properly.
Large job, but mostly time consuming. The choke assemblies simply screw out/in for replacement as a unit.
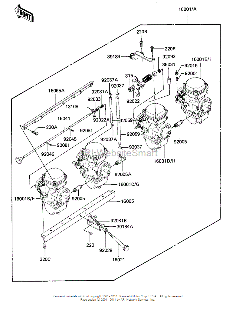
These wil help
You can probly get the chokes/etc at
Z1ENTERPRISES.COM
The carbs must be removed form the bike, and the entire rack must be dissasembled in order to replace the #2,3,4 choke assemblies.
Most performing this would deffinately consider doing a thorough cleaning and replacing of anything that requires so.
You will need to perform a good bench sync one re-assembled, and then a vacuum sync is a must after the mixture screws have been tuned properly.
Large job, but mostly time consuming. The choke assemblies simply screw out/in for replacement as a unit.
These wil help
Motorcycle Shop Owner/Operator
79 Kawie Z1000 LTD
81 Kawie Z1000 CSR
83 Honda VT750C A
85 Kawie GPZ900 A2
86 Zukie GS1150 EG
93 Yamie XV1100 E
Lucky to have rolled many old bikes through my doors
79 Kawie Z1000 LTD
81 Kawie Z1000 CSR
83 Honda VT750C A
85 Kawie GPZ900 A2
86 Zukie GS1150 EG
93 Yamie XV1100 E
Lucky to have rolled many old bikes through my doors
Please Log in or Create an account to join the conversation.
Moderators: Street Fighter LTD
