Saving a '81 KZ750-E
- Skidmark
-
Topic Author
- Offline
- User
-

Registered
- Posts: 1087
- Thanks: 312
Re: Saving a '81 KZ750-E
26 Aug 2020 13:07
The case cover for the countershaft sprocket was really hard to clean. After getting 90% of the crap off the inside, i decided to put it in my bucket of Evapo Rust even though it's aluminum. I wasn't sure how it would do with old chain lube and road grime. 48 hour soak, water rinse. Wow! Didn't expect it to come out this clean...
Retired gearhead
'81 KZ-750 E2
'87 Suzuki Savage 650 Street Tracker (lost in the shop fire)
'81 KZ-750 E2
'87 Suzuki Savage 650 Street Tracker (lost in the shop fire)
Please Log in or Create an account to join the conversation.
- Skidmark
-
Topic Author
- Offline
- User
-

Registered
- Posts: 1087
- Thanks: 312
Re: Saving a '81 KZ750-E
26 Aug 2020 13:11
The "mottled" appearance from oxidation on the outside surface doesn't go away with glass bead blasting. This pic shows how the pattern is still in the aluminum surface. I could blast it for 30 minutes without any further visible change. The important improvement is the texture of the surface. Very uniform and a great surface for paint adhesion.
Retired gearhead
'81 KZ-750 E2
'87 Suzuki Savage 650 Street Tracker (lost in the shop fire)
'81 KZ-750 E2
'87 Suzuki Savage 650 Street Tracker (lost in the shop fire)
Please Log in or Create an account to join the conversation.
- Nessism
-
- Offline
- Sustaining Member
-

Registered
- Posts: 8069
- Thanks: 3453
Re: Saving a '81 KZ750-E
26 Aug 2020 16:50
220 grit sandpaper on a palm sized DA works good to buzz off the corrosion. After that I move to a sisal pad and black polishing compound. Use gloves because the part will get hot. Before you go though all that consider finding a newer model cover with a ramp and ball clutch actuator. It's smoother than that helix jobby you have now.
Ed
Carb O-ring Kits : www.kzrider.com/forum/14-vendor-forum/62...rburetor-o-ring-kits
www.kzrider.com/forum/faq-wiki/618026-new-owner-things-to-know
1981 KZ750E2
www.kzrider.com/forum/11-projects/604901...z750e-project-thread
Carb O-ring Kits : www.kzrider.com/forum/14-vendor-forum/62...rburetor-o-ring-kits
www.kzrider.com/forum/faq-wiki/618026-new-owner-things-to-know
1981 KZ750E2
www.kzrider.com/forum/11-projects/604901...z750e-project-thread
Please Log in or Create an account to join the conversation.
- Skidmark
-
Topic Author
- Offline
- User
-

Registered
- Posts: 1087
- Thanks: 312
Re: Saving a '81 KZ750-E
29 Aug 2020 14:56
I am going to run with the parts I have. The helix thingy is working as designed after cleaning, greasing, and reassembly.
The last of the engine covers got 3 coats of paint today. I will sand back the text to aluminum after a couple days of drying time.
The last of the engine covers got 3 coats of paint today. I will sand back the text to aluminum after a couple days of drying time.
Retired gearhead
'81 KZ-750 E2
'87 Suzuki Savage 650 Street Tracker (lost in the shop fire)
'81 KZ-750 E2
'87 Suzuki Savage 650 Street Tracker (lost in the shop fire)
Please Log in or Create an account to join the conversation.
- Skidmark
-
Topic Author
- Offline
- User
-

Registered
- Posts: 1087
- Thanks: 312
Re: Saving a '81 KZ750-E
02 Sep 2020 11:01
I've been out of town since Sunday morning, so the paint has had three days to cure. First thing I did when I got back in my shop was to sand back the text on the alternator cover. So far the paint adhesion is holding up nicely.
Retired gearhead
'81 KZ-750 E2
'87 Suzuki Savage 650 Street Tracker (lost in the shop fire)
'81 KZ-750 E2
'87 Suzuki Savage 650 Street Tracker (lost in the shop fire)
Please Log in or Create an account to join the conversation.
- Mikaw
-
- Offline
- Sustaining Member
-

Registered
- Posts: 4825
- Thanks: 1852
Re: Saving a '81 KZ750-E
02 Sep 2020 17:54
worth the wait
1976 KZ 900 A4
kzrider.com/forum/11-projects/613548-1976-kz-900-a4
1976 KZ 900 B1 LTD
1978 KZ 1000 B2 LTD
1980 KZ 750 E1
Kowledge Speaks, But Wisdom Listens.
Jimi Hendrix.
1976 KZ 900 B1 LTD
1978 KZ 1000 B2 LTD
1980 KZ 750 E1
Kowledge Speaks, But Wisdom Listens.
Jimi Hendrix.
Please Log in or Create an account to join the conversation.
- Skidmark
-
Topic Author
- Offline
- User
-

Registered
- Posts: 1087
- Thanks: 312
Re: Saving a '81 KZ750-E
15 Sep 2020 08:08 - 15 Sep 2020 08:08
And another couple of weeks or so have slipped by without touching the bike. Time for this trend to change! Today I am disassembling the painted engine in preparation for final assembly. I do have an out of state trip planned for later this month, but until that happens I can focus on the motor. I am going to order up some A.P.E. cylinder head nuts to go with the studs I bought. Any insight on whether the washers that go under the head nuts should remain stock, or get aftermarket to go with the A.P.E. parts?
Retired gearhead
'81 KZ-750 E2
'87 Suzuki Savage 650 Street Tracker (lost in the shop fire)
'81 KZ-750 E2
'87 Suzuki Savage 650 Street Tracker (lost in the shop fire)
Last edit: 15 Sep 2020 08:08 by Skidmark.
Please Log in or Create an account to join the conversation.
- Skidmark
-
Topic Author
- Offline
- User
-

Registered
- Posts: 1087
- Thanks: 312
Re: Saving a '81 KZ750-E
15 Sep 2020 14:12
Cleaned off my weld table and covered with thick single layer cardboard. Disassembled the motor, and getting ready to start the next round of cleaning and inspection.
Retired gearhead
'81 KZ-750 E2
'87 Suzuki Savage 650 Street Tracker (lost in the shop fire)
'81 KZ-750 E2
'87 Suzuki Savage 650 Street Tracker (lost in the shop fire)
Please Log in or Create an account to join the conversation.
- Skidmark
-
Topic Author
- Offline
- User
-

Registered
- Posts: 1087
- Thanks: 312
Re: Saving a '81 KZ750-E
15 Sep 2020 14:16
The clutch cover did not come out very well since the corrosion caused some pitting. After the semigloss black paint I am not happy with it. So it will go back in the blast cabinet for stripping. I will probably end up with some type of filler for the pitting, and repaint it after sanding it smooth.
Retired gearhead
'81 KZ-750 E2
'87 Suzuki Savage 650 Street Tracker (lost in the shop fire)
'81 KZ-750 E2
'87 Suzuki Savage 650 Street Tracker (lost in the shop fire)
Please Log in or Create an account to join the conversation.
- Skidmark
-
Topic Author
- Offline
- User
-

Registered
- Posts: 1087
- Thanks: 312
Re: Saving a '81 KZ750-E
17 Sep 2020 15:05 - 17 Sep 2020 15:06
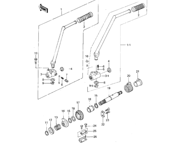
Starting the assembly process. I found some threaded holes behind the transmission on the lower case half. I can't find any clear pictures of that area during disassembly (thought I took enough). I have scoured the shop manual, and no clear pictures or mention of what they are for that I can tell. Any ideas from you KZ750 guys? Maybe I am over thinking it? You see them to the left of the shift fork shaft in the floor of the case, next to the oil filter.
Retired gearhead
'81 KZ-750 E2
'87 Suzuki Savage 650 Street Tracker (lost in the shop fire)
'81 KZ-750 E2
'87 Suzuki Savage 650 Street Tracker (lost in the shop fire)
Last edit: 17 Sep 2020 15:06 by Skidmark.
Please Log in or Create an account to join the conversation.
- Mc Tavish
-
- Offline
- User
-

Registered
- Posts: 101
- Thanks: 35
Last edit: 17 Sep 2020 16:52 by Mc Tavish.
The following user(s) said Thank You: Skidmark
Please Log in or Create an account to join the conversation.
- Skidmark
-
Topic Author
- Offline
- User
-

Registered
- Posts: 1087
- Thanks: 312
Re: Saving a '81 KZ750-E
17 Sep 2020 18:24 - 17 Sep 2020 18:26
If those two threaded holes are for a kick starter, this year and model did not come with one. That would explain why I can't find anything that goes there. Thank you, Mc Tavish!
Retired gearhead
'81 KZ-750 E2
'87 Suzuki Savage 650 Street Tracker (lost in the shop fire)
'81 KZ-750 E2
'87 Suzuki Savage 650 Street Tracker (lost in the shop fire)
Last edit: 17 Sep 2020 18:26 by Skidmark.
Please Log in or Create an account to join the conversation.
Moderators: Street Fighter LTD
