1975 KZ400D - restore project
- Jack_Mills
-
Topic Author
- Offline
- Sustaining Member
-

Registered
- Posts: 165
- Thanks: 17
Re: 1975 KZ400D - restore project
12 Apr 2018 09:05 - 12 Apr 2018 09:06
LoudHVX,
Where abouts would I put the resistor, back by the socket or up closer to the wire going into the tach? Since I put the knock off daymaker in the headlight, I would like to keep the rear brake bulb LED as well (looks nice on the license plate). I would only need one resistor correct? On the positive side (black with yellow stripe) ? Im not too concerned with saving power, just trying to keep everything functioning properly. Keeping the turn signal bulbs standard. Thanks very much for your time and input! Here is a link I found from another thread to a resistor, is this one alright to use? www.dimecitycycles.com/in-line-universal...llet-connectors.html
Where abouts would I put the resistor, back by the socket or up closer to the wire going into the tach? Since I put the knock off daymaker in the headlight, I would like to keep the rear brake bulb LED as well (looks nice on the license plate). I would only need one resistor correct? On the positive side (black with yellow stripe) ? Im not too concerned with saving power, just trying to keep everything functioning properly. Keeping the turn signal bulbs standard. Thanks very much for your time and input! Here is a link I found from another thread to a resistor, is this one alright to use? www.dimecitycycles.com/in-line-universal...llet-connectors.html
74 kz400 D1
75 kz400 D2
75 kz400 D2
75 kz400 D2
76 kz400 D3
76 kz400 D3
77 kz400 A1
78 kz400 B1
80 xl80s
81 kz440 B2
81 GL1100
81 xl80s
81 xr80
96 K1100LT
18 HAWK250
Thanks goes out to all folks who share their great knowledge teaching others about classic metric motorcycles.
75 kz400 D2
75 kz400 D2
75 kz400 D2
76 kz400 D3
76 kz400 D3
77 kz400 A1
78 kz400 B1
80 xl80s
81 kz440 B2
81 GL1100
81 xl80s
81 xr80
96 K1100LT
18 HAWK250
Thanks goes out to all folks who share their great knowledge teaching others about classic metric motorcycles.
Last edit: 12 Apr 2018 09:06 by Jack_Mills.
Please Log in or Create an account to join the conversation.
- loudhvx
-
- Offline
- KZr Legend
-

Registered
- Posts: 10863
- Thanks: 1622
Re: 1975 KZ400D - restore project
12 Apr 2018 09:10
I tried to edit my previous post, but it would not let me. So I'll retype it here:
One remedy would be to put a resistor as an extra load in parallel. But that would defeat the purpose of the failure unit since it would no longer detect a burned out bulb. Also, then you are not saving any power. So you might as well use a standard 1157 bulb and the standard failure-flash unit.
Another remedy to stop the flashing would be to unplug the brake failure warning unit, but then you will not get a warning for a burned out bulb. I'm not sure if the light would still come on steady when you use the brake (which is the normal indication).
Cars, even today, have the same problem. The can bus system detects bulb outages, but if the bulbs are replaced with cheap LED bulbs, the car reports them as being burned out.
To make a unit that can detect an LED bulb, and also flash when the bulb is out, without needing the extra resistor, would require making a new failure detection circuit.
One remedy would be to put a resistor as an extra load in parallel. But that would defeat the purpose of the failure unit since it would no longer detect a burned out bulb. Also, then you are not saving any power. So you might as well use a standard 1157 bulb and the standard failure-flash unit.
Another remedy to stop the flashing would be to unplug the brake failure warning unit, but then you will not get a warning for a burned out bulb. I'm not sure if the light would still come on steady when you use the brake (which is the normal indication).
Cars, even today, have the same problem. The can bus system detects bulb outages, but if the bulbs are replaced with cheap LED bulbs, the car reports them as being burned out.
To make a unit that can detect an LED bulb, and also flash when the bulb is out, without needing the extra resistor, would require making a new failure detection circuit.
1981 KZ550 D1 gpz.
Kz550 valve train warning.
Other links.
Kz550 valve train warning.
Other links.
Please Log in or Create an account to join the conversation.
- loudhvx
-
- Offline
- KZr Legend
-

Registered
- Posts: 10863
- Thanks: 1622
Re: 1975 KZ400D - restore project
12 Apr 2018 09:11
So if you want to keep the LED bulb, then you should just remove the failure warning flasher. That will stop the flashing, and then you don't need an additional resistor.
1981 KZ550 D1 gpz.
Kz550 valve train warning.
Other links.
Kz550 valve train warning.
Other links.
Please Log in or Create an account to join the conversation.
- Jack_Mills
-
Topic Author
- Offline
- Sustaining Member
-

Registered
- Posts: 165
- Thanks: 17
Re: 1975 KZ400D - restore project
12 Apr 2018 09:15
So youre suggesting just unplugging the wire going into the tach that would power the flashing light inside the tach, correct? Im not in front of the bike right now to reference if that wire has a connection up by the neck or if I have to cut it...thanks again for your time and input!
74 kz400 D1
75 kz400 D2
75 kz400 D2
75 kz400 D2
76 kz400 D3
76 kz400 D3
77 kz400 A1
78 kz400 B1
80 xl80s
81 kz440 B2
81 GL1100
81 xl80s
81 xr80
96 K1100LT
18 HAWK250
Thanks goes out to all folks who share their great knowledge teaching others about classic metric motorcycles.
75 kz400 D2
75 kz400 D2
75 kz400 D2
76 kz400 D3
76 kz400 D3
77 kz400 A1
78 kz400 B1
80 xl80s
81 kz440 B2
81 GL1100
81 xl80s
81 xr80
96 K1100LT
18 HAWK250
Thanks goes out to all folks who share their great knowledge teaching others about classic metric motorcycles.
Please Log in or Create an account to join the conversation.
- loudhvx
-
- Offline
- KZr Legend
-

Registered
- Posts: 10863
- Thanks: 1622
Re: 1975 KZ400D - restore project
12 Apr 2018 09:19Jack_Mills wrote: So youre suggesting just unplugging the wire going into the tach that would power the flashing light inside the tach, correct? Im not in front of the bike right now to reference if that wire has a connection up by the neck or if I have to cut it...thanks again for your time and input!
No. I'm recommending just unplugging the failure warning flasher. It's probably somewhere under a side cover.
Looking at a later diagram, it appears this will cause the brake light indicator to stop working completely. In order to get the brake light indicator to come on when the brake is applied would require a little bit of wiring alteration. Not too much, but the wiring won't be stock anymore. (It can probably easily be put back.)
1981 KZ550 D1 gpz.
Kz550 valve train warning.
Other links.
Kz550 valve train warning.
Other links.
Please Log in or Create an account to join the conversation.
- Jack_Mills
-
Topic Author
- Offline
- Sustaining Member
-

Registered
- Posts: 165
- Thanks: 17
Re: 1975 KZ400D - restore project
12 Apr 2018 09:22
Yes on the 400s when the brake is engaged, the same red light on the tach lights up. Hmmm I will look through my wire diagram and what not to locate the failure warning flasher. If I did want to try the resistor inline, would that keep the functionality of everything the same? IE: installing the resistor would stop the blinking red light?
74 kz400 D1
75 kz400 D2
75 kz400 D2
75 kz400 D2
76 kz400 D3
76 kz400 D3
77 kz400 A1
78 kz400 B1
80 xl80s
81 kz440 B2
81 GL1100
81 xl80s
81 xr80
96 K1100LT
18 HAWK250
Thanks goes out to all folks who share their great knowledge teaching others about classic metric motorcycles.
75 kz400 D2
75 kz400 D2
75 kz400 D2
76 kz400 D3
76 kz400 D3
77 kz400 A1
78 kz400 B1
80 xl80s
81 kz440 B2
81 GL1100
81 xl80s
81 xr80
96 K1100LT
18 HAWK250
Thanks goes out to all folks who share their great knowledge teaching others about classic metric motorcycles.
Please Log in or Create an account to join the conversation.
- loudhvx
-
- Offline
- KZr Legend
-

Registered
- Posts: 10863
- Thanks: 1622
Re: 1975 KZ400D - restore project
12 Apr 2018 09:33 - 12 Apr 2018 09:39Jack_Mills wrote: Yes on the 400s when the brake is engaged, the same red light on the tach lights up. Hmmm I will look through my wire diagram and what not to locate the failure warning flasher. If I did want to try the resistor inline, would that keep the functionality of everything the same? IE: installing the resistor would stop the blinking red light?
The resistor will not keep the functionality the same, but it will stop the flashing. You will no longer have a brake bulb failure warning. The indicator would come on when you apply the brake.
The resistor will have to be big and will get warm/hot. There are other options though.
If you unplug the failure-flasher unit, you could still have the brake indicator come on when the brakes are applied if you reconfigure the wiring.
Or you could make a simple inverter circuit and put it in place of the failure unit... probably two or three parts, maybe less (could be a single relay, or transistor with resistor). Then you would not have to alter any wiring elsewhere on the bike.
Neither of these would require a big, hot resistor.
1981 KZ550 D1 gpz.
Kz550 valve train warning.
Other links.
Kz550 valve train warning.
Other links.
Last edit: 12 Apr 2018 09:39 by loudhvx.
Please Log in or Create an account to join the conversation.
- loudhvx
-
- Offline
- KZr Legend
-

Registered
- Posts: 10863
- Thanks: 1622
Re: 1975 KZ400D - restore project
12 Apr 2018 09:45 - 12 Apr 2018 09:53
You could maybe try something like this instead. Notice it is designed to load the system enough that the CAN bus can detect it properly. But it's a shot in the dark. I don't know how much loading the Kz warning unit needs versus what a CAN bus needs. You might try 5 different types and one might work, or all, or none.
When I click on that ad, it also shows "most popular accessories". One is the load resistor. Notice how big it is. It's about the size of a AA battery. Maybe slightly bigger. (That resistor should not be needed with that CAN bus LED bulb.)
www.superbrightleds.com/moreinfo/led-veh...QFa8pkcaAkDPEALw_wcB
When I click on that ad, it also shows "most popular accessories". One is the load resistor. Notice how big it is. It's about the size of a AA battery. Maybe slightly bigger. (That resistor should not be needed with that CAN bus LED bulb.)
www.superbrightleds.com/moreinfo/led-veh...QFa8pkcaAkDPEALw_wcB
1981 KZ550 D1 gpz.
Kz550 valve train warning.
Other links.
Kz550 valve train warning.
Other links.
Last edit: 12 Apr 2018 09:53 by loudhvx.
Please Log in or Create an account to join the conversation.
- Jack_Mills
-
Topic Author
- Offline
- Sustaining Member
-

Registered
- Posts: 165
- Thanks: 17
Re: 1975 KZ400D - restore project
12 Apr 2018 09:55 - 12 Apr 2018 09:56
This is the bulb I have in the rear brakeright now, perhaps not the same manufacturer (mines from Amazon) but it pretty much has the exact same specs and diodes...
74 kz400 D1
75 kz400 D2
75 kz400 D2
75 kz400 D2
76 kz400 D3
76 kz400 D3
77 kz400 A1
78 kz400 B1
80 xl80s
81 kz440 B2
81 GL1100
81 xl80s
81 xr80
96 K1100LT
18 HAWK250
Thanks goes out to all folks who share their great knowledge teaching others about classic metric motorcycles.
75 kz400 D2
75 kz400 D2
75 kz400 D2
76 kz400 D3
76 kz400 D3
77 kz400 A1
78 kz400 B1
80 xl80s
81 kz440 B2
81 GL1100
81 xl80s
81 xr80
96 K1100LT
18 HAWK250
Thanks goes out to all folks who share their great knowledge teaching others about classic metric motorcycles.
Last edit: 12 Apr 2018 09:56 by Jack_Mills.
Please Log in or Create an account to join the conversation.
- loudhvx
-
- Offline
- KZr Legend
-

Registered
- Posts: 10863
- Thanks: 1622
Re: 1975 KZ400D - restore project
12 Apr 2018 11:36 - 12 Apr 2018 11:38
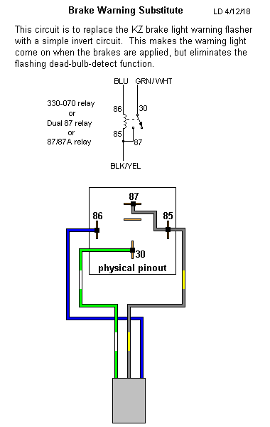
Here is one option. It should be pretty easy to make.
You replace the brake warning unit with a standard automotive relay.
You can use the standard dual-87 relay or the 87/87A relay. Most parts stores have them.
They are named for the pin numbers on the bottom. Some have two terminals labeled 87, and some have an 87 and an 87A.
The bosch part number was 330-070. You can find substitutes with that number usually.
Kawasaki used a few different wire color combinations for the brake warning unit.
These wire colors are based on the 78 Kz400. You'll have to see if yours are different. If so, I can re-color the image.
You replace the brake warning unit with a standard automotive relay.
You can use the standard dual-87 relay or the 87/87A relay. Most parts stores have them.
They are named for the pin numbers on the bottom. Some have two terminals labeled 87, and some have an 87 and an 87A.
The bosch part number was 330-070. You can find substitutes with that number usually.
Kawasaki used a few different wire color combinations for the brake warning unit.
These wire colors are based on the 78 Kz400. You'll have to see if yours are different. If so, I can re-color the image.
1981 KZ550 D1 gpz.
Kz550 valve train warning.
Other links.
Kz550 valve train warning.
Other links.
Last edit: 12 Apr 2018 11:38 by loudhvx.
The following user(s) said Thank You: Jack_Mills
Please Log in or Create an account to join the conversation.
- Nerdy
-
- Offline
- Sustaining Member
-

Registered
- Posts: 1132
- Thanks: 467
Re: 1975 KZ400D - restore project
12 Apr 2018 19:23loudhvx wrote: One remedy would be to put a resistor as an extra load in parallel. But that would defeat the purpose of the failure unit since it would no longer detect a burned out bulb. Also, then you are not saving any power. So you might as well use a standard 1157 bulb and the standard failure-flash unit.
OTOH, the LED bulb will be brighter and more visible so it's probably not a bad idea.
On my previous '79 KZ400 I replaced the turn signals with [much brighter] incandescent DOT models so I wouldn't have to monkey around with resistors or the flasher. The stock taillight was replaced with a much brighter LED arrangement, but I never had an issue with anything on the dash. Maybe that bulb was burned out. :laugh:
1967 Yamaha YCS1 Bonanza
1980 KZ440B
1981 Yamaha XT250H
1981 KZ440 LTD project bike
1981 GPz550
2013 Yamaha FZ6R
Please Log in or Create an account to join the conversation.
- Jack_Mills
-
Topic Author
- Offline
- Sustaining Member
-

Registered
- Posts: 165
- Thanks: 17
Re: 1975 KZ400D - restore project
13 Apr 2018 03:39
I have a busy weekend of work coming up, but I am going to try to get to the shop earlier today to try to get some stuff done on the 75. I appreciate the input and help!
74 kz400 D1
75 kz400 D2
75 kz400 D2
75 kz400 D2
76 kz400 D3
76 kz400 D3
77 kz400 A1
78 kz400 B1
80 xl80s
81 kz440 B2
81 GL1100
81 xl80s
81 xr80
96 K1100LT
18 HAWK250
Thanks goes out to all folks who share their great knowledge teaching others about classic metric motorcycles.
75 kz400 D2
75 kz400 D2
75 kz400 D2
76 kz400 D3
76 kz400 D3
77 kz400 A1
78 kz400 B1
80 xl80s
81 kz440 B2
81 GL1100
81 xl80s
81 xr80
96 K1100LT
18 HAWK250
Thanks goes out to all folks who share their great knowledge teaching others about classic metric motorcycles.
Please Log in or Create an account to join the conversation.
Moderators: Street Fighter LTD
