My first 440 "cafè'ish" build.
- I_Tig_in_piece
-
Topic Author
- Offline
- User
-

Registered
- Posts: 170
- Thanks: 14
Re: My first 440 "cafè'ish" build.
19 Jul 2015 18:57 - 19 Jul 2015 19:03
So hooked up the batterya few days ago to see how bad I did on the wiring. Good news is nothing smoked, melted, caught on fire or popped fuses. LED signals flash at a nice pace, brake light pressure switch works soon as it sees pressure and hell the horn works, sounds like shit but it makes a noise (it'll get replaced soon enough). The not so bad news is I need to sort out the start, kill, headlight power emergency combo switch on the right hand that I some concerns with wiring them up in the first place.(was doing that while someone was talking to me and a few other little distractions.) Shouldn't be too bad though.
So being that I used clip ons I was left with the two giant holes left on the upper triple that was an eye sore. So that got a make over..
I'm sure most know what it looks like without the handlebar risers bolted up.
First cut and smoothed down the holes..
I cut and sanded some 1/4" aluminum plate to fill in most of the hole to get welded in.
This dirty weld was the first pass, been awhile since I welded any alloy thicker than .065 wall.
Second one came out a lot better.
Grinded and sanded down about as smooth as I needed.
Another angle of the smooveness..lol
Sandblasted and ready to paint.
I choose a black wrinkle coat. Turned out real nice.
Another.
Didn't get very far on the seat other than I'm gonna use a cow pattern for the upholstery part. I'm hoping to have that wrapped up along with the electrical this week
Probably paint a few things, oh and gotta install the tapered stem bearings also. Till we meet again..
ed
So being that I used clip ons I was left with the two giant holes left on the upper triple that was an eye sore. So that got a make over..
I'm sure most know what it looks like without the handlebar risers bolted up.
First cut and smoothed down the holes..
I cut and sanded some 1/4" aluminum plate to fill in most of the hole to get welded in.
This dirty weld was the first pass, been awhile since I welded any alloy thicker than .065 wall.
Second one came out a lot better.
Grinded and sanded down about as smooth as I needed.
Another angle of the smooveness..lol
Sandblasted and ready to paint.
I choose a black wrinkle coat. Turned out real nice.
Another.
Didn't get very far on the seat other than I'm gonna use a cow pattern for the upholstery part. I'm hoping to have that wrapped up along with the electrical this week
ed
Cheap labor isn't skilled, skilled labor isn't cheap.
1980 KZ440a. I went green.
If you yourself are building an older bike and can see it through till you're riding it, that's proof you have patience.
1980 KZ440a. I went green.
If you yourself are building an older bike and can see it through till you're riding it, that's proof you have patience.
Attachments:
Last edit: 19 Jul 2015 19:03 by I_Tig_in_piece.
Please Log in or Create an account to join the conversation.
- Jbosh
-
- Offline
- User
-

Registered
- 1982 Kz440 ltd D4
- Posts: 142
- Thanks: 5
Re: My first 440 "cafè'ish" build.
19 Jul 2015 22:42
Ed, that is some very nice work! Fantastic patch and fill on the triple tree! Makes it look like a whole new piece. You don't happen to have a wiring schematic in hand for your bike do ya? Mind sharing if you do? Keep up the dandy work!
Josh
Josh
As long as I get to learn something, I'm happy!
The following user(s) said Thank You: I_Tig_in_piece
Please Log in or Create an account to join the conversation.
- larriken
-
- Offline
- User
-

Registered
- Posts: 556
- Thanks: 61
Re: My first 440 "cafè'ish" build.
20 Jul 2015 01:00
Black wrinkle came up really tidy! Never really used it before for things like top clamps, will give it a go.
The following user(s) said Thank You: I_Tig_in_piece
Please Log in or Create an account to join the conversation.
- 650ed
-
- Offline
- User
-

Registered
- Posts: 15339
- Thanks: 2833
Re: My first 440 "cafè'ish" build.
20 Jul 2015 05:30
Very tidy! That clamp looks like it came from the factory that way. Ed
1977 KZ650-C1 Original Owner - Stock (with additional invisible FIAMM horn)
The following user(s) said Thank You: I_Tig_in_piece
Please Log in or Create an account to join the conversation.
- I_Tig_in_piece
-
Topic Author
- Offline
- User
-

Registered
- Posts: 170
- Thanks: 14
Re: My first 440 "cafè'ish" build.
20 Jul 2015 14:57 - 20 Jul 2015 15:05
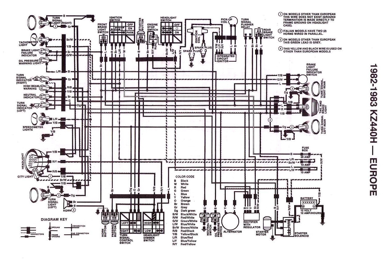
Thanks all. Been tossing the idea around to painting the side engine cases wrinkle also? Don't know yet. If you have a torch handy, burning off any foreign contaminants and painting it when it's warm helps a lot. Almost like powder coating but not really. Won't be able to get anything done today, have a honda fit to deal with that it decided to shoot a spark plug out the cylinder. Hopefully I can time-cert it without pulling the head. Lots of grease, a shop vac with a rubber hose small enough to get inside the cylinder and patience should do it. Bosh I've just been using diagrams off the web. You gotta make sure that it matches to your bike, a bunch of different variations out there.
These are the ones I've been using cause I eliminated the auto cancelling signal lights entirely.
These are the ones I've been using cause I eliminated the auto cancelling signal lights entirely.
Cheap labor isn't skilled, skilled labor isn't cheap.
1980 KZ440a. I went green.
If you yourself are building an older bike and can see it through till you're riding it, that's proof you have patience.
1980 KZ440a. I went green.
If you yourself are building an older bike and can see it through till you're riding it, that's proof you have patience.
Attachments:
Last edit: 20 Jul 2015 15:05 by I_Tig_in_piece.
The following user(s) said Thank You: Jbosh
Please Log in or Create an account to join the conversation.
- DoctoRot
-
- Offline
- Sustaining Member
-

Registered
- Oh, the usual... I bowl, I drive around...
- Posts: 2596
- Thanks: 750
Re: My first 440 "cafè'ish" build.
21 Jul 2015 11:35
Id be wary of going to nuts with the wrinkle. From my experience it traps dirt easily and is a real PITA to keep clean.
The following user(s) said Thank You: I_Tig_in_piece
Please Log in or Create an account to join the conversation.
- 531blackbanshee
-
- Offline
- Vendor
-

Vendors
- Posts: 7446
- Thanks: 798
Re: My first 440 "cafè'ish" build.
21 Jul 2015 12:54
loving all the fab work !
keep us posted as this lil road burner comes to life.
leon
keep us posted as this lil road burner comes to life.
leon
skiatook,oklahoma 1980 z1r,1978 kz 1000 z1r x 3,
1976 kz 900 x 3
i make what i can,and save the rest!
billybiltit.blogspot.com/
www.kzrider.com/forum/5-chassis/325862-triple-tree-custom-work
kzrider.com/forum/5-chassis/294594-frame-bracing?limitstart=0
1976 kz 900 x 3
i make what i can,and save the rest!
billybiltit.blogspot.com/
www.kzrider.com/forum/5-chassis/325862-triple-tree-custom-work
kzrider.com/forum/5-chassis/294594-frame-bracing?limitstart=0
The following user(s) said Thank You: I_Tig_in_piece
Please Log in or Create an account to join the conversation.
- I_Tig_in_piece
-
Topic Author
- Offline
- User
-

Registered
- Posts: 170
- Thanks: 14
Re: My first 440 "cafè'ish" build.
03 Aug 2015 16:04
a quickie update. So last thursday after sorting out my wiring headache (thanks MartinCSR for that link to Louds geniousness of wiring) I proceeded to fire this baby up!!! After figuring which way the petcock valve was suppose to be facing, I saw my filter fill up with gas. Surprisingly enough, the bike fired up after the second attempt. I then saw gas gush out of the T fitting between both carbs. So I made an indestructible one out of stainless.
A little hot.
Here's the cracked one.
New piece..
So now a new problem occurs. Trying to fire this baby up again today and no spark? I've got the battery on charger now. I grounded a plug to the block to confirm my problem. If the icc module took a shit, would that result in the coil not doing its job, and if so, is it easily bypassed?
I did a little reading for upgrades like Dyna and an electronic points? I don't mind going stock though.
A little hot.
Here's the cracked one.
New piece..
So now a new problem occurs. Trying to fire this baby up again today and no spark? I've got the battery on charger now. I grounded a plug to the block to confirm my problem. If the icc module took a shit, would that result in the coil not doing its job, and if so, is it easily bypassed?
I did a little reading for upgrades like Dyna and an electronic points? I don't mind going stock though.
Cheap labor isn't skilled, skilled labor isn't cheap.
1980 KZ440a. I went green.
If you yourself are building an older bike and can see it through till you're riding it, that's proof you have patience.
1980 KZ440a. I went green.
If you yourself are building an older bike and can see it through till you're riding it, that's proof you have patience.
Attachments:
Please Log in or Create an account to join the conversation.
- Randombeat
-
- Offline
- User
-

Registered
- 0 to 100 real quick...
- Posts: 274
- Thanks: 23
Re: My first 440 "cafè'ish" build.
03 Aug 2015 17:38
You could sell those.... I just paid 22$ for the stock replacement t on fleabay....
How much?
How much?
1980 KZ750H LTD-- pods-- vance & hines 4-1 --speedo/tach/blinker/switch deletes -- brat style
Please Log in or Create an account to join the conversation.
- Gordy
-
- Offline
- User
-

Registered
- Posts: 134
- Thanks: 5
Re: My first 440 "cafè'ish" build.
04 Aug 2015 04:47
Some fantastic work, I particularly liked how the top yokes turned out.
The following user(s) said Thank You: I_Tig_in_piece
Please Log in or Create an account to join the conversation.
- I_Tig_in_piece
-
Topic Author
- Offline
- User
-

Registered
- Posts: 170
- Thanks: 14
Re: My first 440 "cafè'ish" build.
04 Aug 2015 05:28
ok weird, tried to fire it out of spite, and got short idle then dies. Soooo guess my coils not bad? I'm gonna go through my wiring for the 9th time to make sure all is honky dory. I'm still using (possibly the original) stock coil. The carbs aren't rebuilt (yet, probably order a kit or opt for a less finicky set). wonderful..anyways.
Bike looks good off the table..
still have a few little tidbits to make like a front fender and mount my speedo.
Well Random that's a good question. I'd consider selling them if the placement of the O-ring can be changed. Making those grooves on (my 197? Cincinnati) lathe is the most time consuming. The cool thing is though, instead of having a hose and clamp for the feed, you can have like a male AN fitting welded in it's spot. Oh and of course, it'll never break..ever! lol. If you really want one, PM me.
Bike looks good off the table..
still have a few little tidbits to make like a front fender and mount my speedo.
How much?
Well Random that's a good question. I'd consider selling them if the placement of the O-ring can be changed. Making those grooves on (my 197? Cincinnati) lathe is the most time consuming. The cool thing is though, instead of having a hose and clamp for the feed, you can have like a male AN fitting welded in it's spot. Oh and of course, it'll never break..ever! lol. If you really want one, PM me.
Cheap labor isn't skilled, skilled labor isn't cheap.
1980 KZ440a. I went green.
If you yourself are building an older bike and can see it through till you're riding it, that's proof you have patience.
1980 KZ440a. I went green.
If you yourself are building an older bike and can see it through till you're riding it, that's proof you have patience.
Attachments:
Please Log in or Create an account to join the conversation.
- I_Tig_in_piece
-
Topic Author
- Offline
- User
-

Registered
- Posts: 170
- Thanks: 14
Re: My first 440 "cafè'ish" build.
04 Aug 2015 05:34Gordy wrote: Some fantastic work, I particularly liked how the top yokes turned out.
Thanks Gordy. I would've liked to use the 400s upper forks cause the top screws on. I've gotta come up with some sort of prettiness on top for the forks I got now. That's later though..
Cheap labor isn't skilled, skilled labor isn't cheap.
1980 KZ440a. I went green.
If you yourself are building an older bike and can see it through till you're riding it, that's proof you have patience.
1980 KZ440a. I went green.
If you yourself are building an older bike and can see it through till you're riding it, that's proof you have patience.
Please Log in or Create an account to join the conversation.
Moderators: Street Fighter LTD
