1975 KZ 900 , ZRX Swingarm, 89 GSXR front end
- tk11b40
-
Topic Author
- Offline
- User
-

Registered
- Posts: 625
- Thanks: 21
Re: 1975 KZ 900 , ZRX Swingarm, 89 GSXR front end
18 Sep 2011 16:17
BUMPING!!
ANY DYNA 2000 Users please read the last few posts
Selfish yes?
Desperate yes.
ANY DYNA 2000 Users please read the last few posts
Selfish yes?
Desperate yes.
Suzuki GSXR 750 slabside
Ducati S4R
Husqvarna FE 350s
1986 Yamaha FZ 750
Ducati S4R
Husqvarna FE 350s
1986 Yamaha FZ 750
Please Log in or Create an account to join the conversation.
- Patton
-
- Offline
- KZr Legend
-

Registered
- Posts: 18567
- Thanks: 2103
Re: 1975 KZ 900 , ZRX Swingarm, 89 GSXR front end
18 Sep 2011 16:20 - 18 Sep 2011 16:21Shouldn't this be 20 amp?tk11b40 wrote: ...There is only one fuse, the main 30 amp. The wiring harness is brand new....
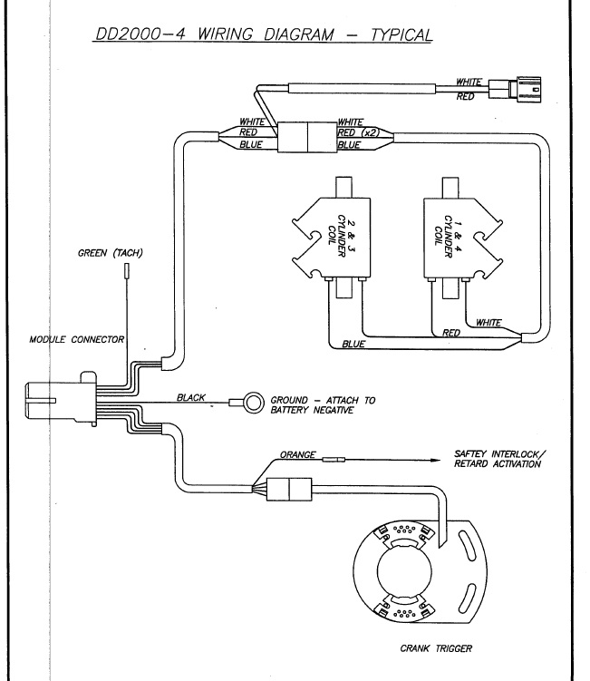
Likely already known by heart, but here for reference is a Dyna 2000 wiring diagram from the installation guide.
Good Fortune!
1973 Z1
KZ900 LTD
KZ900 LTD
Last edit: 18 Sep 2011 16:21 by Patton.
Please Log in or Create an account to join the conversation.
- testarossa
-
- Offline
- User
-

Registered
- Attack life, it's only trying to kill you.
- Posts: 3674
- Thanks: 82
Re: 1975 KZ 900 , ZRX Swingarm, 89 GSXR front end
18 Sep 2011 20:45
Ted, I just looked at my bike and with it properly wired, I get a single, very short flash when the unit first powers up. I can get it to replicate your solid red light when the four pin connector to the crank trigger is disconnected.
I would think that you need to check these four wires again for correct connection, and continuity at all connections. I noticed that the individual pins fit in the connector body is slightly loose. It does allow them to get mis-aligned when you are plugging the two halves of the connector together. Could it be possible that one or more of the contacts got pushed out the back of the connector body? If they are mis-aligned, and you force the connector, something has to give. A simple continuity check of both sides of the assembled connector should rule out this connection as a problem.
If that doesn't solve the issue, then I would suspect that something is wrong with the crank trigger. Was the Dyna 2000 in place when you had the battery overcharging incident? Give Dynatech a call tomorrow and give them a chance to help you diagnose their product before you take a ball peen hammer to the poor little blue box.
I would think that you need to check these four wires again for correct connection, and continuity at all connections. I noticed that the individual pins fit in the connector body is slightly loose. It does allow them to get mis-aligned when you are plugging the two halves of the connector together. Could it be possible that one or more of the contacts got pushed out the back of the connector body? If they are mis-aligned, and you force the connector, something has to give. A simple continuity check of both sides of the assembled connector should rule out this connection as a problem.
If that doesn't solve the issue, then I would suspect that something is wrong with the crank trigger. Was the Dyna 2000 in place when you had the battery overcharging incident? Give Dynatech a call tomorrow and give them a chance to help you diagnose their product before you take a ball peen hammer to the poor little blue box.
1978 KZ1000 A2 Click--->Build Thread
2004 ZX-10R
2007 Harley Sportster 1200
2020 Harley Street Glide Special
Angola, IN
2004 ZX-10R
2007 Harley Sportster 1200
2020 Harley Street Glide Special
Angola, IN
Please Log in or Create an account to join the conversation.
- 79MKII
-
- Offline
- User
-

Registered
- Love Them Kaws!
- Posts: 2478
- Thanks: 44
Re: 1975 KZ 900 , ZRX Swingarm, 89 GSXR front end
18 Sep 2011 21:04testarossa wrote: Ted, I just looked at my bike and with it properly wired, I get a single, very short flash when the unit first powers up. I can get it to replicate your solid red light when the four pin connector to the crank trigger is disconnected.
...
If that doesn't solve the issue, then I would suspect that something is wrong with the crank trigger. ... quote]
Great information. Maybe some wires are swapped in the 4 pin connectors? Could be wrong from the factory.....it's possible at least. Good Luck....these things can drive you nuts pretty easily.
If it gets much worse, I'll take the bike off your hands to help you out....no point in letting this thing upset you.
The Kaw List:
Current: 79 KZ1000 A3 MKII, 78 KZ1000 A2, 78 KZ1000 Z1-R, 78 KZ650 SR, 80 KE175
Former: 03 KLX400SR, 99 ZRX1000, 82 KZ750 LTD, 80 KZ1000 A4 MKII, 80 KZ1000 LTD, 78 KZ1000 A2, 74 H-2 750 Triple, 78 KL250
Current: 79 KZ1000 A3 MKII, 78 KZ1000 A2, 78 KZ1000 Z1-R, 78 KZ650 SR, 80 KE175
Former: 03 KLX400SR, 99 ZRX1000, 82 KZ750 LTD, 80 KZ1000 A4 MKII, 80 KZ1000 LTD, 78 KZ1000 A2, 74 H-2 750 Triple, 78 KL250
Please Log in or Create an account to join the conversation.
- testarossa
-
- Offline
- User
-

Registered
- Attack life, it's only trying to kill you.
- Posts: 3674
- Thanks: 82
Re: 1975 KZ 900 , ZRX Swingarm, 89 GSXR front end
18 Sep 2011 21:36
IIRC you have to assemble the wires in the 4 pin connecter yourself. It seems that I had to push the contacts in there when I installed mine.
1978 KZ1000 A2 Click--->Build Thread
2004 ZX-10R
2007 Harley Sportster 1200
2020 Harley Street Glide Special
Angola, IN
2004 ZX-10R
2007 Harley Sportster 1200
2020 Harley Street Glide Special
Angola, IN
Please Log in or Create an account to join the conversation.
- tk11b40
-
Topic Author
- Offline
- User
-

Registered
- Posts: 625
- Thanks: 21
Re: 1975 KZ 900 , ZRX Swingarm, 89 GSXR front end
21 Sep 2011 02:01Funny that looks different than the one I have, there is one extra lead, and connector.
Suzuki GSXR 750 slabside
Ducati S4R
Husqvarna FE 350s
1986 Yamaha FZ 750
Ducati S4R
Husqvarna FE 350s
1986 Yamaha FZ 750
Please Log in or Create an account to join the conversation.
- tk11b40
-
Topic Author
- Offline
- User
-

Registered
- Posts: 625
- Thanks: 21
Re: 1975 KZ 900 , ZRX Swingarm, 89 GSXR front end
21 Sep 2011 02:08
Ok I sent a request through the Dyno website.
If they are good people they will be looking at this post. I am sure they are good people. I sent a link.. HI Mr. or Ms. DYNA!! :laugh:
The 4 pin trigger connector is not the issue, because I pulled it loose and checked the voltage right to the Box side of the connector, it is definately low.
All four wires of the trigger connector have bee checked and checked again, they all connect and line up with the right correspnding colors.
Maybe a polarity issue with the coils, but the instrucitons say there is no polarity.
Maybe the coils should NOT be grounded, but that would be new to me.
You are all great support, thank you. I still have the slight urge to strap the bike to the back of my truck and drag it to LA, so I'll just pur a galss of Scotch and wait for Dynas reply.
Would be a pitty to throw out 8 years of labor and money.
If they are good people they will be looking at this post. I am sure they are good people. I sent a link.. HI Mr. or Ms. DYNA!! :laugh:
The 4 pin trigger connector is not the issue, because I pulled it loose and checked the voltage right to the Box side of the connector, it is definately low.
All four wires of the trigger connector have bee checked and checked again, they all connect and line up with the right correspnding colors.
Maybe a polarity issue with the coils, but the instrucitons say there is no polarity.
Maybe the coils should NOT be grounded, but that would be new to me.
You are all great support, thank you. I still have the slight urge to strap the bike to the back of my truck and drag it to LA, so I'll just pur a galss of Scotch and wait for Dynas reply.
Would be a pitty to throw out 8 years of labor and money.
Suzuki GSXR 750 slabside
Ducati S4R
Husqvarna FE 350s
1986 Yamaha FZ 750
Ducati S4R
Husqvarna FE 350s
1986 Yamaha FZ 750
Please Log in or Create an account to join the conversation.
- 531blackbanshee
-
- Offline
- Vendor
-

Vendors
- Posts: 7444
- Thanks: 796
Re: 1975 KZ 900 , ZRX Swingarm, 89 GSXR front end
21 Sep 2011 11:28
you are going to get there
.
this is a test,this is only a test.
once you get this straightend out you will be in kz heaven
leon
this is a test,this is only a test.
once you get this straightend out you will be in kz heaven
leon
skiatook,oklahoma 1980 z1r,1978 kz 1000 z1r x 3,
1976 kz 900 x 3
i make what i can,and save the rest!
billybiltit.blogspot.com/
www.kzrider.com/forum/5-chassis/325862-triple-tree-custom-work
kzrider.com/forum/5-chassis/294594-frame-bracing?limitstart=0
1976 kz 900 x 3
i make what i can,and save the rest!
billybiltit.blogspot.com/
www.kzrider.com/forum/5-chassis/325862-triple-tree-custom-work
kzrider.com/forum/5-chassis/294594-frame-bracing?limitstart=0
Please Log in or Create an account to join the conversation.
- Prouty
-
- Offline
- User
-

Registered
- Posts: 7
- Thanks: 0
Re: 1975 KZ 900 , ZRX Swingarm, 89 GSXR front end
22 Sep 2011 13:01
I can come down and help if ya want. I have read all the posts and two install PDF's. Maby a fresh set of eyes could help. I'm not gonna let you destroy that bike, we can do a hillbilly macgyver job on it and make it work! You know I can make almost anything run,I'll get you through this! Burn in Hell!
If you ain't first, you're last!
Please Log in or Create an account to join the conversation.
- tk11b40
-
Topic Author
- Offline
- User
-

Registered
- Posts: 625
- Thanks: 21
Re: 1975 KZ 900 , ZRX Swingarm, 89 GSXR front end
22 Sep 2011 22:49Prouty wrote: I can come down and help if ya want. I have read all the posts and two install PDF's. Maby a fresh set of eyes could help. I'm not gonna let you destroy that bike, we can do a hillbilly macgyver job on it and make it work! You know I can make almost anything run,I'll get you through this! Burn in Hell!
I am ready for some Hillbilly time, advice and the official Burn in hell drink. How is dunnellthenut scheduling look?
The Dynateck folks have not contacted me yet...perhaps a raid is in order.
Suzuki GSXR 750 slabside
Ducati S4R
Husqvarna FE 350s
1986 Yamaha FZ 750
Ducati S4R
Husqvarna FE 350s
1986 Yamaha FZ 750
Please Log in or Create an account to join the conversation.
- tk11b40
-
Topic Author
- Offline
- User
-

Registered
- Posts: 625
- Thanks: 21
Re: 1975 KZ 900 , ZRX Swingarm, 89 GSXR front end
22 Sep 2011 22:50testarossa wrote: Ted, I just looked at my bike and with it properly wired, I get a single, very short flash when the unit first powers up. I can get it to replicate your solid red light when the four pin connector to the crank trigger is disconnected.
I would think that you need to check these four wires again for correct connection, and continuity at all connections. I noticed that the individual pins fit in the connector body is slightly loose. It does allow them to get mis-aligned when you are plugging the two halves of the connector together. Could it be possible that one or more of the contacts got pushed out the back of the connector body? If they are mis-aligned, and you force the connector, something has to give. A simple continuity check of both sides of the assembled connector should rule out this connection as a problem.
If that doesn't solve the issue, then I would suspect that something is wrong with the crank trigger. Was the Dyna 2000 in place when you had the battery overcharging incident? Give Dynatech a call tomorrow and give them a chance to help you diagnose their product before you take a ball peen hammer to the poor little blue box.
This is good, i have been suspecting this connector, but it does not duplicate the low voltage coming out of the brain.
Suzuki GSXR 750 slabside
Ducati S4R
Husqvarna FE 350s
1986 Yamaha FZ 750
Ducati S4R
Husqvarna FE 350s
1986 Yamaha FZ 750
Please Log in or Create an account to join the conversation.
- testarossa
-
- Offline
- User
-

Registered
- Attack life, it's only trying to kill you.
- Posts: 3674
- Thanks: 82
Re: 1975 KZ 900 , ZRX Swingarm, 89 GSXR front end
22 Sep 2011 23:20tk11b40 wrote: This is good, i have been suspecting this connector, but it does not duplicate the low voltage coming out of the brain.
Hmm... I'm not sure why that could be. Unfortunately, I'll be out of town this weekend, so I can't play around with the bike or I would do some poking around with the multimeter. Maybe you should call Dynatech on the phone. It's easy to dismiss an email till later. They have to deal with you when you are on the phone. Maybe you have already tried that, in which case, I'm just blowing smoke. Just sayin.
Are you getting good voltage into the brain? IIRC your path on the ignition circuit passes through the kill switch on the right hand switchgear, and also through the key switch along with a couple of bullet connectors. There's a lot of potential resistance there. I initially had some voltage drop on my ignition circuit before I dug into my harness and got all of the connections hospital clean.
1978 KZ1000 A2 Click--->Build Thread
2004 ZX-10R
2007 Harley Sportster 1200
2020 Harley Street Glide Special
Angola, IN
2004 ZX-10R
2007 Harley Sportster 1200
2020 Harley Street Glide Special
Angola, IN
Please Log in or Create an account to join the conversation.
Moderators: Street Fighter LTD
