does anyone have a wiring diagram that is legible ?
- irmscott
-
Topic Author
- Offline
- User
-

Registered
- Posts: 1
- Thanks: 0
does anyone have a wiring diagram that is legible ?
05 May 2020 22:12
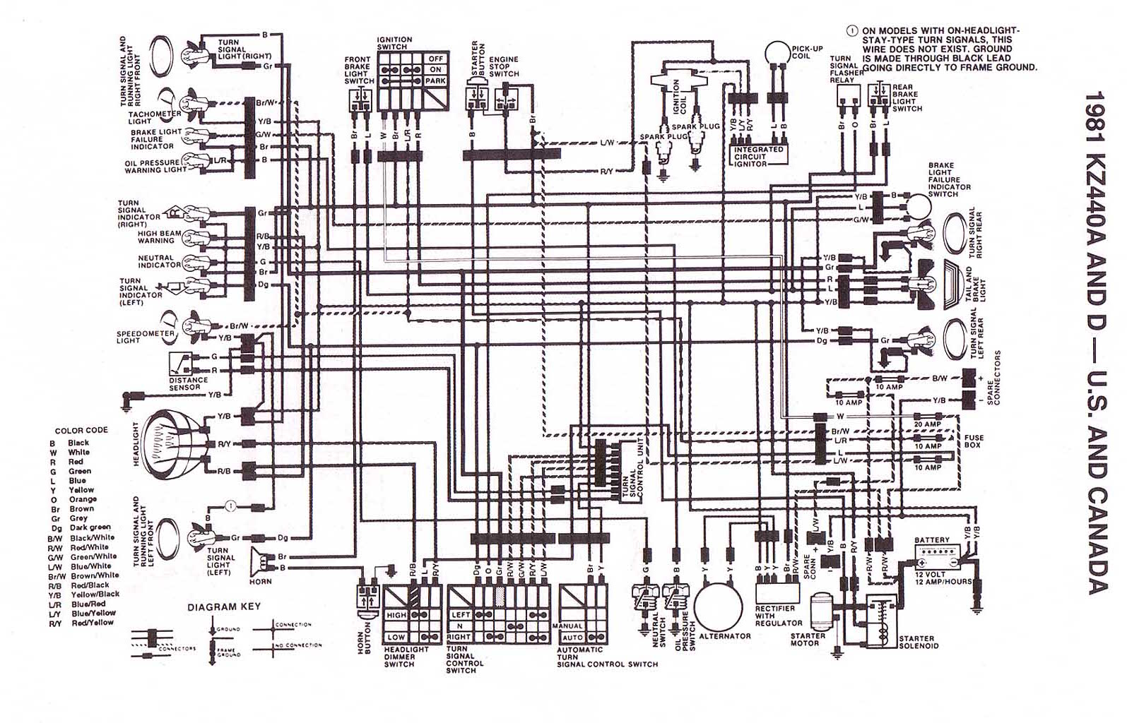
Hey i was wondering if anyone on here would happen to have a legible wiring diagram for a 1981 kz440 ltd. i have looked all over and everything i find you cant read the text.
Please Log in or Create an account to join the conversation.
- 650ed
-
- Offline
- User
-

Registered
- Posts: 15336
- Thanks: 2833
Re: does anyone have a wiring diagram that is legible ?
06 May 2020 06:47
Have you looked at the manuals available right here at KZRIDER? Ed
www.kzrider.com/modules/ServiceManuals/kz440.pdf
www.kzrider.com/modules/ServiceManuals/kz440.pdf
1977 KZ650-C1 Original Owner - Stock (with additional invisible FIAMM horn)
Please Log in or Create an account to join the conversation.
- gd4now
-
- Offline
- User
-

Registered
- Denco where did you go?
- Posts: 1621
- Thanks: 639
Re: does anyone have a wiring diagram that is legible ?
06 May 2020 08:03 - 06 May 2020 08:04
Here is another location for a manual which has several models wiring diagrams.
kz400.com/Workshop%20manual%20bilder/Kaw...Service%20Manual.pdf
kz400.com/Workshop%20manual%20bilder/Kaw...Service%20Manual.pdf
1977 KZ650 B1
Pods and Denco header
OLD KAW OWNERS SMILE ALOT
Pods and Denco header
OLD KAW OWNERS SMILE ALOT
Last edit: 06 May 2020 08:04 by gd4now.
Please Log in or Create an account to join the conversation.
- loudhvx
-
- Offline
- KZr Legend
-

Registered
- Posts: 10863
- Thanks: 1622
Re: does anyone have a wiring diagram that is legible ?
06 May 2020 09:52 - 06 May 2020 10:34
The diagram from the PDF is not very readable... one with the black mark on the "K".
The best option is to get an actual, original paper manual (not just a re-print of that PDF).
Do you have a specific question about the diagram or your bike? The diagram for most Kz's are similar in that era so you can sometimes figure things out by looking at a diagram from another model, or maybe we can figure out the text from experience for you if you have a particular label that needs deciphering.
The best option is to get an actual, original paper manual (not just a re-print of that PDF).
Do you have a specific question about the diagram or your bike? The diagram for most Kz's are similar in that era so you can sometimes figure things out by looking at a diagram from another model, or maybe we can figure out the text from experience for you if you have a particular label that needs deciphering.
1981 KZ550 D1 gpz.
Kz550 valve train warning.
Other links.
Kz550 valve train warning.
Other links.
Last edit: 06 May 2020 10:34 by loudhvx.
Please Log in or Create an account to join the conversation.
- F64
-
- Offline
- User
-

Registered
- 81-KZ440D2
- Posts: 1144
- Thanks: 415
Re: does anyone have a wiring diagram that is legible ?
06 May 2020 11:13 - 06 May 2020 13:05
81-KZ440-D2.
Louis Dudzik's GM HEI ignitor conversion installed 2015 s3.amazonaws.com/gpzweb/Ignition/GPZgmHEImod.html
Motogadget m-unit blue installed 2017.
LIC, NY
Louis Dudzik's GM HEI ignitor conversion installed 2015 s3.amazonaws.com/gpzweb/Ignition/GPZgmHEImod.html
Motogadget m-unit blue installed 2017.
LIC, NY
Last edit: 06 May 2020 13:05 by F64. Reason: added source of schematic
Please Log in or Create an account to join the conversation.
Moderators: Street Fighter LTD
