82 KZ750 Spectre Gear clashing issue and clutch adjustment questions
- kz750spectre
-
Topic Author
- Offline
- User
-

Registered
- Posts: 42
- Thanks: 3
82 KZ750 Spectre Gear clashing issue and clutch adjustment questions
27 May 2023 22:12
I noticed when riding my 82 Kz750 spectre that it was clashing 2nd gear when I try to shift into it, especially at high rpm (6k+). If I keep the RPM lower it doesn't do it nearly as much. Is this normal? I found the clutch cable was routed incorrectly (it was mounted to the left fork) and it would turn with the handlebars. I rectified this issue and returned it to the factory location. I set my free play to 3.0mm with a digital caliper. It still clashes shifting from 1st to 2nd. Engine oil is shell Rotella 15w-40.
What's the procedure for adjusting the clutch on the KZ750 spectre? I know it's different from a standard KZ750 because it's missing the small removable plate to adjust the clutch on the side of the engine. How do you go about clutch adjustment when that plate is not there?
If anyone could shed some light on the shifting phenomenon, it would make my day.
Thanks much
-KzJM
What's the procedure for adjusting the clutch on the KZ750 spectre? I know it's different from a standard KZ750 because it's missing the small removable plate to adjust the clutch on the side of the engine. How do you go about clutch adjustment when that plate is not there?
If anyone could shed some light on the shifting phenomenon, it would make my day.
Thanks much
-KzJM
-KzJM
Please Log in or Create an account to join the conversation.
- Injected
-
- Offline
- User
-

Registered
- Posts: 1566
- Thanks: 1112
Re: 82 KZ750 Spectre Gear clashing issue and clutch adjustment questions
28 May 2023 07:45 - 28 May 2023 09:52I am not sure what would be causing your 1st to 2nd shift issues, possibly a worn second gear (common in drag raced engines)I noticed when riding my 82 Kz750 spectre that it was clashing 2nd gear when I try to shift into it, especially at high rpm (6k+). If I keep the RPM lower it doesn't do it nearly as much. Is this normal? I found the clutch cable was routed incorrectly (it was mounted to the left fork) and it would turn with the handlebars. I rectified this issue and returned it to the factory location. I set my free play to 3.0mm with a digital caliper. It still clashes shifting from 1st to 2nd. Engine oil is shell Rotella 15w-40.
What's the procedure for adjusting the clutch on the KZ750 spectre? I know it's different from a standard KZ750 because it's missing the small removable plate to adjust the clutch on the side of the engine. How do you go about clutch adjustment when that plate is not there?
If anyone could shed some light on the shifting phenomenon, it would make my day.
Thanks much
-KzJM
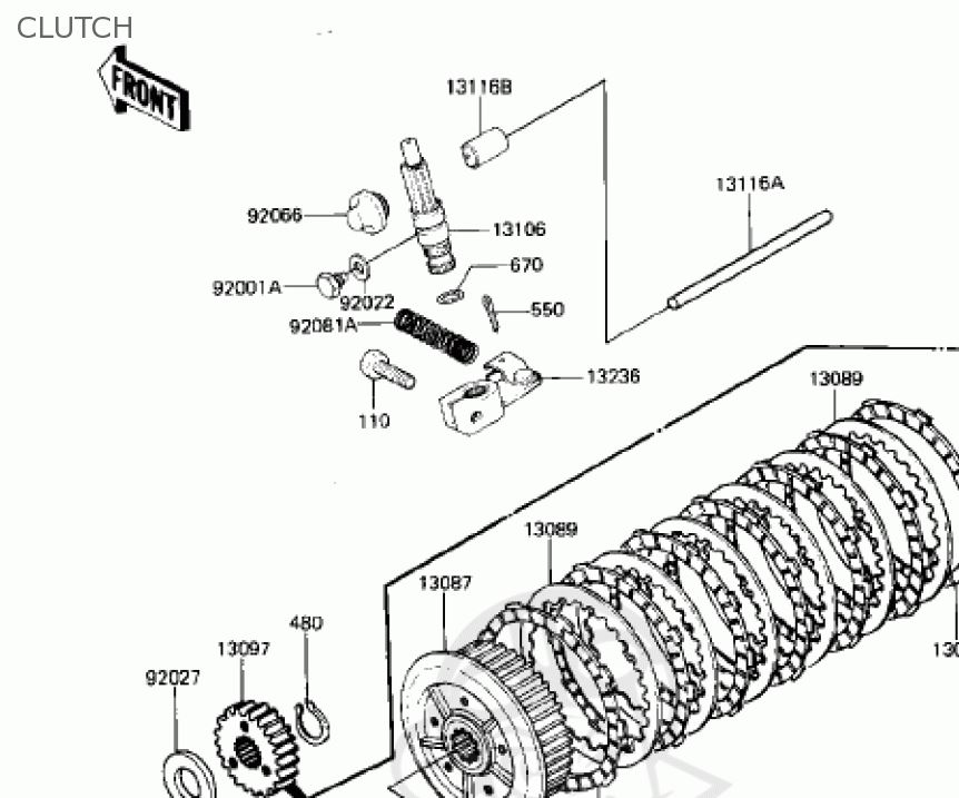
I have a Spectre motor in one of my bikes but I converted it to chain drive. I don't know the procedure as I never got the correct FSM. I can tell you that it does use a worm gear to adjust the clutch rod end play.
# 13116B (see pic above)
Adjustment? (circled) I think the splined shaft has a eccentric on it and depending on how its clocked can give some adjustment.
Just trace the cable and take a look. If that angle is screwed up it could be a issue.
I am not sure if you need to remove the outer cover or not to get to the end lever.
1978 KZ650B2 w 1197cc Z1 engine
1977 KZ650B1 w 750cc Spectre engine
1979 KZ650C3 w 831cc Hot Rod engine
1978 KZ650C2 w 762cc DFI project
1977 KZ650C1 stock restoration project
1978 KZ650B2 modified project
1978 KZ650B2 Injected Drag 831cc
1980 Z1 Custom Frame Drag 1327cc
1981 Z50R Honda tow bike
1977 KZ650B1 w 750cc Spectre engine
1979 KZ650C3 w 831cc Hot Rod engine
1978 KZ650C2 w 762cc DFI project
1977 KZ650C1 stock restoration project
1978 KZ650B2 modified project
1978 KZ650B2 Injected Drag 831cc
1980 Z1 Custom Frame Drag 1327cc
1981 Z50R Honda tow bike
Last edit: 28 May 2023 09:52 by Injected. Reason: pic
The following user(s) said Thank You: kz750spectre
Please Log in or Create an account to join the conversation.
- Nessism
-
- Offline
- Sustaining Member
-

Registered
- Posts: 8030
- Thanks: 3408
Re: 82 KZ750 Spectre Gear clashing issue and clutch adjustment questions
28 May 2023 07:48
To my knowledge, the only adjustments are at the lever and in the middle of the cable (if you run out of adjustment at the lever.)
I'd start by reducing freeplay at the lever, to see if that helps. If it doesn't, the clutch could still be dragging, because the plates are warped. I had a bike once that had crunchy shifting, particularly 1 to 2, and the problem completely went away when I changed the friction and driven plates in the clutch.
I'd start by reducing freeplay at the lever, to see if that helps. If it doesn't, the clutch could still be dragging, because the plates are warped. I had a bike once that had crunchy shifting, particularly 1 to 2, and the problem completely went away when I changed the friction and driven plates in the clutch.
Ed
Carb O-ring Kits : www.kzrider.com/forum/14-vendor-forum/62...rburetor-o-ring-kits
www.kzrider.com/forum/faq-wiki/618026-new-owner-things-to-know
1981 KZ750E2
www.kzrider.com/forum/11-projects/604901...z750e-project-thread
Carb O-ring Kits : www.kzrider.com/forum/14-vendor-forum/62...rburetor-o-ring-kits
www.kzrider.com/forum/faq-wiki/618026-new-owner-things-to-know
1981 KZ750E2
www.kzrider.com/forum/11-projects/604901...z750e-project-thread
Please Log in or Create an account to join the conversation.
Moderators: Street Fighter LTD
