1976 KZ400-S2 Conversion To Electric Start
- Dr. Frankenstein
-
Topic Author
- Offline
- User
-

Registered
- Posts: 120
- Thanks: 20
1976 KZ400-S2 Conversion To Electric Start
20 Feb 2022 17:34
Is there a conversion tutorial in here anywhere to convert a 1976 KZ400-S2 kick-start only to electric start? What parts are needed?
Please Log in or Create an account to join the conversation.
- ghostdive
-
- Offline
- User
-

Registered
- Posts: 391
- Thanks: 120
Re: 1976 KZ400-S2 Conversion To Electric Start
21 Feb 2022 06:36
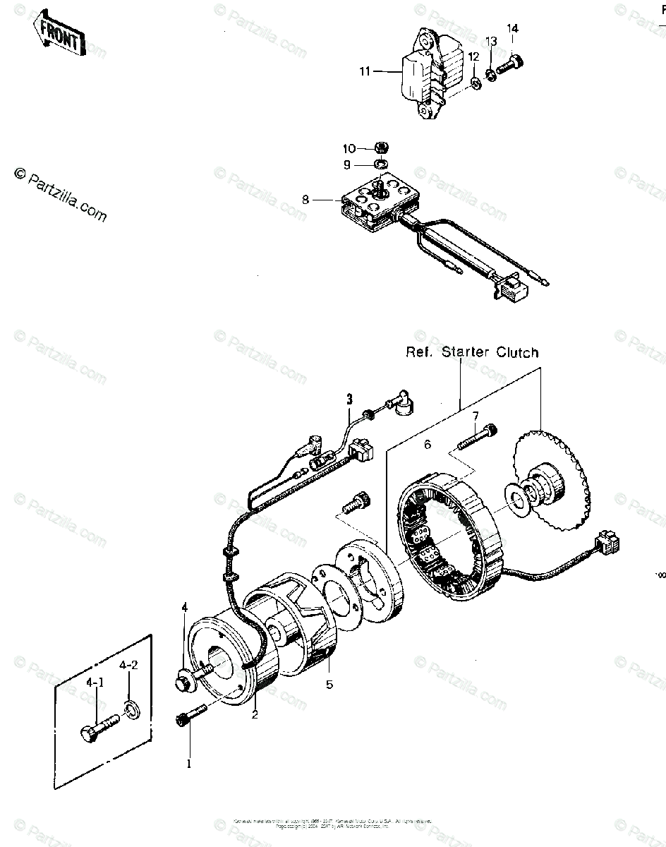
Preliminary investigation reveals: it might not be too hard. Here's what the electric starter mechanism is like on a '76 400:
And here's your 400S:
So it seems you'd need to get a starter, a starter clutch, a chain for between the two, and probably a different ignition switch, plus wiring up a starter relay (not at all hard). It looks pretty doable, just a matter of getting the parts together - good luck if you go for it!
And here's your 400S:
So it seems you'd need to get a starter, a starter clutch, a chain for between the two, and probably a different ignition switch, plus wiring up a starter relay (not at all hard). It looks pretty doable, just a matter of getting the parts together - good luck if you go for it!
1982 KZ750 Spectre - 6 speed swap, BS34s, 18" rear wheel
2001 ZX-6R
2001 ZX-6R
Please Log in or Create an account to join the conversation.
Moderators: Street Fighter LTD
