Electrical Guru Needed for Kawi Build
- BadMonk
-
Topic Author
- Offline
- User
-

Registered
- Posts: 30
- Thanks: 1
Re: Electrical Guru Needed for Kawi Build
07 Jun 2016 15:37
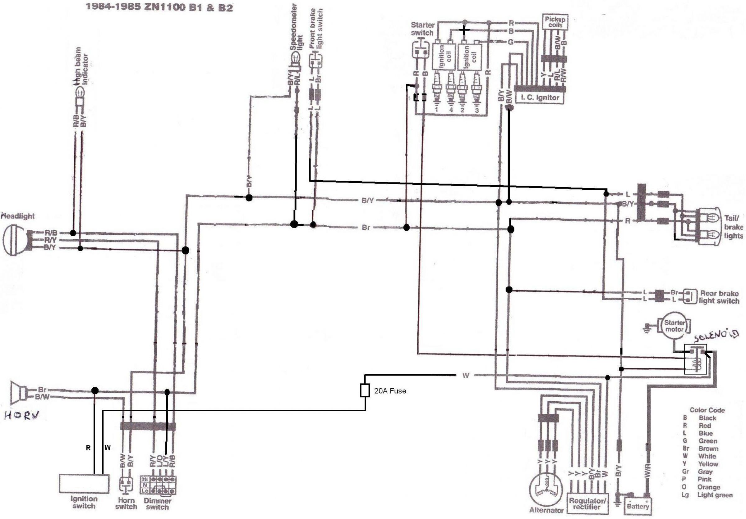
Here's what I have for the revised diagram. Maybe I'm understanding one very basic thing or two...maybe.
This is definitely a slow, step-by-step process for me. Learning curve included. The next thing will be to figure out the connectors from the alternator thru the rectifier and into the igniter. Not just the average bullet or spade connections. First, hopefully the diagram is good. Thanks.
This is definitely a slow, step-by-step process for me. Learning curve included. The next thing will be to figure out the connectors from the alternator thru the rectifier and into the igniter. Not just the average bullet or spade connections. First, hopefully the diagram is good. Thanks.
Attachment ZNWiringDiagramRevised6716001.jpg not found
1984 Kawasaki ZN1100 LTD
2007 Victory Vegas
1981 Suzuki GS850GL
2007 Victory Vegas
1981 Suzuki GS850GL
Please Log in or Create an account to join the conversation.
- loudhvx
-
- Offline
- KZr Legend
-

Registered
- Posts: 10863
- Thanks: 1622
Re: Electrical Guru Needed for Kawi Build
07 Jun 2016 21:30
That looks right.
1981 KZ550 D1 gpz.
Kz550 valve train warning.
Other links.
Kz550 valve train warning.
Other links.
The following user(s) said Thank You: BadMonk
Please Log in or Create an account to join the conversation.
- BadMonk
-
Topic Author
- Offline
- User
-

Registered
- Posts: 30
- Thanks: 1
Re: Electrical Guru Needed for Kawi Build
08 Jun 2016 13:08 - 08 Jun 2016 15:40
Loudhvx.
While working out wire lengths, connectors and stuff, I looked at the diagram and have a question. Two wires (Black/Yellow and Black/White) connect at the igniter. Originally, the Brown wire off the rectifier connected to the igniter, like the B/Y wire does coming off the rectifier. However, in the diagram, the Black/White connects with Black/Yellow so it's essentially another the Black/Yellow, right? That makes two B/Y wires going to the igniter. I"m def not trying to be a pain...it just seems odd to this very unknowing brain of mine. Can you please let me know? Thank you.
EDIT: My bad. I was getting balled up looking at too many wires for too long. The brown off the rectifier did not go to the Igniter. My apologies...I don't know what I was looking at or thinking.
While working out wire lengths, connectors and stuff, I looked at the diagram and have a question. Two wires (Black/Yellow and Black/White) connect at the igniter. Originally, the Brown wire off the rectifier connected to the igniter, like the B/Y wire does coming off the rectifier. However, in the diagram, the Black/White connects with Black/Yellow so it's essentially another the Black/Yellow, right? That makes two B/Y wires going to the igniter. I"m def not trying to be a pain...it just seems odd to this very unknowing brain of mine. Can you please let me know? Thank you.
EDIT: My bad. I was getting balled up looking at too many wires for too long. The brown off the rectifier did not go to the Igniter. My apologies...I don't know what I was looking at or thinking.
1984 Kawasaki ZN1100 LTD
2007 Victory Vegas
1981 Suzuki GS850GL
2007 Victory Vegas
1981 Suzuki GS850GL
Last edit: 08 Jun 2016 15:40 by BadMonk. Reason: Oops
Please Log in or Create an account to join the conversation.
- loudhvx
-
- Offline
- KZr Legend
-

Registered
- Posts: 10863
- Thanks: 1622
Re: Electrical Guru Needed for Kawi Build
12 Jun 2016 17:31
The igniter does have two connections to ground. One is the normal, permanent ground for the power. The other is for the interlock/safety system. Here it is also permanently grounded to bypass the safety system.
1981 KZ550 D1 gpz.
Kz550 valve train warning.
Other links.
Kz550 valve train warning.
Other links.
The following user(s) said Thank You: BadMonk
Please Log in or Create an account to join the conversation.
- BadMonk
-
Topic Author
- Offline
- User
-

Registered
- Posts: 30
- Thanks: 1
Re: Electrical Guru Needed for Kawi Build
13 Jun 2016 06:31
Just when I think that I may be getting it, I end up getting balled up. Thanks for the explanation. It took a good while for your post to sink in but the light bulb finally went on.
Connectors are on order and should be here this week!
Connectors are on order and should be here this week!
1984 Kawasaki ZN1100 LTD
2007 Victory Vegas
1981 Suzuki GS850GL
2007 Victory Vegas
1981 Suzuki GS850GL
Please Log in or Create an account to join the conversation.
- BadMonk
-
Topic Author
- Offline
- User
-

Registered
- Posts: 30
- Thanks: 1
Re: Electrical Guru Needed for Kawi Build
21 Jun 2016 10:36
It's taken a little while to move forward. Mainly because I was busy finding and ordering the correct plastic connectors for a new harness that works with the igniter and rectifier. Anyhow, that section of the harness is now about finished. Here's what I have.
After it's fitted exactly right, I'll move to the rest of the harness that doesn't need pinned connectors. Slowly but surely, this bike is going to start and run.
Attachment index.jpeg not found
After it's fitted exactly right, I'll move to the rest of the harness that doesn't need pinned connectors. Slowly but surely, this bike is going to start and run.
1984 Kawasaki ZN1100 LTD
2007 Victory Vegas
1981 Suzuki GS850GL
2007 Victory Vegas
1981 Suzuki GS850GL
Please Log in or Create an account to join the conversation.
- BadMonk
-
Topic Author
- Offline
- User
-

Registered
- Posts: 30
- Thanks: 1
Re: Electrical Guru Needed for Kawi Build
22 Jul 2016 08:02
It's been a while since posting on this thread for assistance. I've been dealing with some medical issues - as usual - so getting the bike wired has been a slow process. Hope this still works/posts.
UPDATE: I have the wires in place and connected. It turns over but won't start. Here's what I know so far.
No spark at the spark plug.
On the primary side of the coils, there are 12.4 volts going into the positive terminals. But there's only 0.4 volts going into the negative terminals. All four primary terminals should have 12 volts, right? Does this means that something is grounding that shouldn't be grounding? I haven't checked the resistance anywhere on the coils yet.
I checked for continuity at the pickup coils - igniter connection. There's none, zero, zip. I cross checked each wire with teach of the four possible connecting wires and I get no continuity with anything.
No idea what all this means. Is the igniter bad? Did I mess up with the wiring because the schematic doesn't jive with my notes at the coils? My notes and pics clearly have two red wires, one black, one green. The schematic has one red, two black, one green.
UPDATE: I have the wires in place and connected. It turns over but won't start. Here's what I know so far.
No spark at the spark plug.
On the primary side of the coils, there are 12.4 volts going into the positive terminals. But there's only 0.4 volts going into the negative terminals. All four primary terminals should have 12 volts, right? Does this means that something is grounding that shouldn't be grounding? I haven't checked the resistance anywhere on the coils yet.
I checked for continuity at the pickup coils - igniter connection. There's none, zero, zip. I cross checked each wire with teach of the four possible connecting wires and I get no continuity with anything.
No idea what all this means. Is the igniter bad? Did I mess up with the wiring because the schematic doesn't jive with my notes at the coils? My notes and pics clearly have two red wires, one black, one green. The schematic has one red, two black, one green.
1984 Kawasaki ZN1100 LTD
2007 Victory Vegas
1981 Suzuki GS850GL
2007 Victory Vegas
1981 Suzuki GS850GL
Please Log in or Create an account to join the conversation.
- loudhvx
-
- Offline
- KZr Legend
-

Registered
- Posts: 10863
- Thanks: 1622
Re: Electrical Guru Needed for Kawi Build
25 Jul 2016 09:11 - 25 Jul 2016 09:41
When I was out of town, I was looking at that diagram on my phone. But now on a computer, I see the coil wiring is wrong.
The power feed to the coils is drawn wrong in your original diagram, and since it was a diagram from a manual, I didn't look at it closely enough for errors.
Sorry I didn't spot that sooner. I'm sure that has been a huge headache. It's strange for a manual to mess up that part of the diagram.
I can't confirm the pickup wiring, and can only hope the original diagram was correct.
I will try to fix it.
The power feed to the coils is drawn wrong in your original diagram, and since it was a diagram from a manual, I didn't look at it closely enough for errors.
Sorry I didn't spot that sooner. I'm sure that has been a huge headache. It's strange for a manual to mess up that part of the diagram.
I can't confirm the pickup wiring, and can only hope the original diagram was correct.
I will try to fix it.
1981 KZ550 D1 gpz.
Kz550 valve train warning.
Other links.
Kz550 valve train warning.
Other links.
Last edit: 25 Jul 2016 09:41 by loudhvx.
The following user(s) said Thank You: BadMonk
Please Log in or Create an account to join the conversation.
- BadMonk
-
Topic Author
- Offline
- User
-

Registered
- Posts: 30
- Thanks: 1
Re: Electrical Guru Needed for Kawi Build
26 Jul 2016 05:19
Thanks! Although I"m not sure what I'm even looking at with these diagrams, I thought the same thing about the factory diagram and coil wiring. It didn't match my notes or what other people had written about the wiring. I appreciate you taking a look. I couldn't even have gotten this far without your expertise.
As far as the pick ups go, it seems odd that I get no continuity. I did the continuity test that you told me how to do...way back at the beginning of this. Maybe it will come to life when the coils get rewired. I'll see...but yeah I too hope too hope the original diagram was correct.
Thanks Again!
As far as the pick ups go, it seems odd that I get no continuity. I did the continuity test that you told me how to do...way back at the beginning of this. Maybe it will come to life when the coils get rewired. I'll see...but yeah I too hope too hope the original diagram was correct.
Thanks Again!
1984 Kawasaki ZN1100 LTD
2007 Victory Vegas
1981 Suzuki GS850GL
2007 Victory Vegas
1981 Suzuki GS850GL
Please Log in or Create an account to join the conversation.
- loudhvx
-
- Offline
- KZr Legend
-

Registered
- Posts: 10863
- Thanks: 1622
Re: Electrical Guru Needed for Kawi Build
26 Jul 2016 07:59
I'm afraid I don't recall discussing a continuity test for the pickups. I don't see it on this thread. Maybe it was on another thread?
1981 KZ550 D1 gpz.
Kz550 valve train warning.
Other links.
Kz550 valve train warning.
Other links.
Please Log in or Create an account to join the conversation.
- BadMonk
-
Topic Author
- Offline
- User
-

Registered
- Posts: 30
- Thanks: 1
Re: Electrical Guru Needed for Kawi Build
26 Jul 2016 09:37
Sorry, but the thing about continuity wasn't wrt the pick ups. It's actually in this thread at #728665. Had me going there for a minute...thought these brain lesions were playing tricks on me....LOL.
1984 Kawasaki ZN1100 LTD
2007 Victory Vegas
1981 Suzuki GS850GL
2007 Victory Vegas
1981 Suzuki GS850GL
Please Log in or Create an account to join the conversation.
Moderators: Street Fighter LTD
